SPEEDGLEAM RIDER BURNISHER
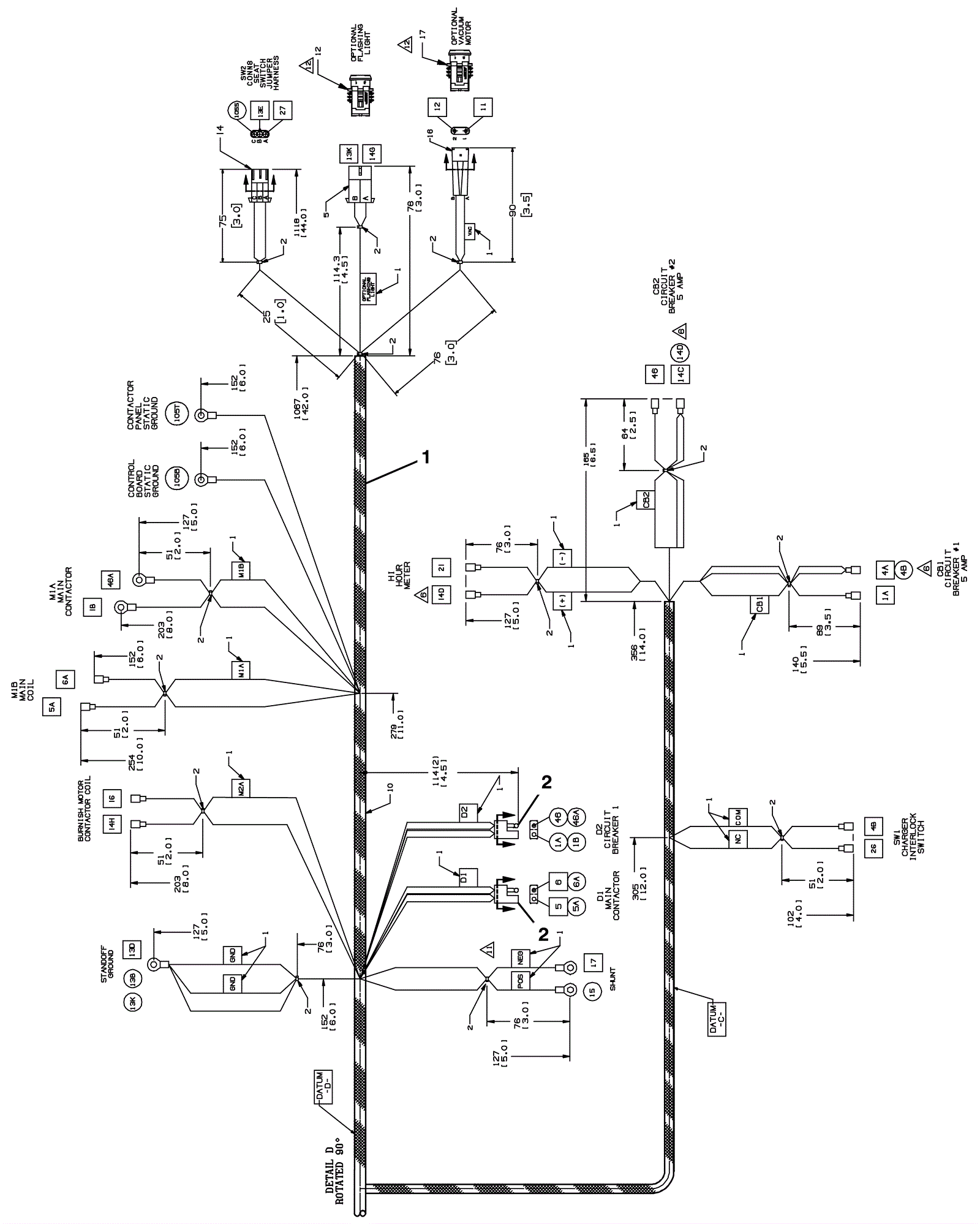
Main Harness Diagram-1
Click to enlarge
#
Part
Description
Price
Req
Notes
Availability
1
275-7107
Main harness
$575.52
1
(includes 2)
usually ships 10-13 days
2
175-2216
Diode plug
$14.19
2
usually ships 10-13 days