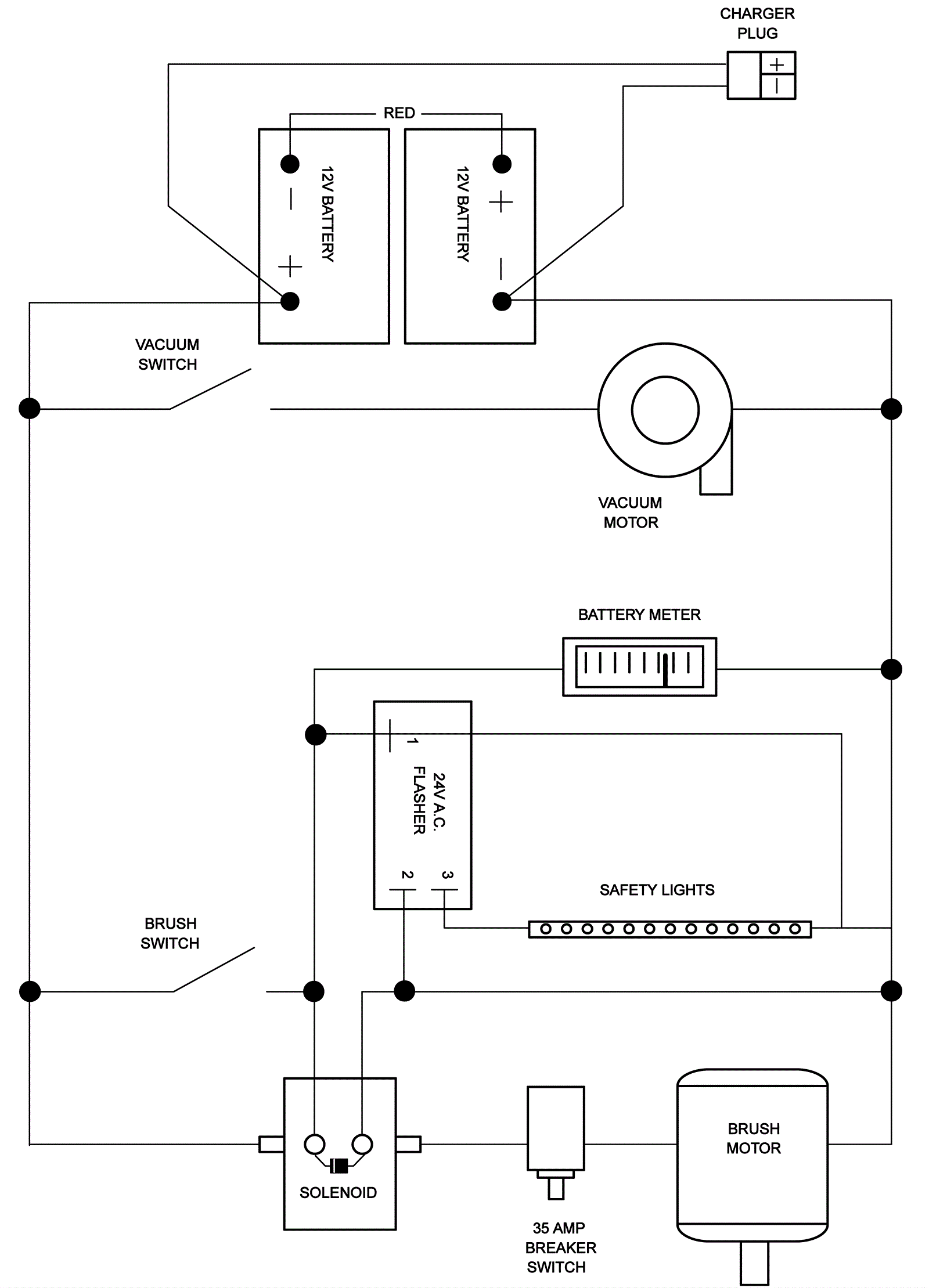
Wiring Diagram 2 - After 2001
Click to enlarge