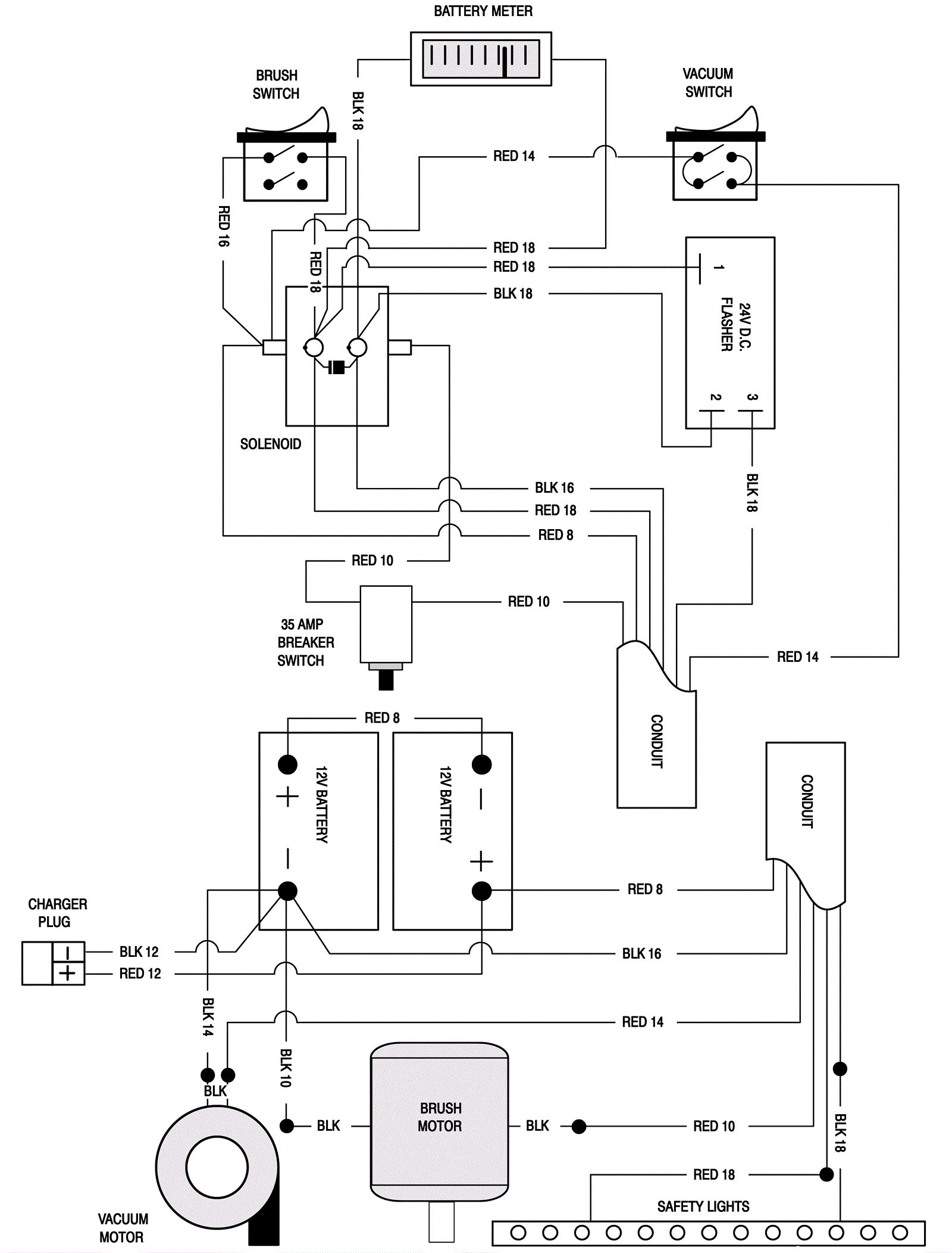
Wiring Diagram 1 - After 2001
Click to enlarge