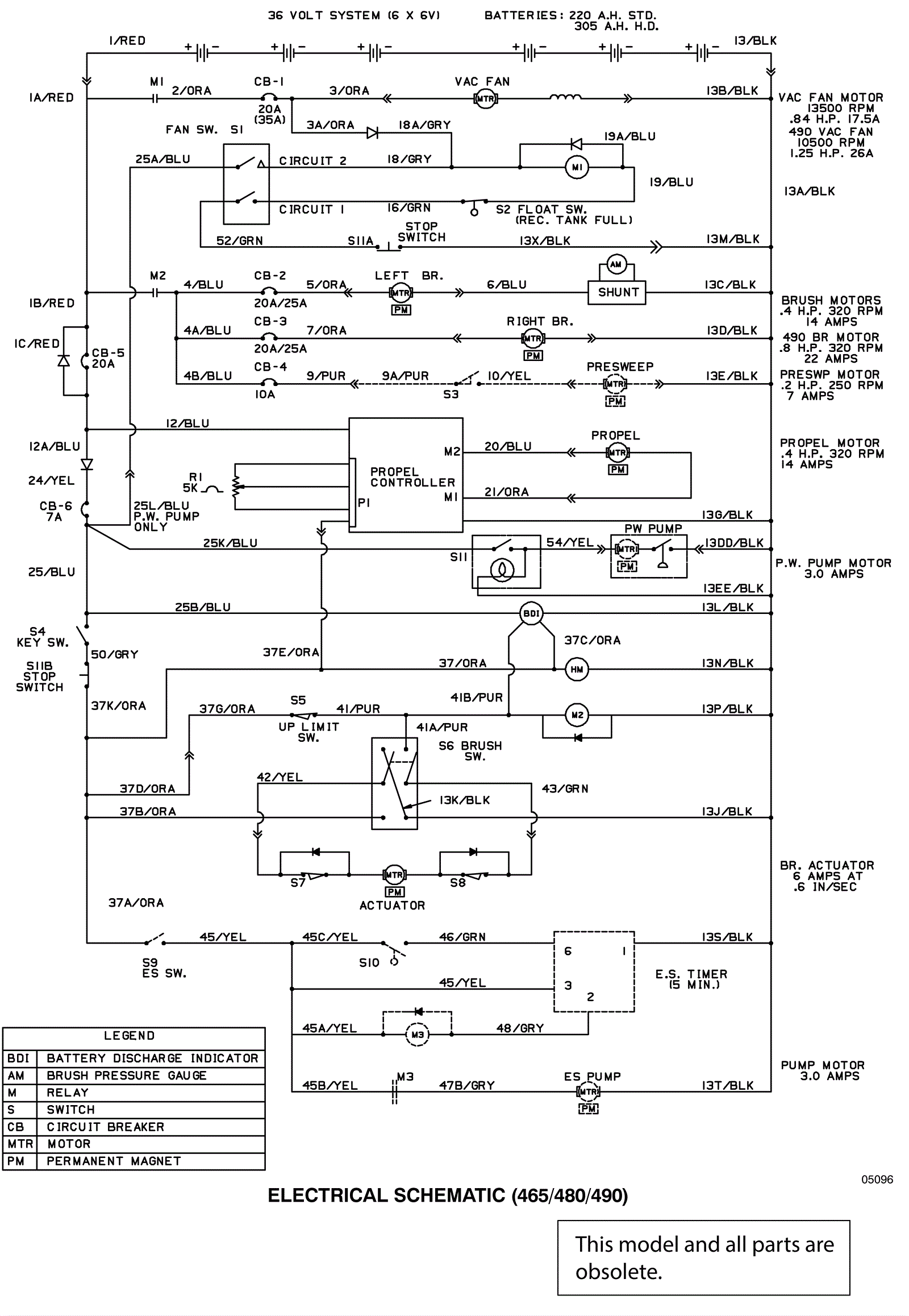
Electrical Schematic (465/480/490)
Click to enlarge