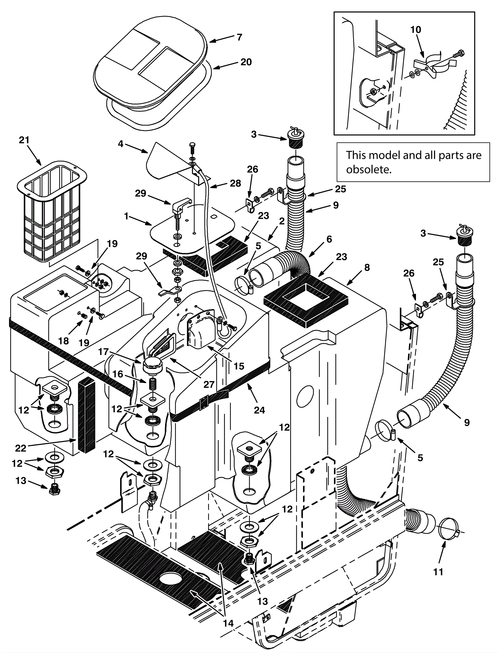
Solution and Recovery Tanks Assembly
Click to enlarge