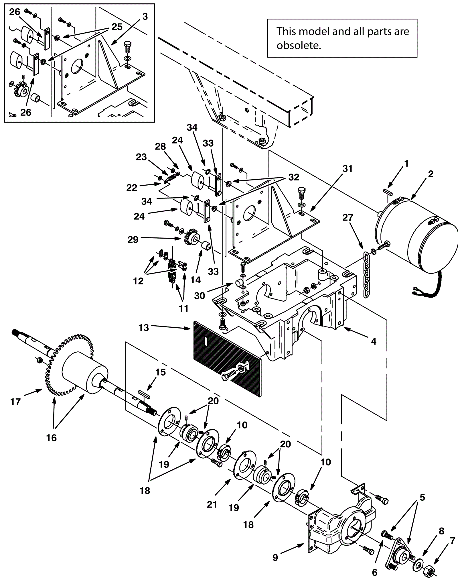
Single Drive Assembly
Click to enlarge