| # | Part | Description | Price | Req | Notes | Availability |
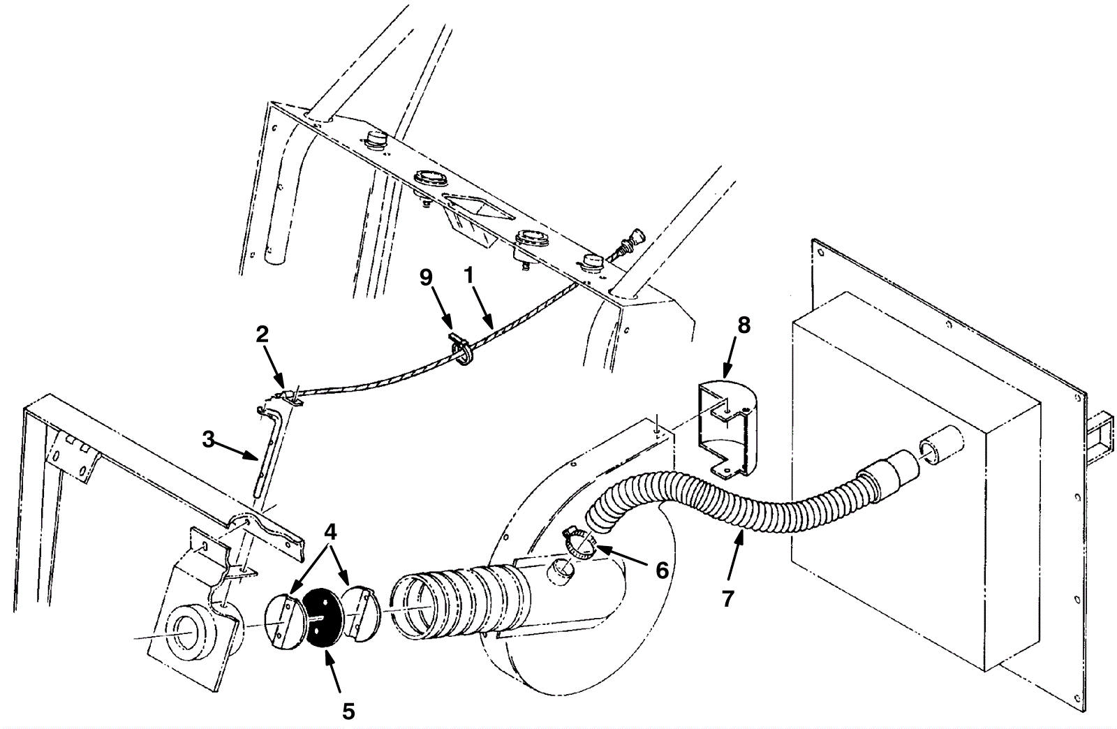
1 |
N/A
|
Not available |
Call for price
|
1 |
(before sn 006000) (Damper control cable) |
usually ships 3-26 days |
2 |
175-6832
|
CLAMP, CABLE, STL, 0.19D X 0.50W, 1HOLE (Tennant Industrial |
$2.00
|
1 |
(before sn 006000) |
usually ships 1-5 days |
3 |
375-4847
|
Damper lever (OBSOLETE) |
Call for price
|
1 |
(before sn 006000) |
usually ships 10-13 days |
4 |
275-1866
|
DAMPER (Tennant Industrial) |
$29.34
|
2 |
(before sn 006000) |
usually ships 1-5 days |
5 |
N/A
|
Not available |
Call for price
|
1 |
(before sn 006000) (Seal) |
usually ships 3-26 days |
6 |
997-2000
|
Hose clamp |
$2.37
|
1 |
(before sn 006000) |
ships same day |
7 |
375-4829
|
Hose and cuff assembly (OBSOLETE) |
Call for price
|
1 |
(before sn 006000) |
usually ships 10-13 days |
8 |
375-4848
|
Deflector (OBSOLETE) |
Call for price
|
1 |
(before sn 006000) |
usually ships 10-13 days |
9 |
175-2162
|
Nylon wire tie |
$3.30
|
1 |
(before sn 006000) |
usually ships 10-13 days |