| # | Part | Description | Price | Req | Notes | Availability |
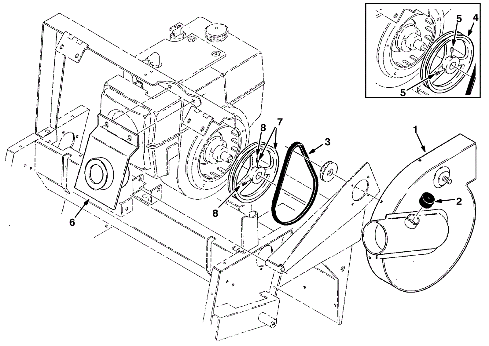
0 |
375-4830
|
Prep for scrub and wand kit (OBSOLETE) |
Call for price
|
1 |
(includes 1a, 2, 3, 4, 5, 6, 7, 8) |
usually ships 10-13 days |
1 |
375-4831
|
Vacuum fan housing (OBSOLETE) |
Call for price
|
1 |
|
usually ships 10-13 days |
2 |
475-9128
|
CAP, VINYL, 1.50D 1.25L BLACK (Tennant Industrial) |
$5.00
|
1 |
|
usually ships 10-13 days |
3 |
175-9205
|
V-Belt |
$20.13
|
1 |
|
usually ships 10-13 days |
4 |
375-4833
|
Sheave replacement kit (OBSOLETE) |
Call for price
|
1 |
(before sn 002635) |
usually ships 10-13 days |
5 |
N/A
|
Not available |
Call for price
|
2 |
(Screw set) |
usually ships 3-26 days |
6 |
375-4834
|
Filter fan adaptor (OBSOLETE) |
Call for price
|
1 |
|
usually ships 10-13 days |
7 |
375-4835
|
Sheave (OBSOLETE) |
Call for price
|
1 |
(includes 8) (after sn 002634) |
usually ships 10-13 days |
8 |
999-0104
|
Screw 5/16-18 x 1/2 socket head alloy plain finish |
$0.99
|
1 |
(after sn 002634) |
ships same day |