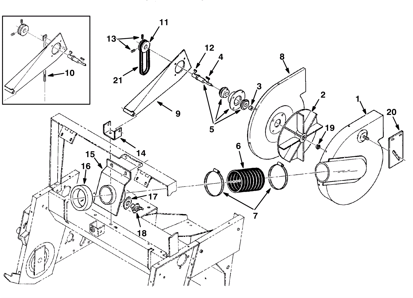
| # | Part | Description | Price | Req | Notes | Availability |
1 |
N/A
|
Not available |
Call for price
|
1 |
(Vacuum fan housing) |
usually ships 3-26 days |
2 |
175-9154
|
Impeller 9 x 3/8 |
$98.89
|
1 |
|
usually ships 1-5 days |
3 |
175-9155
|
Spacer |
$15.40
|
1 |
|
usually ships 1-5 days |
4 |
175-9158
|
Square key 1/8 x 1/8 inch |
$4.49
|
1 |
|
usually ships 1-5 days |
5 |
175-9157
|
Shaft |
$290.51
|
1 |
|
usually ships 10-13 days |
6 |
175-0858
|
HOSE, FLEX, VACUUM, 04.0D, 005.0L (Tennant Industrial) |
$33.51
|
1 |
|
usually ships 10-13 days |
7 |
175-7146
|
Wormdrive clamp (Tennant Industrial) |
$9.84
|
2 |
|
usually ships 10-13 days |
8 |
N/A
|
Not available |
Call for price
|
1 |
(Housing backing plate) |
usually ships 3-26 days |
9 |
N/A
|
Not available |
Call for price
|
1 |
(Fan mount arm) |
usually ships 3-26 days |
10 |
375-4765
|
Rod (OBSOLETE) |
Call for price
|
1 |
(before sn 002253) |
usually ships 10-13 days |
11 |
275-9801
|
Sheave (Tennant Industrial) |
$124.52
|
1 |
|
usually ships 1-5 days |
12 |
175-9159
|
Woodruff key |
$3.30
|
1 |
|
usually ships 1-5 days |
13 |
175-4926
|
Screw 5/16-18 x 3/8 set nylon lock |
$5.28
|
2 |
|
ships same day |
14 |
N/A
|
Not available |
Call for price
|
1 |
(Fan pivot bracket) |
usually ships 3-26 days |
15 |
N/A
|
Not available |
Call for price
|
1 |
(Filter to fan adapter) |
usually ships 3-26 days |
16 |
275-1852
|
SEAL, RBR, CLSD, 1.00, 4.9D 03.9H (Tennant Industrial) |
$26.34
|
1 |
|
usually ships 10-13 days |
17 |
175-9365
|
Fire switch gasket |
$13.31
|
1 |
|
usually ships 10-13 days |
18 |
275-8509
|
Thermostat |
$45.98
|
1 |
|
usually ships 1-5 days |
19 |
175-9286
|
Nut 5/16 x 24 hex flex lock thin plated |
$5.28
|
1 |
|
usually ships 1-5 days |
20 |
N/A
|
Not available |
Call for price
|
1 |
(Backing plate) |
usually ships 3-26 days |
21a |
375-4766
|
V-belt (OBSOLETE) |
Call for price
|
1 |
(before sn 006000) |
usually ships 10-13 days |
21b |
275-1854
|
BELT, V, 19.0L, COGGED [4L] (Tennant Industrial) |
$36.51
|
1 |
(after sn 005999) |
usually ships 10-13 days |