| # | Part | Description | Price | Req | Notes | Availability |
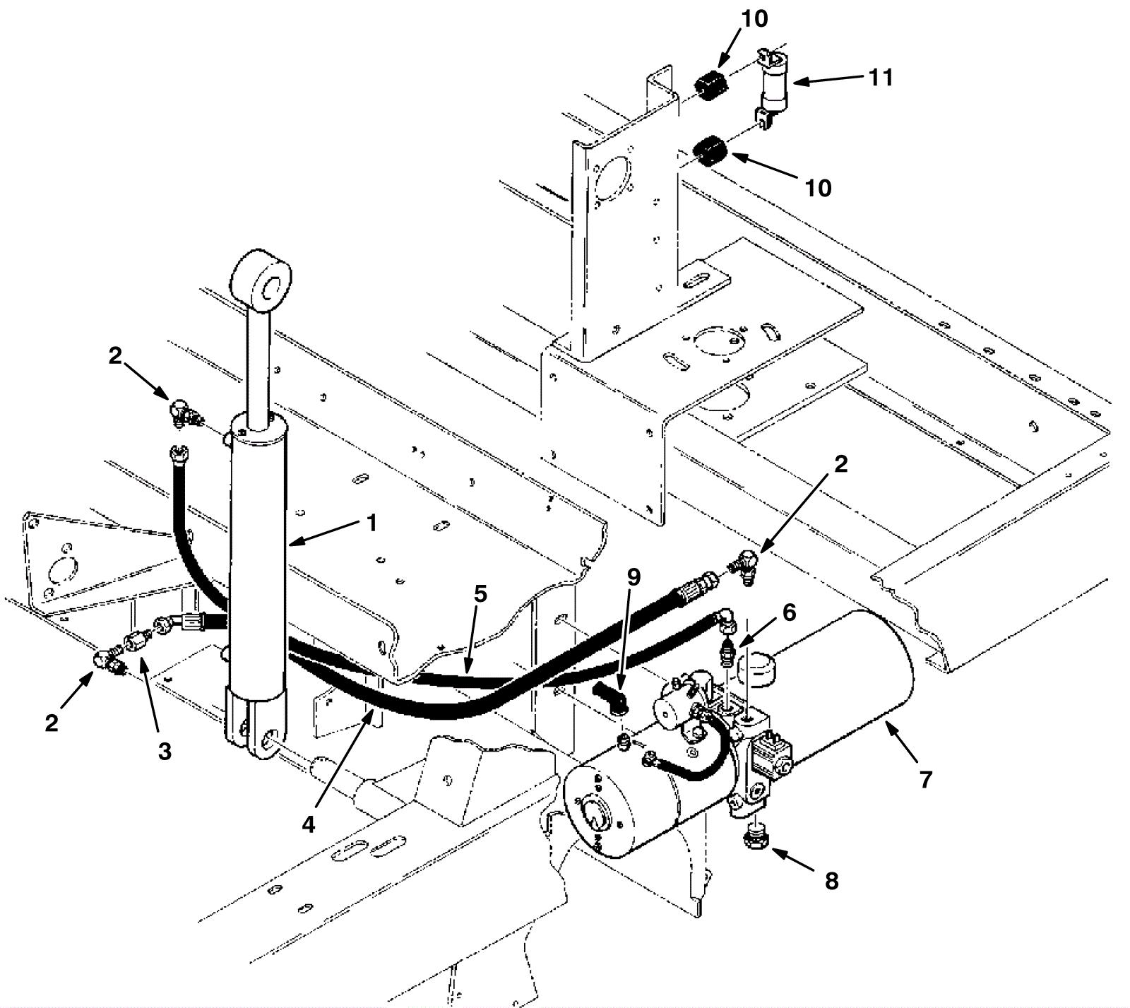
1 |
675-7976
|
CYLINDER, HYD, 2.0B 20.2L 11.00STRK 2500 (Tennant Industrial |
$2,632.19
|
1 |
|
usually ships 10-13 days |
2 |
275-2939
|
FITTING, HYD, E90, JM04/OM06 (Tennant Industrial) |
$29.01
|
3 |
|
usually ships 1-5 days |
3 |
575-5342
|
FITTING, HYD, RST, JF04/JM04, .063 (Tennant Industrial) |
$58.35
|
1 |
|
usually ships 10-13 days |
4 |
575-6641
|
HOSE, HYD, MED04, JF04E45/JF04STR, 020.0 (Tennant Industrial |
$49.77
|
1 |
|
usually ships 10-13 days |
5 |
575-4367
|
HOSE, HYD, LOW04, JF04E90/JF04STR, 032.0 (Tennant Industrial |
$54.94
|
1 |
|
usually ships 10-13 days |
6 |
175-8098
|
FITTING, HYD, STR, JM04/OM04 (Tennant Industrial) |
$9.84
|
1 |
|
usually ships 1-5 days |
7 |
N/A
|
Not available |
Call for price
|
1 |
(Hydraulic pump) |
usually ships 3-26 days |
8 |
575-0283
|
FITTING, HYD, PLUG, OM08 (Tennant Industrial) |
$13.17
|
1 |
|
usually ships 10-13 days |
9 |
175-2122
|
90 degree cable boot |
$5.28
|
2 |
|
usually ships 10-13 days |
10 |
175-3226
|
Insulated stand off |
$10.34
|
2 |
|
ships same day |
11 |
575-6386
|
FUSE, 120A, 1.06 3.8L, 72VDC (Tennant Industrial) |
$148.46
|
1 |
|
usually ships 10-13 days |