T500
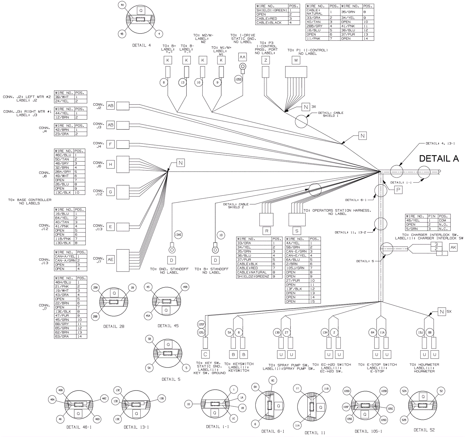
Main Electrical Harness Diagram - 1
Click to enlarge
#
Part
Description
Price
Req
Notes
Availability
1
375-3326
Main electrical harness
$917.95
1
usually ships 10-13 days