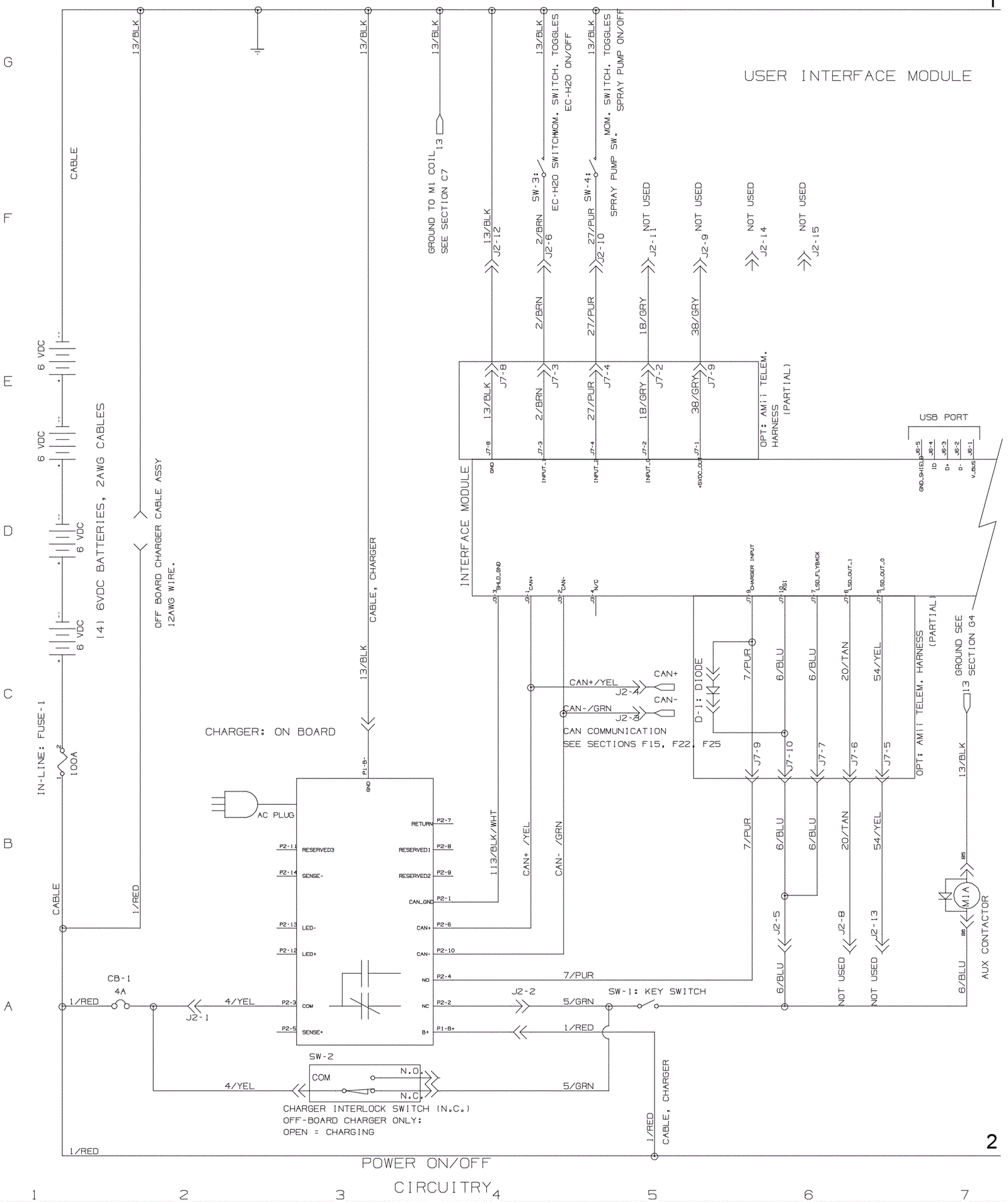
Wiring Diagram - Standard 1
Click to enlarge