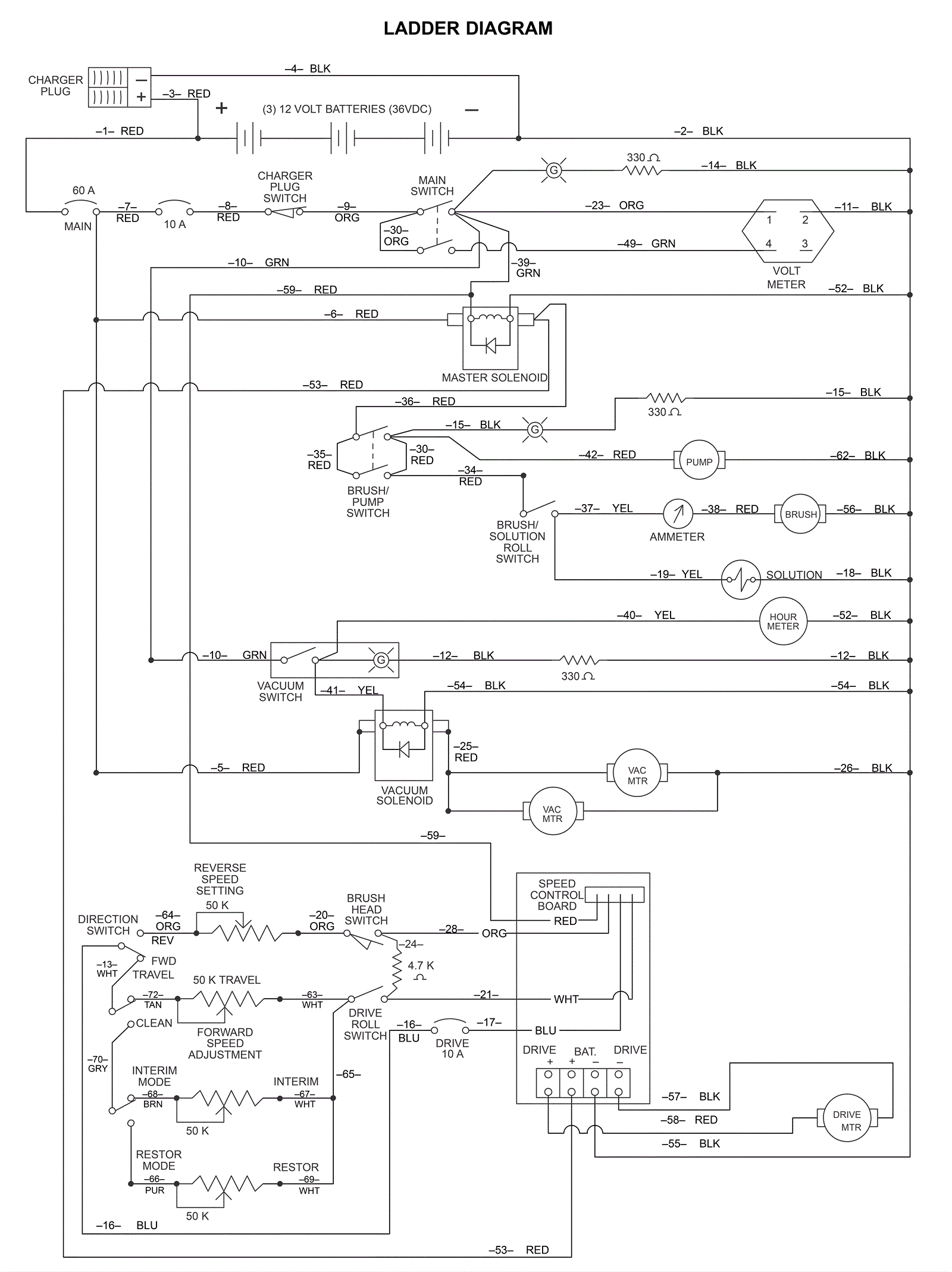
Ladder Assembly
Click to enlarge