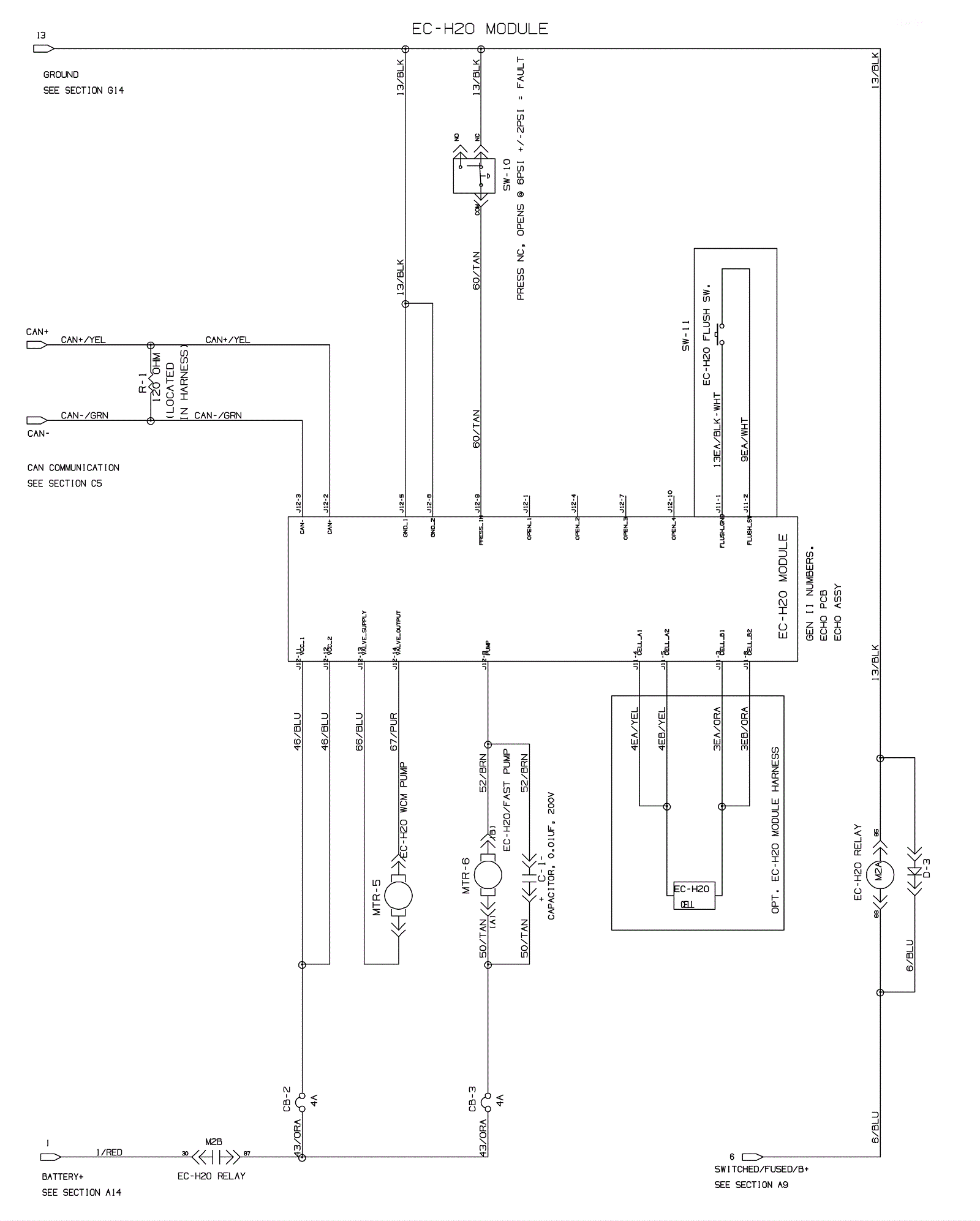
Electrical Asssembly 3 - Push - Before SN 10891709
Click to enlarge