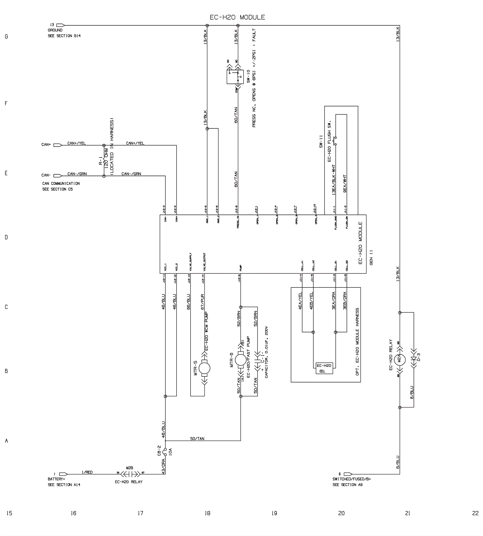
Electrical Assembly 3 - Push - After SN 10891710
Click to enlarge