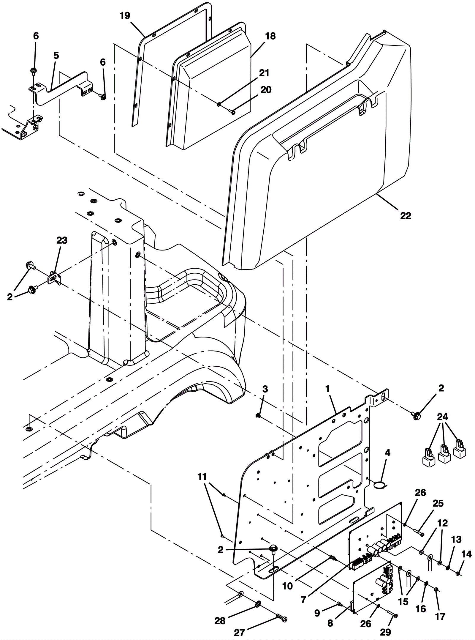
| # | Part | Description | Price | Req | Notes | Availability |
1 |
275-7733
|
Electronic component mounting plate weldment |
$83.05
|
1 |
|
usually ships 1-5 days |
2 |
275-4736
|
Screw M8-1.25 x 20mm hex washer head stainless steel SEMS |
$4.49
|
5 |
|
ships same day |
3 |
275-7625
|
Plastic clip |
$1.98
|
7 |
|
usually ships 1-5 days |
4 |
175-7795
|
Cable tie |
$5.15
|
7 |
|
ships same day |
5 |
275-7734
|
Stiffener bracket |
$10.34
|
1 |
|
usually ships 1-5 days |
6 |
999-1383
|
Screw M6-1 x 16mm hex head stainless steel |
$3.96
|
4 |
|
ships same day |
7 |
275-7735
|
Circuit board kit |
$938.63
|
1 |
|
usually ships 1-5 days |
8 |
275-7736
|
Circuit board kit |
$802.89
|
1 |
|
usually ships 1-5 days |
9 |
275-1430
|
Circuit board support |
$5.83
|
4 |
|
usually ships 10-13 days |
10 |
275-7737
|
Circuit board support |
$2.38
|
4 |
(1/2 inch) |
usually ships 1-5 days |
11 |
999-0434
|
Screw 6 x 3/8 pan head phillips |
$0.99
|
8 |
|
ships same day |
12 |
275-7738
|
Washer .21x.39x.04 flat brass |
$1.58
|
2 |
|
usually ships 1-5 days |
13 |
999-1026
|
Washer #10 internal lock stainless steel |
$0.99
|
1 |
|
ships same day |
14 |
275-5473
|
Nut M5 x .8 hex brass |
$2.24
|
1 |
|
usually ships 1-5 days |
15 |
999-0016
|
Washer 1/4 flat plain finish |
$0.99
|
2 |
|
ships same day |
16 |
175-4544
|
Washer M6 locking |
$4.49
|
1 |
|
ships same day |
17 |
275-5479
|
Nut M6 x 1 (Tennant Industrial) |
$2.50
|
1 |
|
usually ships 10-13 days |
18 |
275-7739
|
Circuit board box cover |
$39.93
|
1 |
|
usually ships 1-5 days |
19 |
275-7740
|
Circuit board cover gasket |
$14.96
|
1 |
|
usually ships 1-5 days |
20 |
175-2895
|
Screw M5-0.8 x 20mm pan head |
$4.49
|
6 |
|
usually ships 10-13 days |
21 |
999-0393
|
Washer 3/16 flat aluminum |
$0.99
|
6 |
|
ships same day |
22 |
275-7741
|
Side cover |
$164.12
|
1 |
|
usually ships 1-5 days |
23 |
275-7742
|
Panel mounting bracket |
$14.19
|
1 |
|
usually ships 1-5 days |
24 |
175-2216
|
Diode plug |
$14.19
|
3 |
|
usually ships 10-13 days |
25 |
999-1673
|
Screw M4-.7 x 25mm pan head phillips stainless steel |
$0.99
|
2 |
|
ships same day |
26 |
275-7743
|
Washer .17x.31x.03 flat nylon |
$1.98
|
3 |
|
usually ships 1-5 days |
27 |
175-6939
|
Screw M5 x 16mm stainless steel |
$3.96
|
1 |
|
ships same day |
28 |
275-0288
|
Washer 1/4 internal-external lock |
$4.36
|
1 |
|
ships same day |
29 |
999-9113
|
Screw M4-.7 x 16mm pan head phillips stainless steel |
$0.99
|
1 |
|
ships same day |