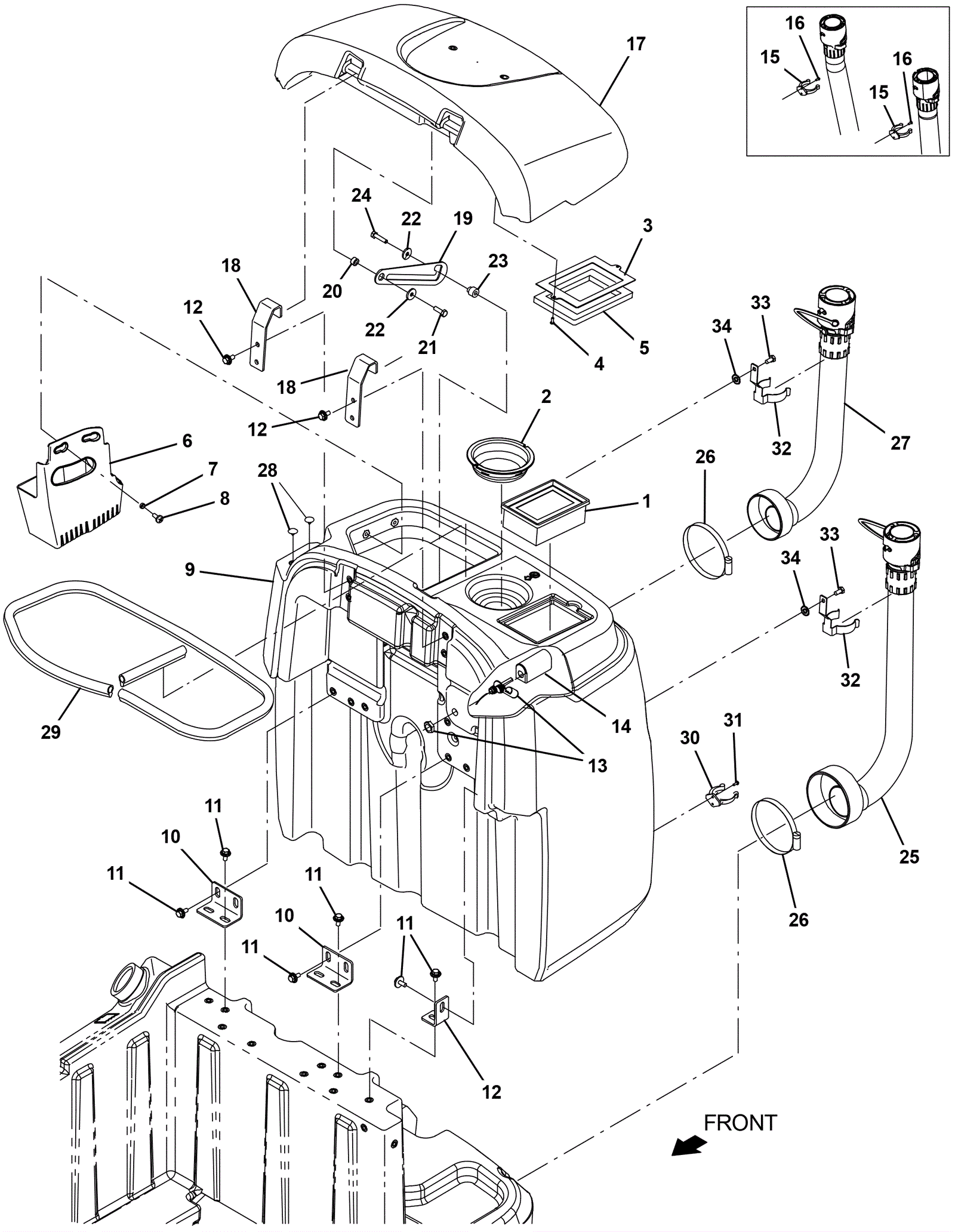
| # | Part | Description | Price | Req | Notes | Availability |
1 |
175-2259
|
Vacuum fan filter |
$22.22
|
1 |
|
ships same day |
2 |
275-2445
|
Vacuum screen (Tennant Industrial) |
$43.60
|
1 |
|
usually ships 10-13 days |
3 |
275-7677
|
Mounting plate gasket |
$16.39
|
1 |
|
usually ships 10-13 days |
4 |
999-0447
|
Screw 6-32 x 1/2 pan head phillips zinc plated |
$0.99
|
2 |
|
ships same day |
5 |
275-8164
|
Filter gasket |
$10.89
|
1 |
|
ships same day |
6 |
275-7678
|
Debris tray |
$21.45
|
1 |
|
usually ships 10-13 days |
7 |
275-7679
|
Sleeve (Tennant Industrial) |
$4.17
|
2 |
|
usually ships 10-13 days |
8 |
175-3202
|
Screw M8-1.25 x 20mm |
$4.49
|
2 |
|
usually ships 10-13 days |
9 |
275-7680
|
Recovery tank |
$960.74
|
1 |
|
usually ships 1-5 days |
10 |
275-7681
|
Tank mounting bracket |
$6.60
|
3 |
|
usually ships 1-5 days |
11 |
275-4736
|
Screw M8-1.25 x 20mm hex washer head stainless steel SEMS |
$4.49
|
18 |
|
ships same day |
12 |
275-7682
|
Tank mounting angle (Tennant Industrial) |
$21.50
|
1 |
|
usually ships 1-5 days |
13 |
175-9554
|
Float switch |
$85.47
|
1 |
|
ships same day |
14 |
275-4664
|
Float switch protector bracket |
$23.54
|
1 |
|
usually ships 10-13 days |
15 |
275-7683
|
Plastic hose clip |
$1.98
|
3 |
(between SN 10872535 and SN 30079418) |
usually ships 10-13 days |
16 |
999-0534
|
Screw M4-.7 x 10mm pan head slotted zinc |
$0.99
|
4 |
(between SN 10872535 and SN 30079418) |
ships same day |
17 |
275-7684
|
Recovery tank cover |
$278.63
|
1 |
|
usually ships 1-5 days |
18 |
275-7691
|
Cover mounting bracket |
$10.01
|
2 |
|
usually ships 1-5 days |
19 |
275-7686
|
Arm plate (Tennant Industrial) |
$12.34
|
1 |
|
usually ships 1-5 days |
20 |
675-9891
|
Spacer |
$5.50
|
1 |
|
ships same day |
21 |
999-0501
|
Bolt M8-1.25 x 25mm hex head full thread stainless steel |
$2.64
|
1 |
|
ships same day |
22 |
175-7920
|
Washer M8 flat stainless steel |
$4.49
|
2 |
|
ships same day |
23 |
175-3057
|
Bushing |
$5.15
|
1 |
|
usually ships 10-13 days |
24 |
575-7539
|
HOSE, HYD, LOW08, JF08E45/JF08STR, 056.0 (Tennant Industrial |
$113.02
|
1 |
|
usually ships 10-13 days |
25a |
475-3815
|
HOSE KIT, MTG, BRKT T12 (819.0) |
$216.48
|
1 |
(between SN 10872535 and SN 30079418) |
usually ships 10-13 days |
25b |
275-7687
|
Drain hose assembly (black) |
$157.63
|
1 |
(after SN 30079418) |
usually ships 10-13 days |
26 |
275-7688
|
Hose clamp |
$7.37
|
2 |
|
usually ships 10-13 days |
27 |
475-3746
|
HOSE ASSY, DRAIN, 2.00ID X 26.2L, BLK |
$156.64
|
1 |
|
usually ships 10-13 days |
28 |
275-1313
|
Nylon round plug (Tennant Industrial) |
$2.50
|
4 |
|
usually ships 1-5 days |
29 |
275-7372
|
SEAL, AFMKT, BULB, DUAL, 08FT [F/.30GAP] |
$101.53
|
1 |
|
usually ships 10-13 days |
30 |
275-7683
|
Plastic hose clip |
$1.98
|
1 |
|
usually ships 10-13 days |
31 |
999-0534
|
Screw M4-.7 x 10mm pan head slotted zinc |
$0.99
|
2 |
|
ships same day |
32 |
475-3425
|
BRACKET, MTG, HOSE |
$34.10
|
2 |
(after SN 10872535) |
usually ships 10-13 days |
33 |
999-0784
|
Screw M8-1.25 x 16mm hex head stainless steel |
$1.74
|
2 |
(after SN 10872535) |
ships same day |
34 |
175-2893
|
Washer 5/16 internal/external locking |
$4.49
|
2 |
(after SN 10872535) |
usually ships 10-13 days |