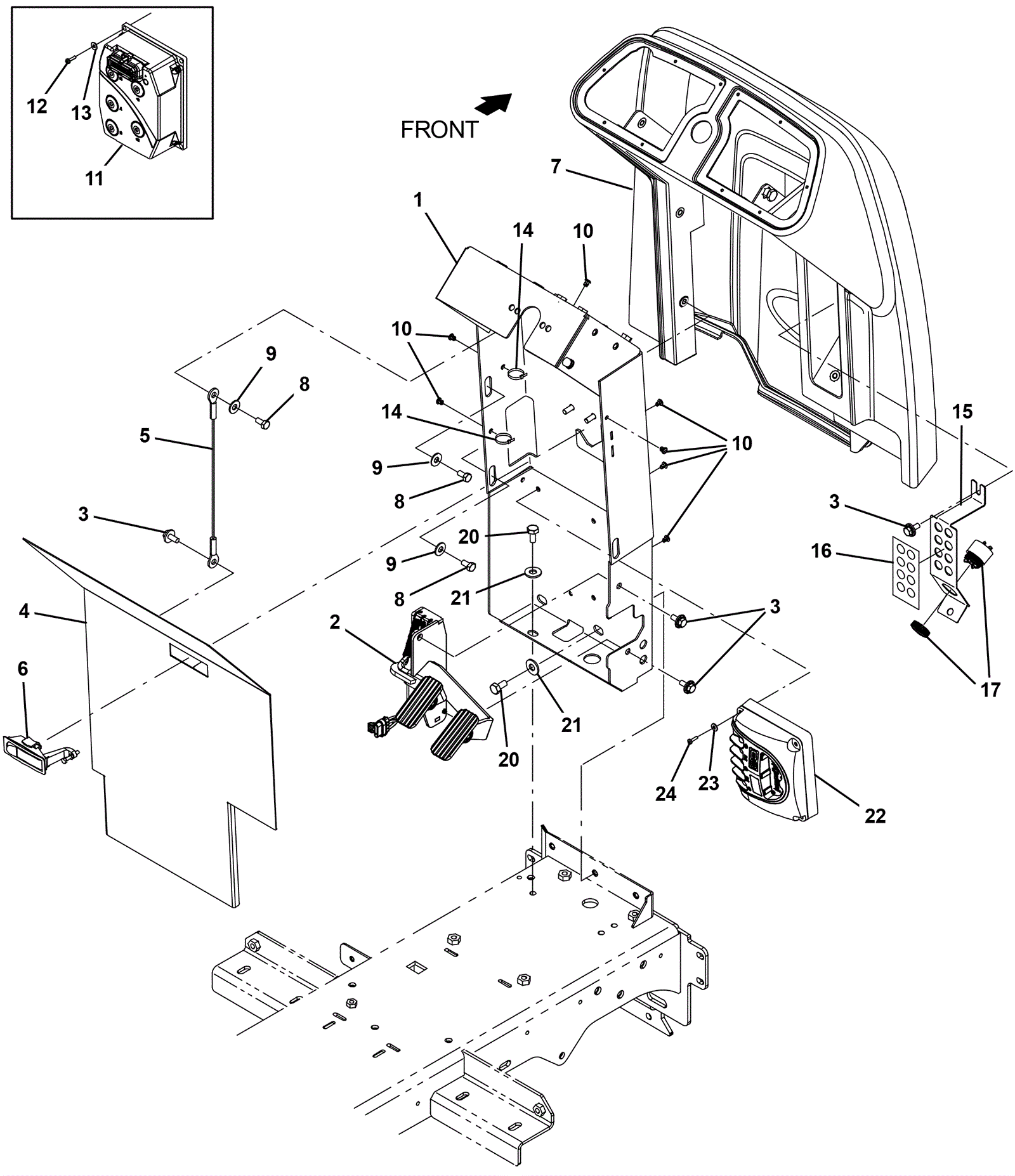
| # | Part | Description | Price | Req | Notes | Availability |
1a |
275-7621
|
Steering channel weldment |
$141.90
|
1 |
(before SN 10863998) |
usually ships 1-5 days |
1b |
475-3829
|
CHANNEL WLDT, STEERING, PNTD |
$243.10
|
1 |
(after SN 10863997) |
usually ships 10-13 days |
2 |
275-7622
|
Pedal assembly |
$473.66
|
1 |
|
usually ships 1-5 days |
3 |
275-4736
|
Screw M8-1.25 x 20mm hex washer head stainless steel SEMS |
$4.49
|
5 |
|
ships same day |
4 |
275-7623
|
Front access panel |
$209.11
|
1 |
|
usually ships 1-5 days |
5 |
175-3405
|
Cable |
$13.75
|
1 |
|
usually ships 10-13 days |
6 |
275-0047
|
Latch |
$73.48
|
1 |
|
usually ships 10-13 days |
7 |
275-7624
|
Front shroud |
$388.96
|
1 |
|
usually ships 1-5 days |
8 |
999-0784
|
Screw M8-1.25 x 16mm hex head stainless steel |
$1.74
|
5 |
|
ships same day |
9 |
999-0024
|
Washer 5/16 flat stainless steel |
$1.34
|
5 |
|
ships same day |
10 |
275-7625
|
Plastic clip |
$1.98
|
7 |
|
usually ships 1-5 days |
11 |
275-7626
|
36V 200Ah controller |
$2,528.02
|
1 |
(before SN 10863998) |
usually ships 1-5 days |
12 |
999-9113
|
Screw M4-.7 x 16mm pan head phillips stainless steel |
$0.99
|
4 |
(before SN 10863998) |
ships same day |
13 |
999-0998
|
Washer #10 flat stainless steel |
$0.99
|
4 |
(before SN 10863998) |
ships same day |
14 |
175-7795
|
Cable tie |
$5.15
|
7 |
|
ships same day |
15 |
275-7627
|
Bracket |
$13.97
|
1 |
|
usually ships 1-5 days |
16 |
275-7628
|
Circuitbreaker decal |
$8.25
|
1 |
|
usually ships 1-5 days |
17 |
275-4942
|
Alarm |
$81.07
|
1 |
|
usually ships 1-5 days |
20 |
275-0025
|
Screw M10-1.5 x 25 hex head 8.8 |
$4.36
|
4 |
|
usually ships 10-13 days |
21 |
999-0032
|
Washer 3/8 USS flat plain finish |
$2.42
|
4 |
|
ships same day |
22 |
475-4089
|
CONTROLLER, DRIVE [T12] |
$1,135.42
|
1 |
(after SN 10863997) |
usually ships 10-13 days |
23 |
999-0006
|
Washer 3/16 flat zinc plated |
$0.99
|
4 |
(after SN 10863997) |
ships same day |
24 |
999-1907
|
Screw M5-.8 x 45mm phillips pan head |
$0.99
|
4 |
(after SN 10863997) |
ships same day |