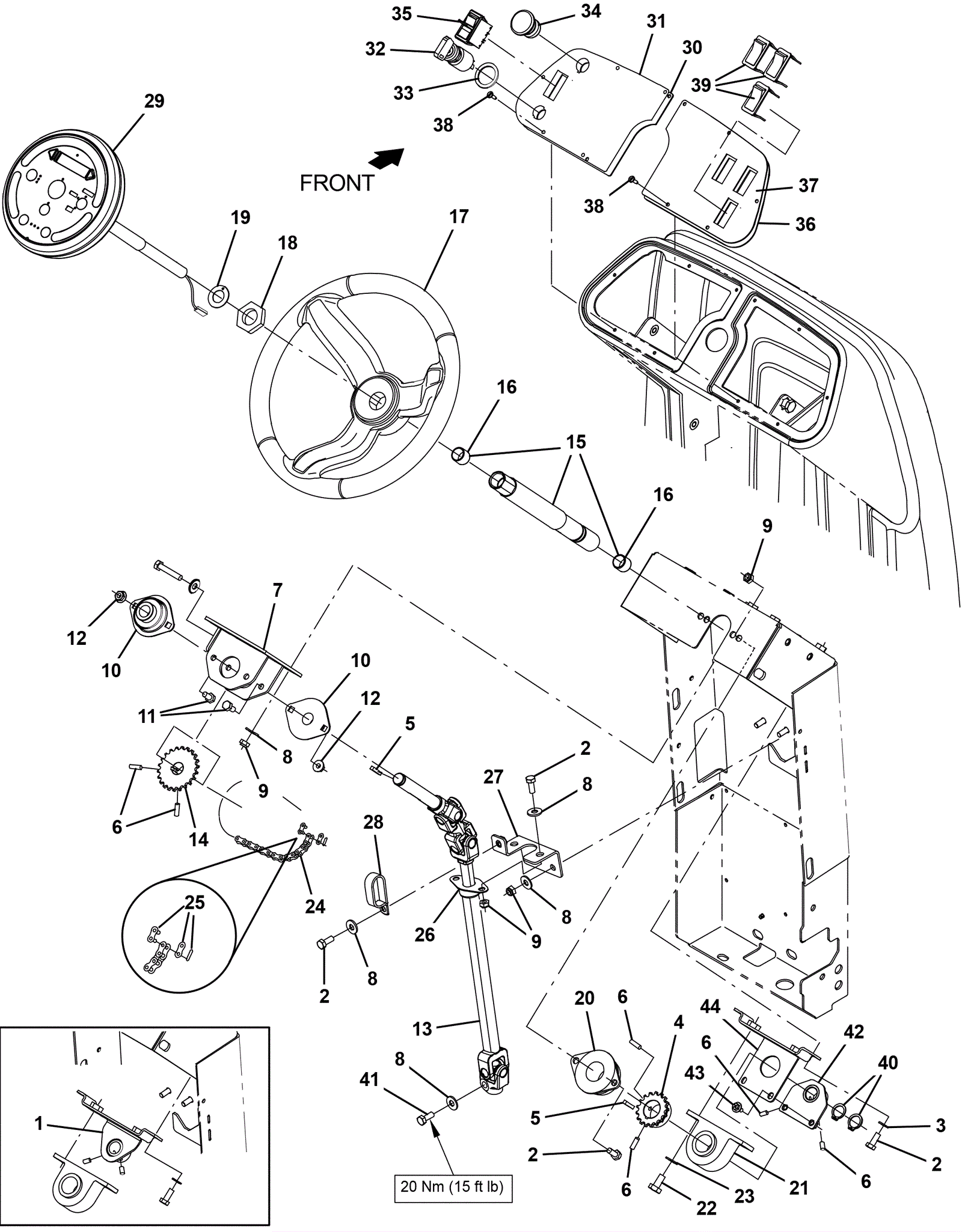
| # | Part | Description | Price | Req | Notes | Availability |
1 |
275-7602
|
Bracket weldment |
$39.49
|
1 |
|
usually ships 1-5 days |
2 |
999-0499
|
Bolt M8-1.25 x 20mm hex head full thread stainless steel |
$1.85
|
7 |
|
ships same day |
3 |
999-0123
|
Washer 1/4 SAE flat zinc plated |
$0.99
|
2 |
|
ships same day |
4 |
275-7603
|
Sprocket kit |
$71.61
|
1 |
|
usually ships 1-5 days |
5 |
175-3200
|
Square keyway |
$4.49
|
2 |
|
ships same day |
6 |
175-9339
|
Screw M6-1 x 8mm set socket |
$5.28
|
6 |
|
usually ships 10-13 days |
7 |
275-7604
|
Support plate weldment (Tennant Industrial) |
$65.85
|
1 |
|
usually ships 1-5 days |
8 |
999-0024
|
Washer 5/16 flat stainless steel |
$1.34
|
10 |
|
ships same day |
9 |
999-0471
|
Nut M8-1.25 nylon insert lock zinc plated |
$0.99
|
10 |
|
ships same day |
10 |
275-7601
|
Flanged bearing (Tennant Industrial) |
$61.51
|
2 |
|
usually ships 1-5 days |
11 |
999-0783
|
Screw M8-1.25 x 16mm hex head |
$0.99
|
4 |
|
ships same day |
12 |
999-0665
|
Nut M8-1.25 flange lock |
$0.99
|
4 |
|
ships same day |
13 |
275-7605
|
Steering shaft assembly |
$392.37
|
1 |
|
usually ships 1-5 days |
14 |
275-7606
|
Sprocket kit |
$83.82
|
1 |
|
usually ships 1-5 days |
15 |
475-3891
|
TUBE ASSY, COLUMN, STEERING |
$331.21
|
1 |
(includes 16) (after SN 10713299) |
usually ships 10-13 days |
16 |
275-7608
|
Bearing (Tennant Industrial) |
$9.00
|
2 |
|
usually ships 1-5 days |
17 |
275-7609
|
Steering wheel (Tennant Industrial) |
$314.23
|
1 |
|
usually ships 1-5 days |
18 |
275-7610
|
Nut (Tennant Industrial) |
$15.67
|
1 |
|
usually ships 1-5 days |
19 |
275-7611
|
Thrust washer |
$10.67
|
1 |
|
usually ships 1-5 days |
20 |
275-7612
|
Flanged bearing (Tennant Industrial) |
$35.51
|
1 |
|
usually ships 10-13 days |
21 |
275-7613
|
Pillowblock bearing (Tennant Industrial) |
$55.18
|
1 |
|
usually ships 1-5 days |
22 |
175-6774
|
Screw M10-1 1/2 x 20 hex |
$4.49
|
2 |
|
usually ships 1-5 days |
23 |
999-0120
|
Washer 3/8 SAE flat |
$0.99
|
2 |
|
ships same day |
24 |
275-7614
|
Chain (Tennant Industrial) |
$11.17
|
1 |
|
usually ships 1-5 days |
25 |
175-3207
|
Master link |
$5.28
|
1 |
|
usually ships 10-13 days |
26 |
175-3201
|
Flanged bearing |
$6.49
|
1 |
|
usually ships 10-13 days |
27 |
275-7595
|
Support bracket weldment |
$11.11
|
1 |
|
usually ships 1-5 days |
28 |
175-3171
|
Cable clamp |
$5.50
|
1 |
|
usually ships 1-5 days |
29a |
475-4182
|
PANEL ASSY, STEERING POD, CI [T12] |
$2,025.87
|
1 |
(before SN 10713300) |
usually ships 10-13 days |
29b |
275-7615
|
Instrument panel |
$985.93
|
1 |
(after SN 10713299) |
usually ships 1-5 days |
30a |
275-7616
|
Left hand console panel |
$8.25
|
1 |
(before SN 10962736) |
usually ships 1-5 days |
30b |
375-2619
|
Left hand console panel (Tennant Industrial) |
$52.34
|
1 |
(after SN 10962735) |
usually ships 10-13 days |
31a |
275-7617
|
Left hand console decal |
$21.45
|
1 |
(before SN 10962736) |
usually ships 1-5 days |
31b |
375-2620
|
Left hand console operational decal |
$101.53
|
1 |
(after SN 10962735) |
usually ships 10-13 days |
32a |
175-3214
|
Key switch |
$93.28
|
1 |
(includes 32b) |
usually ships 10-13 days |
32b |
175-3215
|
Key (sold individually) |
$15.40
|
1 |
|
ships same day |
33 |
175-3217
|
Washer .91b x 1.38d x .06 steel plated |
$5.28
|
1 |
|
usually ships 10-13 days |
34 |
275-1416
|
Safety shut-off switch |
$43.67
|
1 |
|
ships same day |
35 |
275-7599
|
Rocker switch (Tennant Industrial) |
$47.51
|
1 |
|
usually ships 10-13 days |
36 |
275-7618
|
Right hand console panel |
$8.25
|
1 |
|
usually ships 1-5 days |
37 |
275-7619
|
Right hand console decal |
$21.45
|
1 |
|
usually ships 1-5 days |
38 |
999-0447
|
Screw 6-32 x 1/2 pan head phillips zinc plated |
$0.99
|
10 |
|
ships same day |
39 |
175-2556
|
Switch plug |
$7.37
|
3 |
|
usually ships 10-13 days |
40 |
275-7620
|
Retaining ring (Tennant Industrial) |
$6.67
|
2 |
|
usually ships 1-5 days |
41 |
999-0581
|
Bolt M8-1.25 x 25mm hex head full thread zinc |
$0.99
|
1 |
|
ships same day |
42 |
475-3577
|
Bracket plate weldment |
$77.00
|
1 |
(after SN 10713299) |
usually ships 10-13 days |
43 |
999-1383
|
Screw M6-1 x 16mm hex head stainless steel |
$3.96
|
2 |
(after SN 10713299) |
ships same day |
44 |
275-7602
|
Bracket weldment |
$39.49
|
1 |
(between SN 10713300 and SN 30000000) |
usually ships 1-5 days |