| # | Part | Description | Price | Req | Notes | Availability |
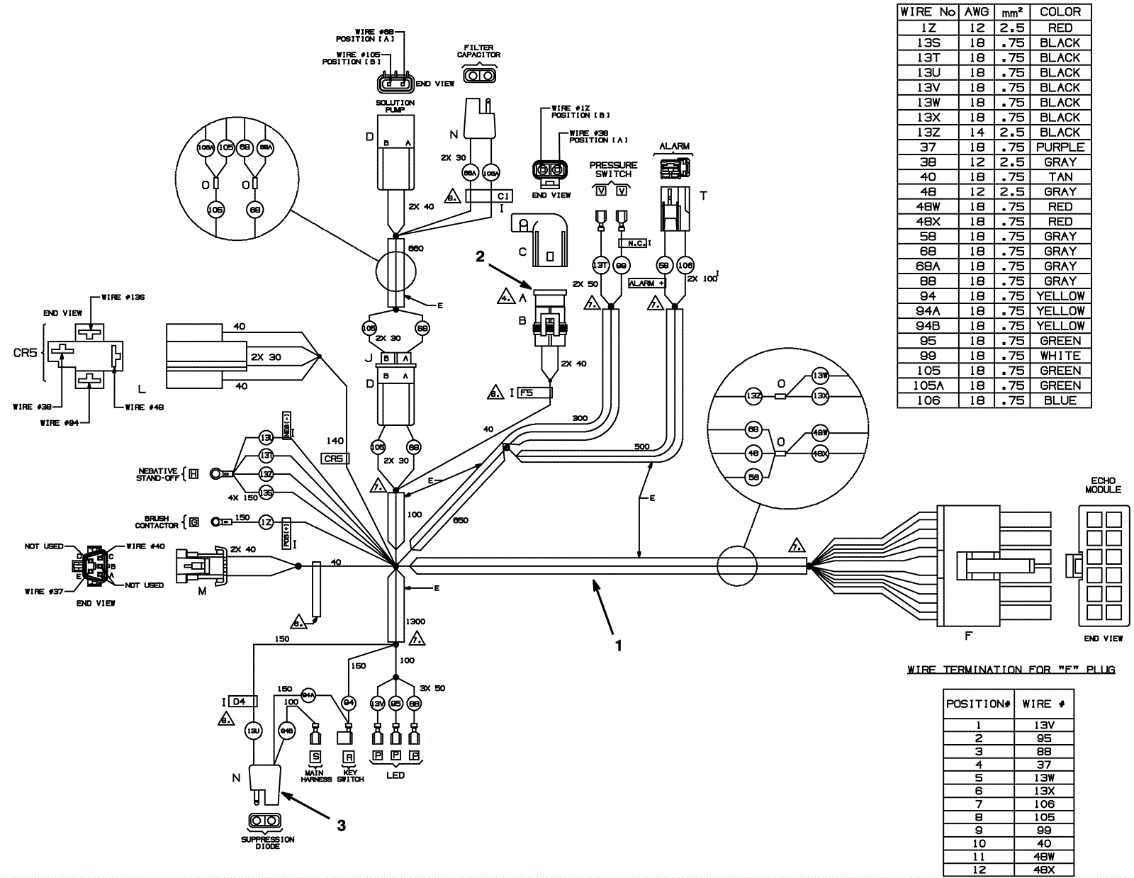
1a |
375-1305
|
ec-H2O Nanoclean wire harness |
$165.99
|
1 |
(after 10720995) (includes 2) |
usually ships 10-13 days |
1b |
275-7552
|
Wire harness assembly ec-H2O |
$293.04
|
1 |
(between SN 10455033 and SN 10740995) (includes 2) |
usually ships 10-13 days |
1c |
275-4726
|
Wire harness assembly ec-H2O |
$146.74
|
1 |
(before SN 10455033) (includes 2) |
usually ships 1-5 days |
2 |
275-5885
|
10amp fuse |
$3.30
|
1 |
|
usually ships 10-13 days |
3 |
175-2216
|
Diode plug |
$14.19
|
1 |
|
usually ships 10-13 days |