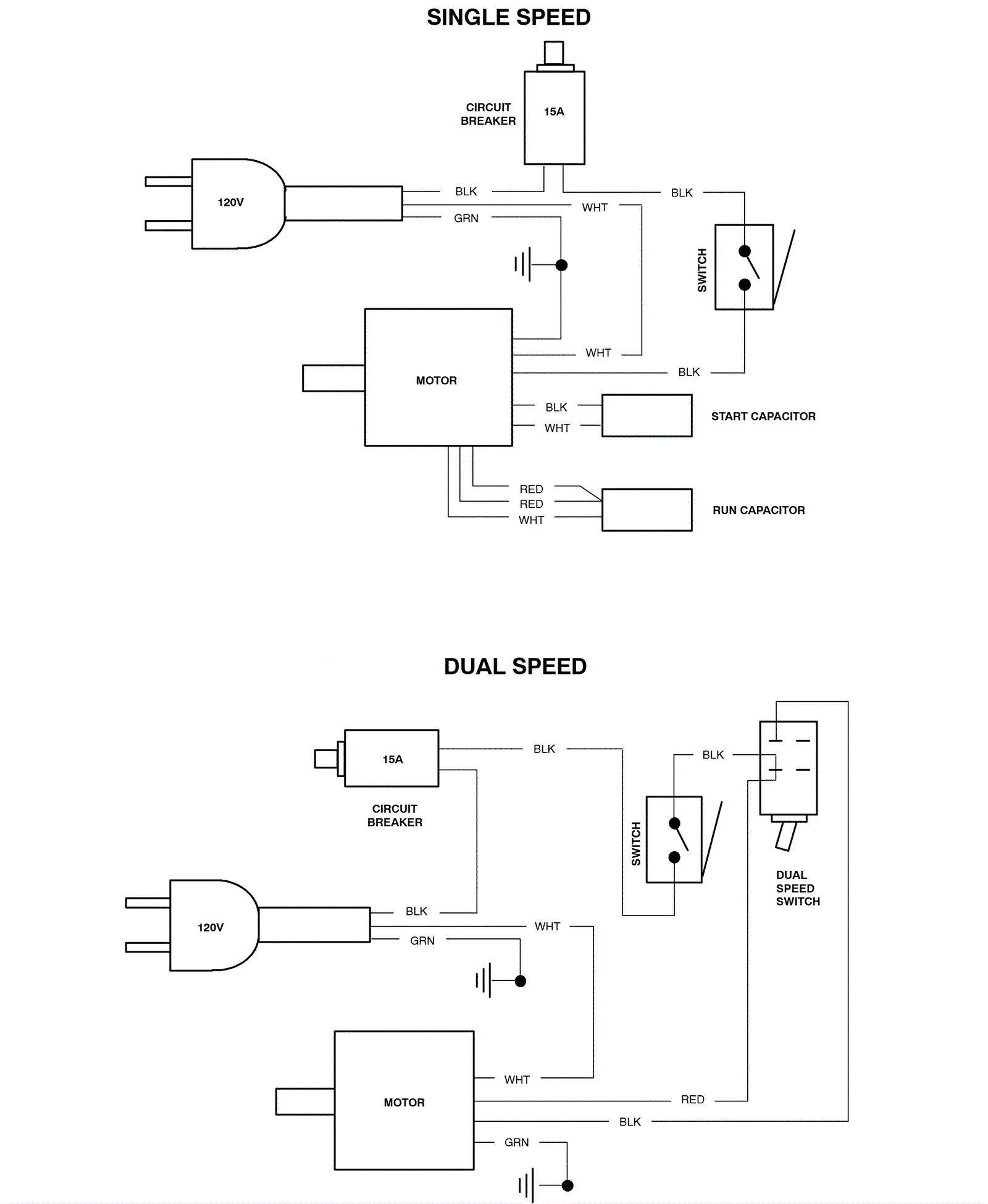
120V Electrical Diagram
Click to enlarge