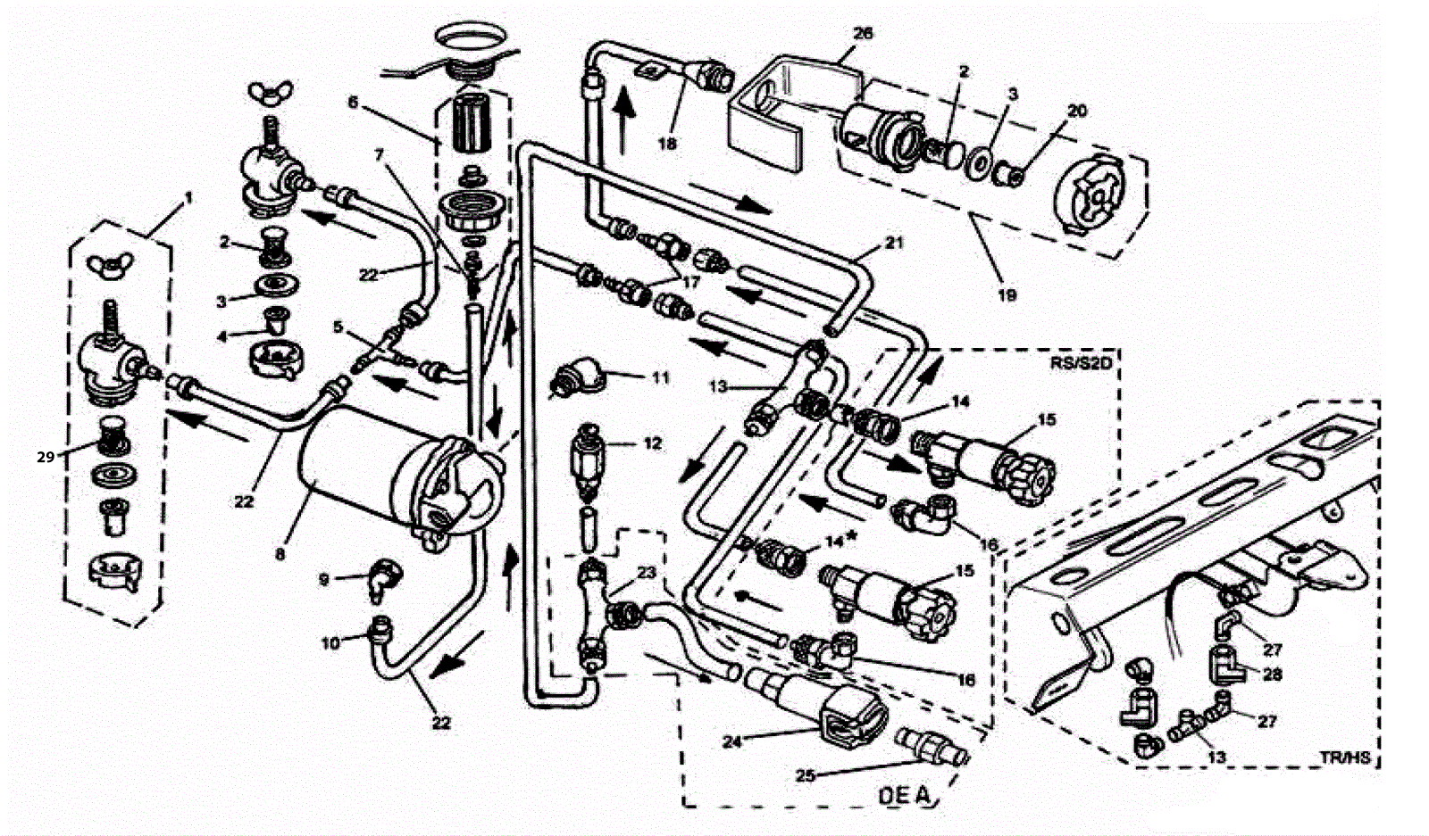
# | Part | Description | Price | Req | Notes | Availability |
1 |
475-6015
|
NOZZLE HOLDER ASSY [FRONT] (Tennant Industrial) |
$124.42
|
2 |
(includes 29) |
usually ships 10-13 days |
2 |
475-5169
|
FILTER - SPRAY NOZZLE R.O. 32100010 [RE (Tennant Industrial |
$41.25
|
3 |
|
usually ships 10-13 days |
3 |
475-5137
|
SEALING DISC [WP108/9] 14-Q1819 (Tennant Industrial) |
$45.26
|
3 |
|
usually ships 10-13 days |
4 |
475-5230
|
SPRAY JET - BRUSH -GREEN DTO.75 (Tennant Industrial) |
$51.77
|
2 |
|
usually ships 10-13 days |
5 |
475-4449
|
WATER HOSE-TEE 3.16X3.16X3.16 AP0418TEE (Tennant Industrial |
$5.00
|
1 |
|
usually ships 10-13 days |
6 |
475-6710
|
DRAIN CAP ASSY SP/ASSY (Tennant Industrial) |
$350.70
|
1 |
|
usually ships 10-13 days |
7 |
475-5550
|
HOSETAIL- 4MM FOR Q.RELEASE BODY (Tennant Industrial) |
$74.48
|
1 |
|
usually ships 10-13 days |
8 |
475-7090
|
PUMP - WATER - ASSY c/w connector (Tennant Industrial) |
$899.13
|
1 |
|
usually ships 10-13 days |
9 |
475-5099
|
ELBOW -[M/M 3/8 NPT] AP080375KM18N (Tennant Industrial) |
$42.42
|
1 |
|
usually ships 10-13 days |
10 |
475-5097
|
O' CLIP - 11 to 13mm O/D HOSE (Tennant Industrial) |
$45.42
|
1 |
|
usually ships 10-13 days |
11 |
475-5168
|
ELBOW - [3/8 M X 3/8 F] AP03375MFE375N (Tennant Industrial) |
$37.41
|
1 |
|
usually ships 10-13 days |
12 |
475-4661
|
COUPLING 3/8'-6/4 TUBE (Tennant Industrial) |
$8.18
|
1 |
|
usually ships 10-13 days |
13 |
475-4955
|
TEE 6 X 4 (Tennant Industrial) |
$19.71
|
1 |
|
usually ships 10-13 days |
14 |
475-4797
|
FEMALE STUD COUP. 1/4 (Tennant Industrial) |
$18.87
|
5 |
|
usually ships 10-13 days |
15 |
475-6417
|
PANEL MOUNTING ELBOW VALVE (Tennant Industrial) |
$178.69
|
2 |
|
usually ships 10-13 days |
16 |
475-4783
|
PARALLEL SWIVEL ELBOW (Tennant Industrial) |
$24.72
|
1 |
|
usually ships 10-13 days |
17a |
475-4623
|
HoseTail 1/4M - 7MM Barb (Tennant Industrial) |
$11.52
|
2 |
|
usually ships 10-13 days |
17b |
475-4797
|
FEMALE STUD COUP. 1/4 (Tennant Industrial) |
$18.87
|
1 |
|
usually ships 10-13 days |
18 |
475-6409
|
SPRAY NOZZLE WELDMENT - HINGED BACK TRUN (Tennant Industrial |
$167.50
|
1 |
|
usually ships 10-13 days |
19 |
475-5941
|
NOZZLE HOLDER ASSY [BAG] (Tennant Industrial) |
$113.06
|
1 |
|
usually ships 10-13 days |
20 |
475-5231
|
SPRAY JET - BLUE (Tennant Industrial) |
$40.08
|
1 |
|
usually ships 10-13 days |
21 |
475-6456
|
NYLON TUBING - BLACK 6MM O/D. 30 MTRE P (Tennant Industrial |
$180.53
|
1 |
|
usually ships 10-13 days |
22 |
475-4642
|
6MM MERCURY AIR HOSE (Tennant Industrial) |
$11.69
|
1 |
|
usually ships 10-13 days |
23 |
475-4955
|
TEE 6 X 4 (Tennant Industrial) |
$19.71
|
1 |
|
usually ships 10-13 days |
24 |
475-5354
|
QUICK REL.COUPLING FEMALE 6X4 PMCD 13-04 (Tennant Industrial |
$35.74
|
1 |
|
usually ships 10-13 days |
25 |
475-5212
|
QUICK REL. NIPPLE. MALE 6 X 4 PMC 20-04 (Tennant Industrial) |
$45.42
|
1 |
|
usually ships 10-13 days |
26 |
475-5648
|
NOZZLE GUARD - PLATED PLT.0.65 (Tennant Industrial) |
$63.63
|
1 |
|
usually ships 10-13 days |
27 |
475-4740
|
PARALLEL SWIVEL ELBOW 6/4 1/4 (Tennant Industrial) |
$18.70
|
4 |
|
usually ships 10-13 days |
28 |
475-5583
|
VALVE-ON/OFF BALL 601112128 (Tennant Industrial) |
$60.29
|
2 |
|
usually ships 10-13 days |
29 |
475-5267
|
FILTER - WATER SYSTEM [BALL CHECK] 32100 (Tennant Industrial |
$43.75
|
1 |
|
usually ships 10-13 days |