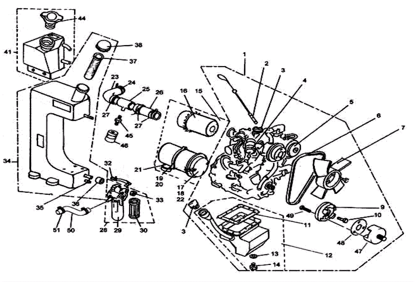
| # | Part | Description | Price | Req | Notes | Availability |
1 |
475-7371
|
ENGINE-SPARES DIESEL (Tennant Industrial) |
$11,692.34
|
1 |
(kubota Z-482E) (includes 2-7, 9-14, 47-49) |
usually ships 10-13 days |
2 |
475-5383
|
DIPSTICK 16853-3641 (Tennant Industrial) |
$48.76
|
1 |
|
usually ships 10-13 days |
3 |
475-5789
|
CAP-OIL FILLER 15852-33140 (Tennant Industrial) |
$72.98
|
2 |
|
usually ships 10-13 days |
4 |
475-7051
|
SOLENOID - FUELSTOP 16851-60014 (Tennant Industrial) |
$840.51
|
1 |
|
usually ships 10-13 days |
5 |
475-7263
|
ALTERNATOR 19844-64010 (Tennant Industrial) |
$1,987.47
|
1 |
|
usually ships 10-13 days |
6 |
475-5928
|
FAN BELT (Tennant Industrial) |
$83.67
|
1 |
(up to CIN 86 only) |
usually ships 10-13 days |
6a |
475-6477
|
FAN BELT - V 16883-9701-1 (Tennant Industrial) |
$186.87
|
1 |
(CIN 87+ only) |
usually ships 10-13 days |
7 |
475-6462
|
FAN 300DIAM. (Tennant Industrial) |
$195.72
|
3 |
(300mm diameter) |
usually ships 10-13 days |
9 |
475-6648
|
ENGINE PULLEY 114 DIA. (Tennant Industrial) |
$248.50
|
1 |
(114 diameter fan drive) |
usually ships 10-13 days |
10 |
475-5046
|
BOLT, MODIFIED - PULLEY (Tennant Industrial) |
$35.24
|
1 |
|
usually ships 10-13 days |
11 |
475-5458
|
GASKET - SUMP 19461-0162-0 (Tennant Industrial) |
$65.80
|
1 |
|
usually ships 10-13 days |
12 |
475-7050
|
SUMP - MODIFIED (Tennant Industrial) |
$806.94
|
1 |
(includes 11-14) |
usually ships 10-13 days |
13 |
475-4562
|
GASKET - SUMP DRAIN PLUG 15451-9667 (Tennant Industrial) |
$5.01
|
1 |
|
usually ships 10-13 days |
14 |
475-4836
|
DRAIN PLUG 16541-33750 (Tennant Industrial) |
$34.74
|
1 |
|
usually ships 10-13 days |
15 |
475-7228
|
AIR CLEANER ASSY 15372-11016 (Tennant Industrial) |
$1,509.85
|
1 |
|
usually ships 10-13 days |
16 |
475-6349
|
ELEMENT AIR [AMERICAN STYLE] 19215-1122 (Tennant Industrial |
$144.46
|
1 |
|
usually ships 10-13 days |
17 |
475-6424
|
AIR FILTER END CAP INHOUSE/PD180 (Tennant Industrial) |
$210.75
|
1 |
|
usually ships 10-13 days |
18 |
475-6186
|
FILTER CAP [INNER] 15221/11410 (Tennant Industrial) |
$127.25
|
1 |
(inner) |
usually ships 10-13 days |
19 |
375-4987
|
Air cleaner band (Tennant Industrial)(OBSOLETE) |
Call for price
|
1 |
|
usually ships 10-13 days |
20 |
475-4817
|
CUSHION-AIR FILTER 15371-1187-0 (Tennant Industrial) |
$14.03
|
1 |
|
usually ships 10-13 days |
21 |
475-5860
|
STRAINER - AIR FILTER INTAKE PAINT=.55 (Tennant Industrial) |
$92.35
|
1 |
|
usually ships 10-13 days |
22 |
475-6076
|
SEALING O RING-AIR CLEANER 15221-11170 (Tennant Industrial) |
$108.88
|
1 |
|
usually ships 10-13 days |
23 |
475-6235
|
INLET PIPE - AIR FILTER 16853-1162-0 (Tennant Industrial) |
$136.94
|
1 |
|
usually ships 10-13 days |
24 |
375-4988
|
Hose clamp (Tennant Industrial) |
$2.80
|
1 |
(55mm) |
usually ships 10-13 days |
25 |
475-5555
|
PIPE - AIR CLEANER PAINT=.55 (Tennant Industrial) |
$62.46
|
1 |
(air cleaner) |
usually ships 10-13 days |
26 |
475-5330
|
HOSE ASSY- AIR CLEANER SP/ASSY (Tennant Industrial) |
$34.90
|
1 |
|
usually ships 10-13 days |
27 |
475-4474
|
JUBILEE CLIP 35 to 50 50MM (Tennant Industrial) |
$4.00
|
3 |
(50mm) |
usually ships 10-13 days |
28 |
475-6714
|
FUEL FILTER ASSY 15393-43017 EXCESS FROM (Tennant Industrial |
$289.24
|
1 |
(includes 29,30,33) |
usually ships 10-13 days |
29 |
475-6058
|
BOWL-FUEL FILTER (Tennant Industrial) |
$101.20
|
1 |
|
usually ships 10-13 days |
30 |
475-5516
|
FUEL FILTER ELEMENT 15231-4356 (Tennant Industrial) |
$56.11
|
1 |
|
usually ships 10-13 days |
32 |
475-4932
|
FUEL PIPE ASSY 16266-4202-0 (Tennant Industrial) |
$27.22
|
1 |
|
usually ships 10-13 days |
33 |
475-5027
|
NUT, NYLOC - M8 ZINC PLATED ZINC PLATED (Tennant Industrial) |
$33.07
|
1 |
|
usually ships 10-13 days |
34 |
475-7008
|
DIESEL TANK COMPLETE (Tennant Industrial) |
$389.78
|
1 |
|
usually ships 10-13 days |
35 |
475-5268
|
HoseTail 1/4BSP-3/8' Barb (Tennant Industrial) |
$41.92
|
1 |
(includes 35-38) |
usually ships 10-13 days |
36 |
475-4833
|
SPACER (Tennant Industrial) |
$14.53
|
1 |
|
usually ships 10-13 days |
37 |
475-5791
|
STRAINER - FUEL TANK (Tennant Industrial) |
$80.16
|
1 |
|
usually ships 10-13 days |
38 |
475-5903
|
CAP - DIESEL TANK (Tennant Industrial) |
$89.35
|
1 |
|
usually ships 10-13 days |
41 |
475-6825
|
TANK - HEADER (Tennant Industrial) |
$415.83
|
1 |
(screw-on style) |
usually ships 10-13 days |
44 |
475-5760
|
CAP-RADIATOR (Tennant Industrial) |
$89.68
|
1 |
|
usually ships 10-13 days |
45 |
475-4729
|
NIPPLE - FILTER MINDER (Tennant Industrial) |
$10.19
|
1 |
|
usually ships 10-13 days |
46 |
475-5716
|
FILTER MINDER - UNSWITCHED (Tennant Industrial) |
$67.47
|
1 |
(includes 44) |
usually ships 10-13 days |
47 |
475-6608
|
COUPLING DRIVE ASSEMBLY 28/38 SPECIAL AP (Tennant Industrial |
$242.48
|
1 |
|
usually ships 10-13 days |
48 |
475-5346
|
SPACER - ENG PULLEY / DRIVE CPLG (Tennant Industrial) |
$46.43
|
1 |
|
usually ships 10-13 days |
49 |
475-4367
|
SCREW - M6 X 20 SKT CAP 12.9 GRADE (Tennant Industrial) |
$3.00
|
3 |
|
usually ships 10-13 days |
50 |
475-5344
|
HOSE - FUEL TANK TO FILTER BSAU108 8MM I (Tennant Industrial |
$49.77
|
1 |
|
usually ships 10-13 days |
51 |
475-4592
|
JUBILEE CLIP - 15mm (Tennant Industrial) |
$9.02
|
2 |
(16mm) |
usually ships 10-13 days |