| # | Part | Description | Price | Req | Notes | Availability |
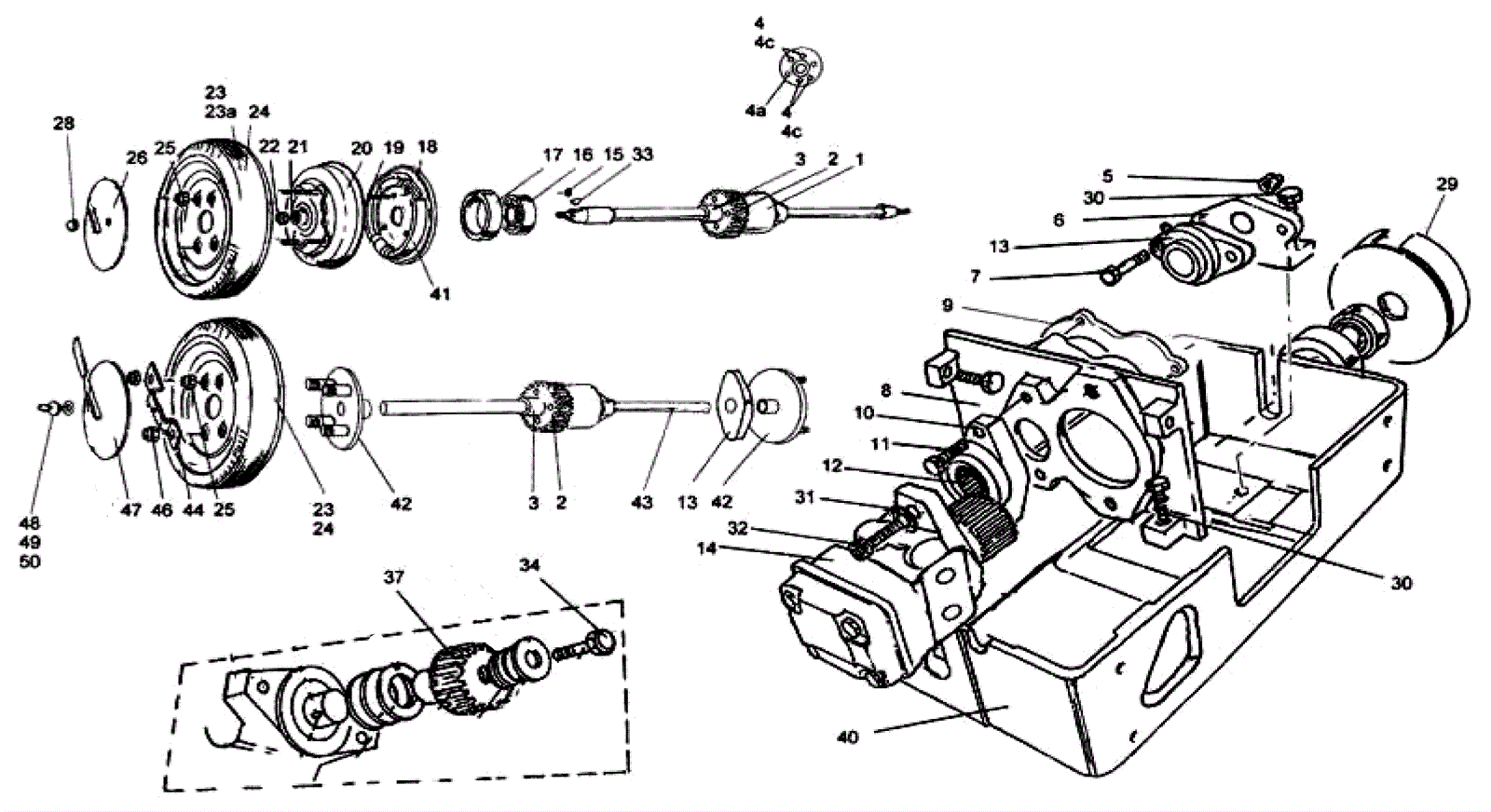
1 |
475-7108
|
DIFF ASSY C/W SLEEVE (Tennant Industrial) |
$1,081.16
|
1 |
|
usually ships 10-13 days |
1a |
475-7322
|
DIFF/AXLE ASSEMBLY - DRESSED - RS (Tennant Industrial) |
$4,358.70
|
1 |
(414RS and 424TR) |
usually ships 10-13 days |
1b |
475-7279
|
DIFFERENTIAL ASSY, W/ SLEEVES (Tennant Industrial) |
$2,481.62
|
1 |
|
usually ships 10-13 days |
2 |
475-6908
|
DRIVE GEAR AND BOLT KIT (Tennant Industrial) |
$543.08
|
1 |
|
usually ships 10-13 days |
3 |
475-6014
|
RING - INNER (Tennant Industrial) |
$131.76
|
1 |
|
usually ships 10-13 days |
4 |
475-4593
|
BOLT 5/16 UNF x 3.3/4 HEX SAE 8 (Tennant Industrial) |
$9.52
|
4 |
|
usually ships 10-13 days |
4a |
375-4948
|
Bolt 5/16x2 inch hex head SAE(Tennant Industrial)(OBSOLETE) |
Call for price
|
2 |
|
usually ships 10-13 days |
4c |
375-4949
|
5/16 washer (Tennant Industrial) |
Call for price
|
4 |
|
usually ships 10-13 days |
5 |
475-5029
|
NUT, NYLOC - M10 - ZN PTD 500E (Tennant Industrial) |
$43.92
|
2 |
|
usually ships 10-13 days |
6 |
475-5817
|
BEARING BRACKET - MACHINED (Tennant Industrial) |
$77.99
|
1 |
|
usually ships 10-13 days |
7 |
475-4350
|
SCREW, HEX HD SET M10 X 40 (Tennant Industrial) |
$19.21
|
2 |
|
usually ships 10-13 days |
8 |
475-6975
|
CROSS BRACE - CHASSIS RC033 (Tennant Industrial) |
$623.41
|
1 |
(from CIN 85) |
usually ships 10-13 days |
9 |
475-4949
|
GEAR COVER, FORMED - CROSS BRACE (Tennant Industrial) |
$28.06
|
1 |
|
usually ships 10-13 days |
10 |
475-6434
|
BEARING HOUSING MACHINED (Tennant Industrial) |
$178.52
|
1 |
|
usually ships 10-13 days |
11 |
999-1900
|
Screw M8-1.25 x 25mm socket hex head zinc finish |
$0.99
|
2 |
|
ships same day |
12 |
475-5974
|
BEARING, SEALED SHELL NEEDLE - 1.25 ID C (Tennant Industrial |
$102.54
|
1 |
|
usually ships 10-13 days |
13 |
475-6500
|
BEARING UNIT, SELF ALIGNING - 1 inch SELF- (Tennant Industri |
$195.06
|
1 |
|
usually ships 10-13 days |
14 |
475-7221
|
DRIVE MOTOR - EATON T50 (Tennant Industrial) |
$2,088.67
|
1 |
(414S2D, 414RS) |
usually ships 10-13 days |
14a |
475-7212
|
DRIVE MOTOR - EATON T60 T060AJAS 158-338 (Tennant Industrial |
$1,833.99
|
1 |
|
usually ships 10-13 days |
15 |
475-5027
|
NUT, NYLOC - M8 ZINC PLATED ZINC PLATED (Tennant Industrial) |
$33.07
|
6 |
|
usually ships 10-13 days |
16 |
475-7160
|
BEARING ASSY, OUTER [400 AXLE] (Tennant Industrial) |
$1,103.70
|
2 |
|
usually ships 10-13 days |
17 |
475-7160
|
BEARING ASSY, OUTER [400 AXLE] (Tennant Industrial) |
$1,103.70
|
1 |
|
usually ships 10-13 days |
18 |
475-6991
|
BRAKE - BACKPLATE 104C R/H MOD MOD.= 26. (Tennant Industrial |
$610.05
|
1 |
|
usually ships 10-13 days |
19 |
475-4310
|
M8 X 45 H.T. CAP SCREW PLATED PLATED (Tennant Industrial) |
$1.60
|
6 |
|
usually ships 10-13 days |
20 |
375-4951
|
Brake drum (Tennant Industrial) |
$539.88
|
2 |
|
usually ships 10-13 days |
21 |
475-5579
|
Washer - 36 O/D x 12.7 I/D (Tennant Industrial) |
$62.79
|
2 |
|
usually ships 10-13 days |
22 |
475-5077
|
NUT, PHILIDAS MK V - M12 (Tennant Industrial) |
$35.24
|
2 |
|
usually ships 10-13 days |
23 |
475-6572
|
WHEEL AND TYRE - PNEUMATIC(400 x 8) (Tennant Industrial) |
$239.31
|
2 |
(414S2D/RS/424TR) |
usually ships 10-13 days |
23a |
475-7130
|
WHEEL ASSEMBLY - 5.00 x 8 (Tennant Industrial) |
$944.39
|
2 |
(424HS) |
usually ships 10-13 days |
24 |
475-6572
|
WHEEL AND TYRE - PNEUMATIC(400 x 8) (Tennant Industrial) |
$239.31
|
2 |
(414S2D/RS/424TR) |
usually ships 10-13 days |
25 |
475-4501
|
NUT-WHEEL-3/8'UNF PLATED WR020 (Tennant Industrial) |
$5.51
|
8 |
|
usually ships 10-13 days |
26 |
475-5210
|
WHEEL COVER - RS/TR/HS (Tennant Industrial) |
$30.06
|
2 |
|
usually ships 10-13 days |
28 |
475-4455
|
NUT, DOME - M12 - ZN PTD (Tennant Industrial) |
$5.00
|
2 |
|
usually ships 10-13 days |
29 |
475-6986
|
BRAKE - BACKPLATE 105C L/H MOD (Tennant Industrial) |
$508.68
|
1 |
|
usually ships 10-13 days |
30 |
475-4349
|
M10 X 25 - HEX SET PTD GRADE 8.8 (Tennant Industrial) |
$3.00
|
6 |
|
usually ships 10-13 days |
31 |
475-5089
|
M12 WASHER - SERRATED LOCK S12 - ZINC PL (Tennant Industrial |
$34.57
|
2 |
|
usually ships 10-13 days |
32 |
475-4460
|
SCREW, CAP HEAD SOCKET- M12 x 40 Z (Tennant Industrial |
$5.00
|
2 |
|
usually ships 10-13 days |
33 |
475-5164
|
KEY - WOODRUFF [CHASSIS] 4MMX16MM (Tennant Industrial) |
$53.11
|
2 |
|
usually ships 10-13 days |
34 |
999-1900
|
Screw M8-1.25 x 25mm socket hex head zinc finish |
$0.99
|
1 |
|
ships same day |
37 |
475-6639
|
GEAR - PINION (Tennant Industrial) |
$275.55
|
1 |
|
usually ships 10-13 days |
40 |
375-4952
|
Steel chassis (Tennant Industrial)(OBSOLETE) |
Call for price
|
1 |
|
usually ships 10-13 days |
41 |
475-6835
|
BRAKE SHOE - FOUR PER KIT LSG1415/1 (Tennant Industrial) |
$478.12
|
1 |
|
usually ships 10-13 days |
42 |
475-6204
|
WHEEL HUB - WELDMENT (Tennant Industrial) |
$126.42
|
2 |
|
usually ships 10-13 days |
43 |
475-7121
|
DIFF - CUT TO LENGTH - S2D (Tennant Industrial) |
$1,074.14
|
1 |
|
usually ships 10-13 days |
44 |
475-5362
|
WHEEL COVER BRACKET PAINT=.65 (Tennant Industrial) |
$36.07
|
2 |
|
usually ships 10-13 days |
46 |
475-4327
|
NUT, NYLOC - 3/8 UNF ZINC PLATED 500E (Tennant Industrial) |
$3.00
|
4 |
|
usually ships 10-13 days |
47 |
475-5815
|
WHEEL COVER - S2D (Tennant Industrial) |
$73.65
|
2 |
|
usually ships 10-13 days |
48 |
275-7506
|
Plastic retainer (TENNANT INDUSTRIAL) |
$48.60
|
4 |
|
usually ships 1-5 days |
49 |
475-4669
|
RING HEAD STUD - BLACK 14MM 316-414-191 (Tennant Industrial) |
$35.24
|
2 |
|
usually ships 10-13 days |
50 |
275-7499
|
Steel retainer (TENNANT INDUSTRIAL) |
$48.60
|
2 |
|
usually ships 1-5 days |
N/S |
275-7498
|
Receptacle (TENNANT INDUSTRIAL) |
$35.91
|
2 |
|
usually ships 1-5 days |