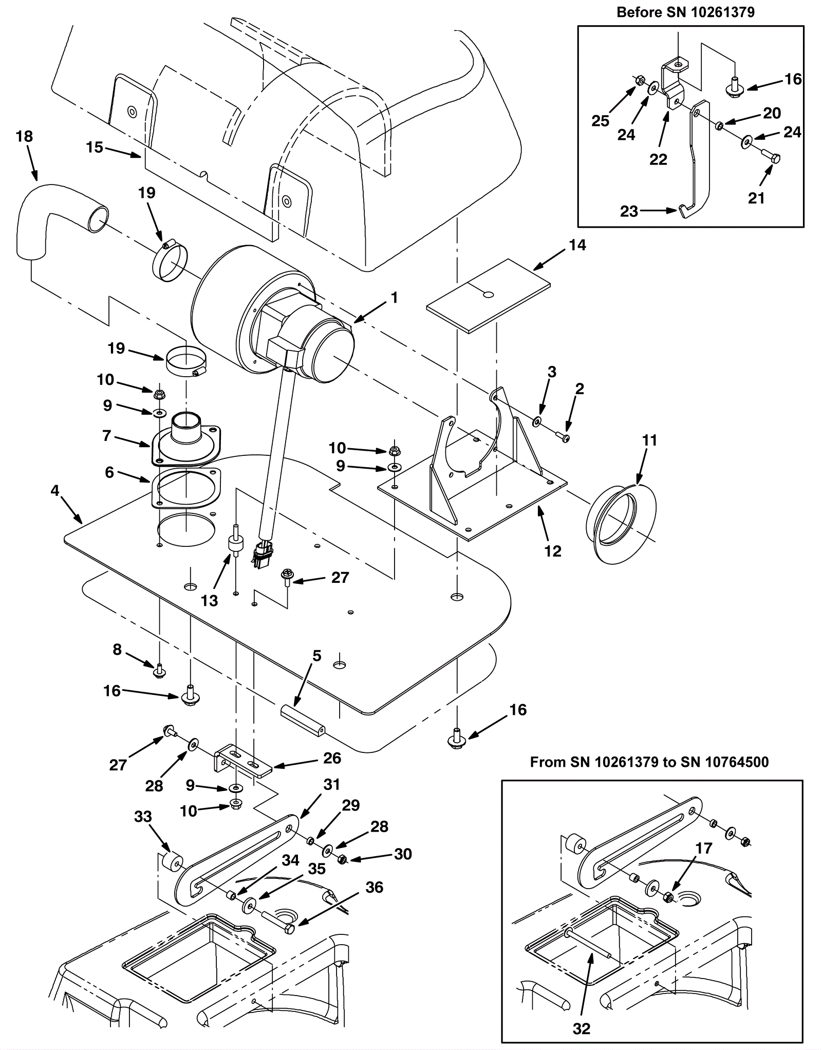
| # | Part | Description | Price | Req | Notes | Availability |
1a |
275-8003
|
24V 3 stage vacuum motor |
$242.98
|
1 |
(OEM) |
usually ships 14-22 days |
1b |
991-1253-D
|
24V 3 stage vacuum motor peripheral w/ intake & Delphi plug |
$215.79
|
1 |
(NON-OEM) |
usually ships 3-7 days |
2 |
275-8168
|
Screw M5 x 16mm pan head |
$4.36
|
4 |
|
ships same day |
3 |
999-0006
|
Washer 3/16 flat zinc plated |
$0.99
|
4 |
|
ships same day |
4 |
275-8169
|
Mounting plate |
$123.31
|
1 |
|
usually ships 10-13 days |
5 |
275-8049
|
Seal |
$19.47
|
1 |
|
ships same day |
6 |
275-8170
|
Adaptor gasket |
$5.50
|
1 |
|
usually ships 10-13 days |
7 |
275-8171
|
Hose adaptor |
$11.22
|
1 |
|
usually ships 10-13 days |
8 |
999-1383
|
Screw M6-1 x 16mm hex head stainless steel |
$3.96
|
2 |
|
ships same day |
9 |
999-0335
|
Washer 1/4 x 5/8 SAE flat stainless steel |
$0.99
|
9 |
|
ships same day |
10 |
999-6694
|
Nut M6-1 hex serrated flange stainless steel |
$0.99
|
9 |
|
ships same day |
11 |
275-8172
|
Motor seal |
$10.89
|
1 |
|
ships same day |
12 |
275-8173
|
Mounting bracket |
$123.31
|
1 |
|
ships same day |
13 |
675-9898
|
Vibration isolator |
$13.75
|
3 |
|
ships same day |
14a |
275-9396
|
Insulation kit |
$70.07
|
1 |
(includes 14b-15) |
ships same day |
14b |
275-9397
|
Motor insulation |
$7.04
|
1 |
|
ships same day |
15 |
275-9398
|
Motor insulation |
$16.95
|
1 |
|
ships same day |
16 |
275-4736
|
Screw M8-1.25 x 20mm hex washer head stainless steel SEMS |
$4.49
|
4 |
|
ships same day |
17 |
999-0152
|
Nut 1/4-20 nylon insert lock zinc plated |
$0.99
|
1 |
(between SN 10261379 and SN 10764500) |
ships same day |
18 |
275-8176
|
Vacuum motor exhaust hose 1 1/2 x 8 inch |
$15.40
|
1 |
|
usually ships 10-13 days |
19 |
997-2000
|
Hose clamp |
$2.37
|
2 |
|
ships same day |
20 |
175-0777
|
P/M sleeve |
$5.50
|
1 |
(before SN 10261379) |
usually ships 10-13 days |
21 |
999-1312
|
Screw M6-1 x 20mm hex head stainless steel |
$0.99
|
1 |
(before SN 10261379) |
ships same day |
22 |
275-8174
|
Bracket (OBSOLETE) |
$16.72
|
1 |
(before SN 10261379) |
usually ships 1-5 days |
23 |
275-8175
|
Mounting plate (OBSOLETE) |
$18.48
|
1 |
(before SN 10261379) |
usually ships 10-13 days |
24 |
999-0335
|
Washer 1/4 x 5/8 SAE flat stainless steel |
$0.99
|
2 |
(before SN 10261379) |
ships same day |
25 |
999-0497
|
Nut M6-1 nylon insert lock stainless steel |
$0.99
|
1 |
(before SN 10261379) |
ships same day |
26 |
275-9399
|
Bracket |
$69.19
|
1 |
(after SN 10261378) |
usually ships 10-13 days |
27 |
999-1383
|
Screw M6-1 x 16mm hex head stainless steel |
$3.96
|
2 |
(after SN 10261378) |
ships same day |
28 |
999-0335
|
Washer 1/4 x 5/8 SAE flat stainless steel |
$0.99
|
2 |
(after SN 10261378) |
ships same day |
29 |
175-0777
|
P/M sleeve |
$5.50
|
1 |
(after SN 10261378) |
usually ships 10-13 days |
30 |
999-0497
|
Nut M6-1 nylon insert lock stainless steel |
$0.99
|
1 |
(after SN 10261378) |
ships same day |
31 |
275-9400
|
Bracket arm |
$41.03
|
1 |
(after SN 10261378) |
usually ships 10-13 days |
32 |
275-9401
|
Screw 1/4-20 x 3 truss head phillips stainless steel |
$3.30
|
1 |
(between SN 10261379 and SN 10764500) |
usually ships 10-13 days |
33 |
175-6685
|
Spacer |
$4.49
|
1 |
(after SN 10261378) |
usually ships 10-13 days |
34 |
175-0152
|
Spacer |
$5.15
|
1 |
(after SN 10261378) |
usually ships 10-13 days |
35 |
175-1097
|
Washer flat stainless steel |
$5.50
|
1 |
(after SN 10261378) |
usually ships 10-13 days |
36a |
175-0758
|
Bolt M6-1 x 40mm hex head stainless steel |
$4.49
|
1 |
(after SN 10764500) (speed scrub ride) |
usually ships 1-5 days |
36b |
175-0574
|
Bolt 6mm-1 x 35 hex head |
$4.49
|
1 |
(after SN 10764500) (T7) |
usually ships 10-13 days |