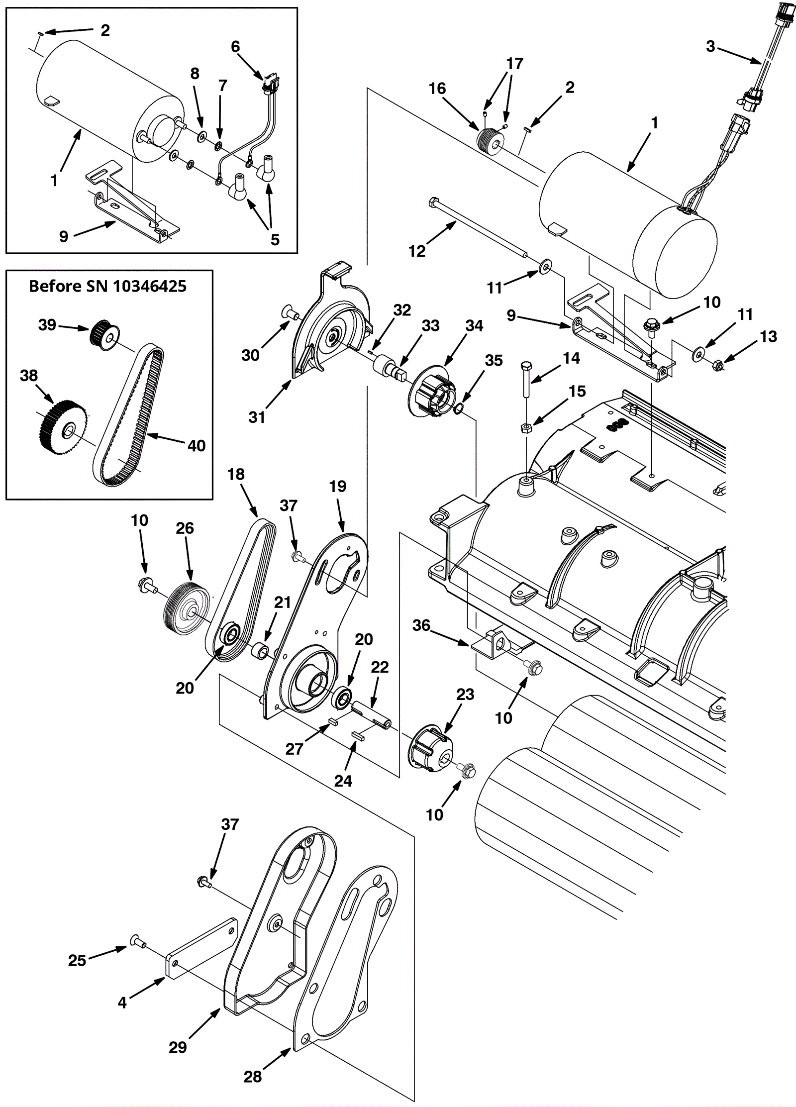
| # | Part | Description | Price | Req | Notes | Availability |
1b |
275-9381
|
24V brush motor kit |
$948.86
|
1 |
(before SN 10415584) (includes 2) |
usually ships 1-5 days |
1c |
275-5306
|
Carbon brush (pkg of 4) |
$108.68
|
1 |
(after SN 10415583) |
ships same day |
2 |
175-4202
|
Square keyway |
$5.28
|
1 |
|
usually ships 10-13 days |
4 |
275-9384
|
Plate |
$48.40
|
1 |
|
usually ships 10-13 days |
5a |
175-8682
|
Terminal boot (black) |
$5.50
|
1 |
(before SN 10415584) |
usually ships 1-5 days |
5b |
175-8681
|
Terminal boot (red) (OBSOLETE) |
$1.85
|
1 |
(before SN 1415584) |
usually ships 10-13 days |
6 |
275-9383
|
Motor adapter harness |
$17.16
|
1 |
(before SN 10415584) |
ships same day |
7 |
999-1053
|
Washer 5/16 internal star lock stainless steel |
$0.99
|
2 |
(before SN 10415584) |
ships same day |
8 |
999-0024
|
Washer 5/16 flat stainless steel |
$1.34
|
2 |
(before SN 10415584) |
ships same day |
9 |
275-5308
|
Motor mounting bracket |
$48.40
|
1 |
|
usually ships 1-5 days |
10 |
275-4736
|
Screw M8-1.25 x 20mm hex washer head stainless steel SEMS |
$4.49
|
8 |
|
ships same day |
11 |
999-0355
|
Washer 3/8 x 7/8 SAE flat stainless steel |
$0.99
|
2 |
|
ships same day |
12 |
275-1494
|
Screw M8-1.25 x 180mm hex head stainless steel |
$14.85
|
1 |
|
usually ships 10-13 days |
13 |
999-0496
|
Nut M8-1.25 nylon insert lock stainless steel |
$1.98
|
1 |
|
ships same day |
14 |
999-1692
|
Screw M8-1.25 x 50mm hex stainless steel |
$3.28
|
1 |
|
ships same day |
15 |
999-1424
|
Nut M8-1.25 hex stainless steel |
$1.65
|
1 |
|
ships same day |
16 |
275-4738
|
Sheave |
$93.50
|
1 |
(after SN 10346424) |
usually ships 10-13 days |
17 |
999-0431
|
Screw 8-32 x 1/4 set socket cup point alloy plain finish |
$0.99
|
2 |
|
ships same day |
18 |
275-4735
|
Drive belt |
$37.62
|
1 |
(after SN 10346424) |
usually ships 10-13 days |
19 |
275-1491
|
Motor bracket |
$249.81
|
1 |
|
usually ships 10-13 days |
20 |
175-2471
|
Ball bearing |
$20.68
|
2 |
|
ships same day |
21 |
175-8820
|
Spacer |
$17.16
|
1 |
|
usually ships 10-13 days |
22 |
275-1492
|
Drive shaft |
$155.32
|
1 |
|
usually ships 10-13 days |
23 |
175-8819
|
Drive plug |
$59.84
|
1 |
|
usually ships 10-13 days |
24 |
175-8818
|
Square keyway |
$4.49
|
1 |
|
usually ships 10-13 days |
25 |
999-1324
|
Screw M8-1.25 x 20mm flat head stainless steel |
$0.99
|
2 |
|
ships same day |
26 |
275-4737
|
Sheave |
$122.10
|
1 |
(after SN 10346424) |
usually ships 10-13 days |
27 |
275-1489
|
KEY, SQ, 0.19 X 0.19, 0.50L (Tennant Industrial) |
$6.67
|
1 |
|
usually ships 10-13 days |
28 |
275-1490
|
Belt cover gasket |
$11.99
|
1 |
|
usually ships 10-13 days |
29 |
275-1487
|
Belt cover |
$83.60
|
1 |
|
usually ships 10-13 days |
30a |
275-6281
|
Cylindrical head door assembly |
$147.62
|
1 |
(includes 30b -35) |
usually ships 10-13 days |
30b |
175-2863
|
Screw M10-1.5 x 20mm flat head stainless steel nylok |
$5.28
|
1 |
|
usually ships 10-13 days |
31 |
175-2474
|
Brush door |
$57.86
|
1 |
|
ships same day |
32a |
175-2475
|
Idler plug assembly |
$117.26
|
1 |
(includes 32b-35) |
usually ships 10-13 days |
32b |
175-2477
|
Roll pin |
$3.30
|
1 |
|
usually ships 10-13 days |
33 |
175-2476
|
Idler plug shaft |
$79.97
|
1 |
|
usually ships 10-13 days |
34 |
175-2478
|
Brush idler plug |
$31.02
|
1 |
|
ships same day |
35 |
175-2472
|
Retaining ring |
$3.30
|
1 |
|
usually ships 10-13 days |
36 |
275-1497
|
Water deflector |
$52.58
|
2 |
(right) |
usually ships 10-13 days |
37 |
999-1383
|
Screw M6-1 x 16mm hex head stainless steel |
$3.96
|
4 |
|
ships same day |
38 |
175-8817
|
Belt kit (belts, square keyways and hardware) |
$169.07
|
1 |
(before SN 10346425) |
usually ships 10-13 days |
39 |
175-2465
|
Drive sprocket |
$74.25
|
1 |
(before SN 10346425) |
usually ships 10-13 days |
40 |
175-8816
|
Belt |
$96.80
|
1 |
(before SN 10346425) |
ships same day |