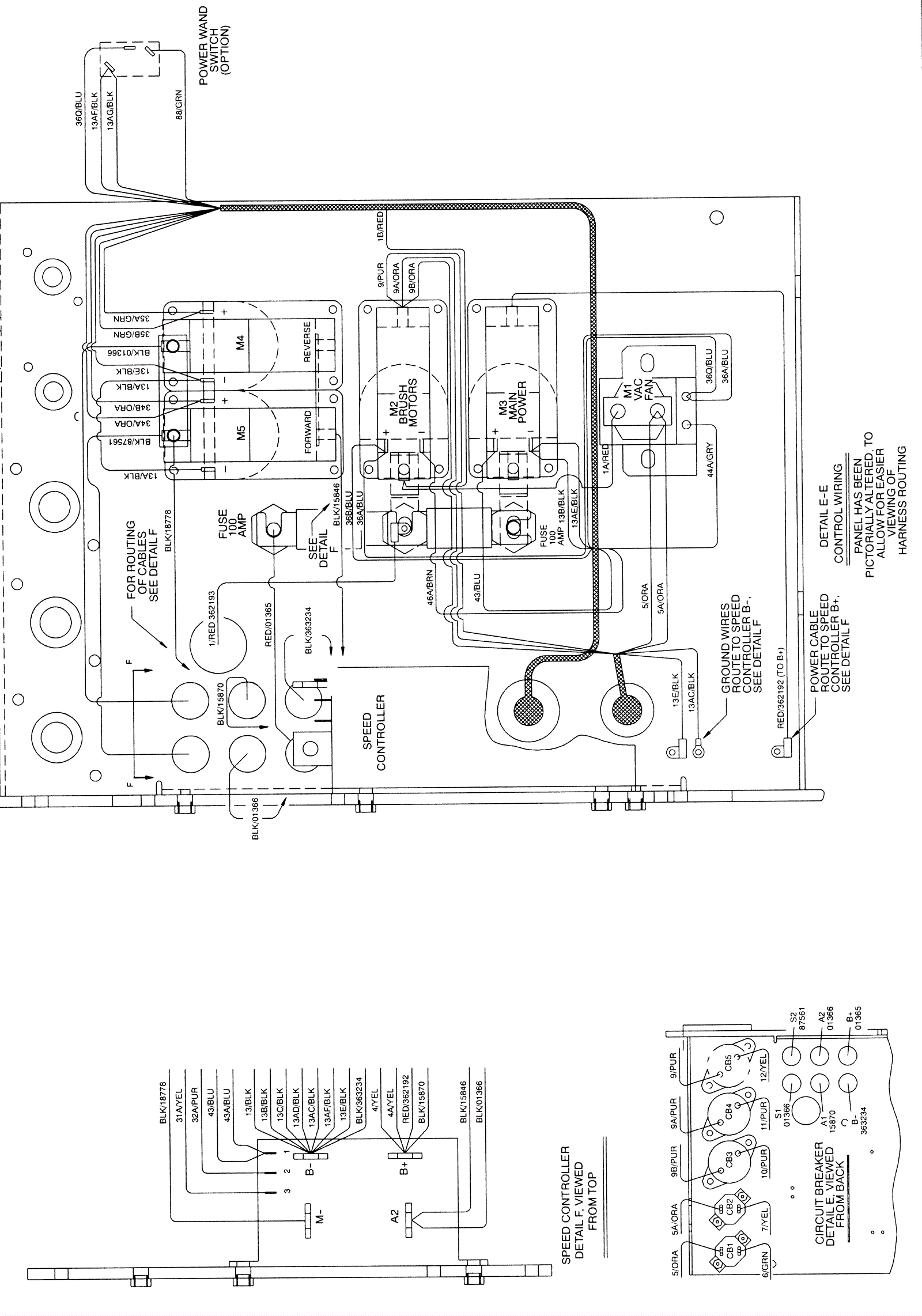
Wire Harness Group 2
Click to enlarge