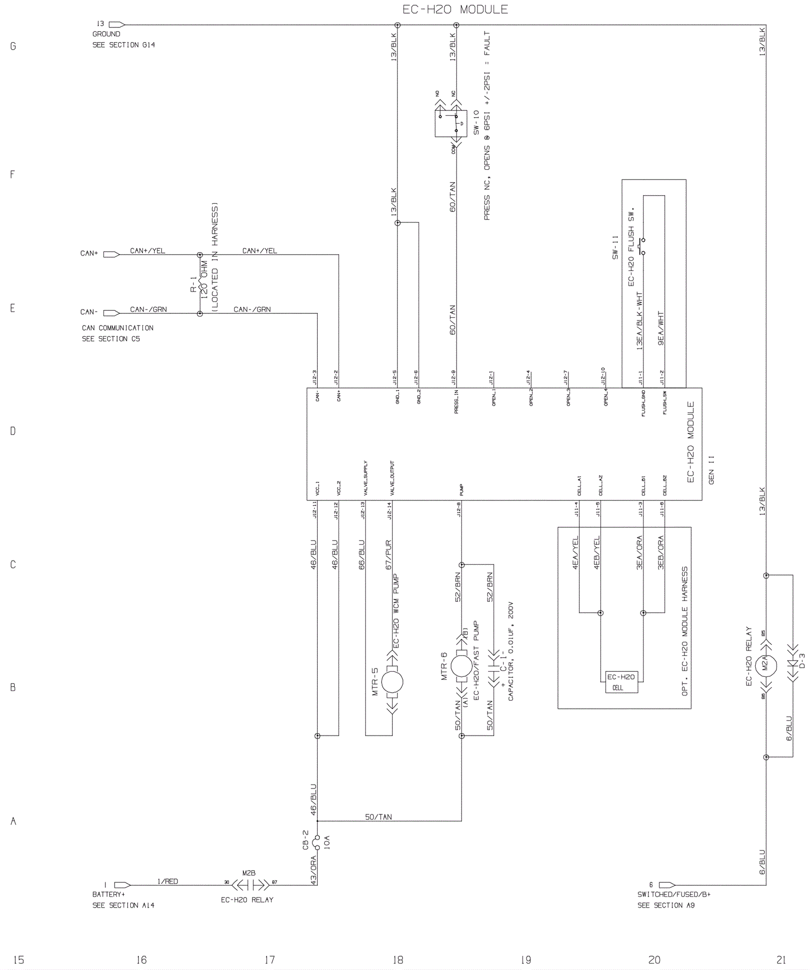
Wiring Diagram - Push Model - 3
Click to enlarge