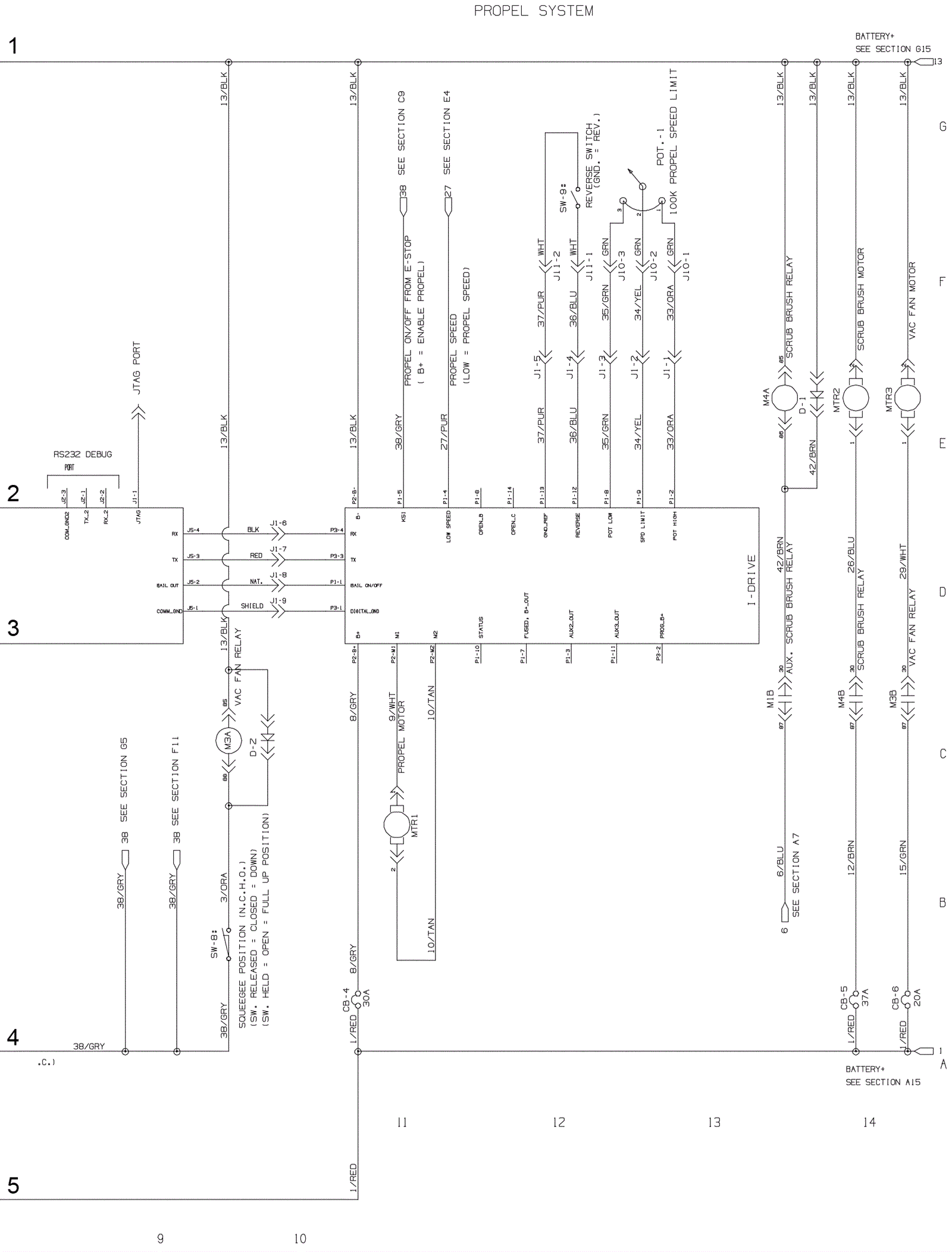
Wiring Diagram - Propel Model - 2
Click to enlarge