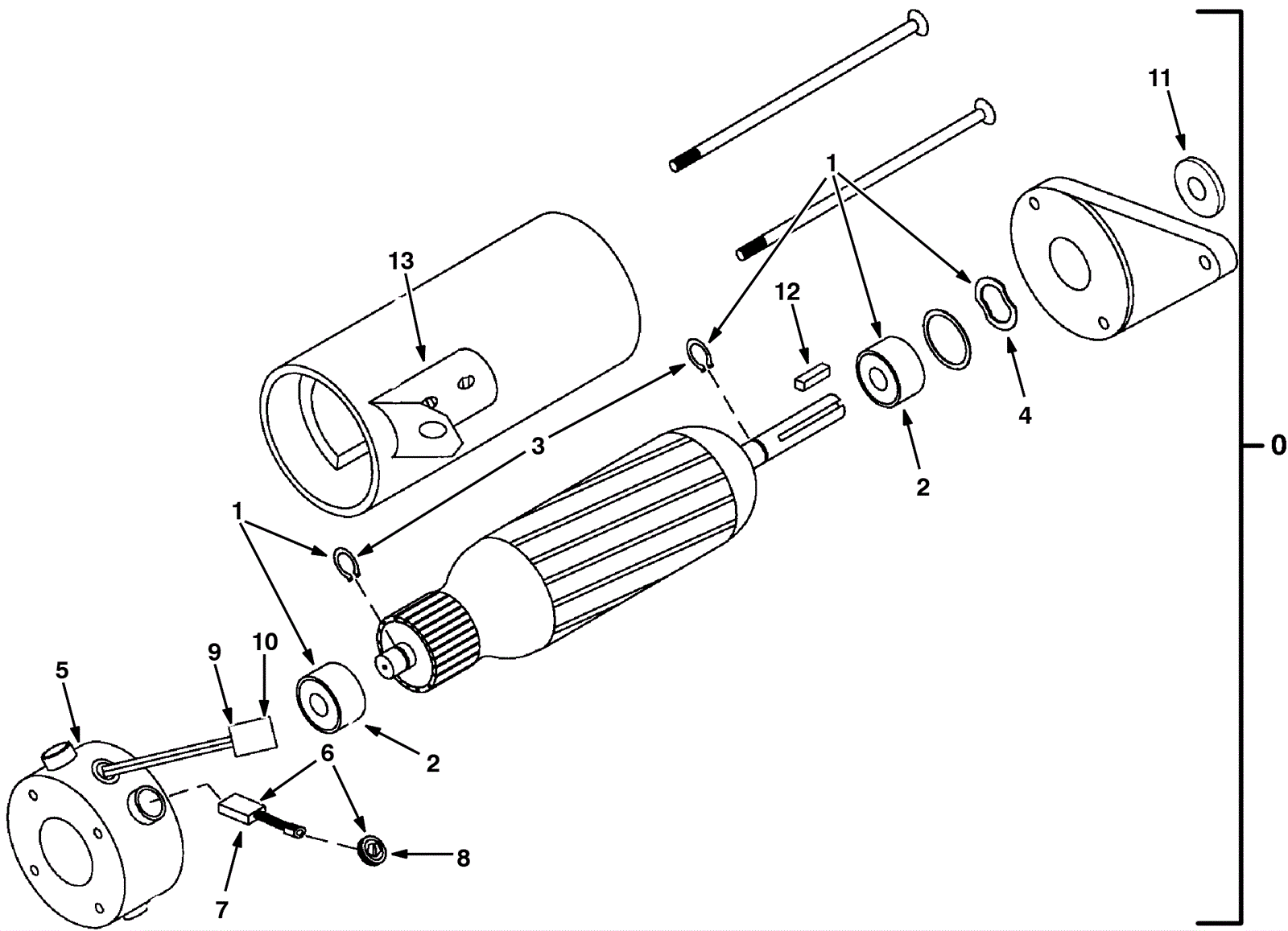
| # | Part | Description | Price | Req | Notes | Availability |
0 |
175-2056
|
Brush motor assembly |
$1,097.91
|
1 |
(includes 1-13) |
ships same day |
1 |
N/A
|
Not available |
Call for price
|
1 |
(includes 2-4) (motor ring kit) |
usually ships 3-26 days |
2 |
175-5359
|
Bearing (OBSOLETE) |
$20.24
|
2 |
|
usually ships 1-5 days |
3 |
175-5360
|
Snap ring |
$3.17
|
2 |
|
usually ships 1-5 days |
4 |
275-0191
|
Electric motor wavy washer |
$5.61
|
1 |
|
usually ships 1-5 days |
5 |
175-5364
|
Electric motor brush end endbell (OBSOLETE) |
$265.87
|
1 |
(includes 6-8) |
usually ships 10-13 days |
6 |
175-5366
|
Carbon brush kit (pkg of 4) (OBSOLETE) |
$91.52
|
1 |
|
usually ships 10-13 days |
7 |
175-5366
|
Carbon brush kit (pkg of 4) (OBSOLETE) |
$91.52
|
1 |
|
usually ships 10-13 days |
8 |
175-5368
|
Brush holder cap |
$26.29
|
1 |
|
usually ships 10-13 days |
9 |
175-5293
|
Female connector |
$11.00
|
1 |
|
ships same day |
10 |
175-5365
|
Female terminal |
$2.18
|
1 |
|
usually ships 1-5 days |
11 |
999-1156
|
Washer M12-.7 nylon |
$5.28
|
1 |
|
ships same day |
12 |
175-4202
|
Square keyway |
$5.28
|
1 |
|
usually ships 10-13 days |
13 |
175-5370
|
Brace kit (OBSOLETE) |
$33.99
|
1 |
|
usually ships 1-5 days |