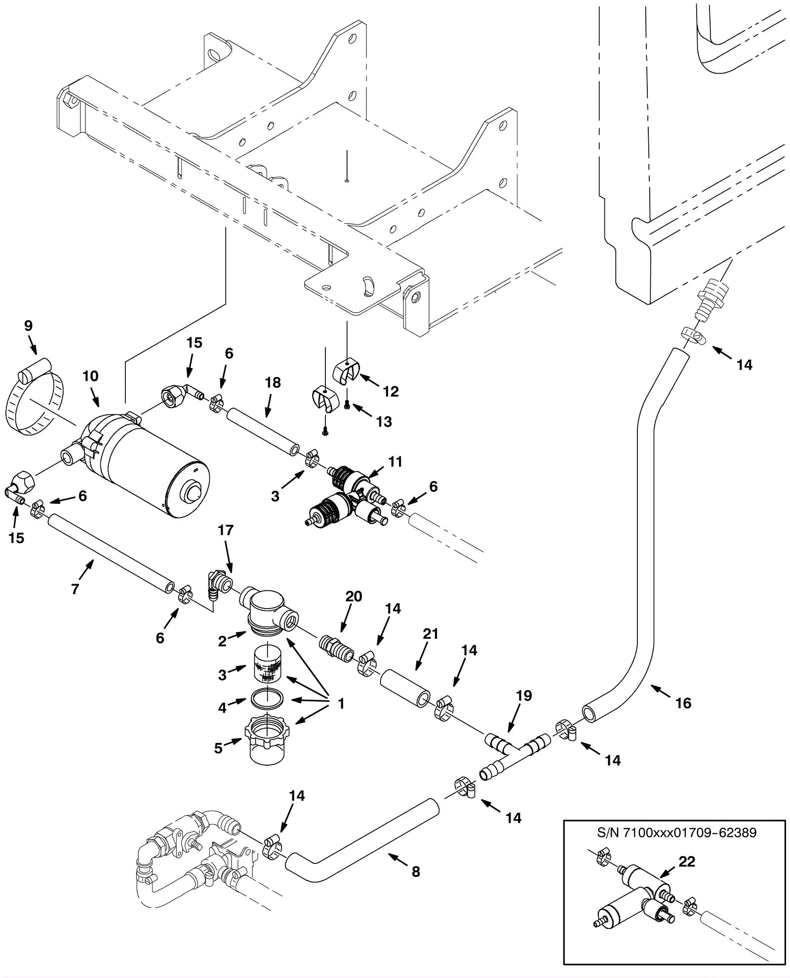
| # | Part | Description | Price | Req | Notes | Availability |
1 |
175-9025
|
In-line screen filter assembly |
$22.99
|
1 |
(Includes 2-5) |
ships same day |
2 |
175-5865
|
Top filter body housing |
$26.73
|
1 |
|
usually ships 10-13 days |
3 |
175-5866
|
Mesh filter screen |
$13.31
|
1 |
|
ships same day |
4 |
175-5867
|
Filter gasket |
$7.04
|
1 |
|
ships same day |
5 |
175-5868
|
Short clear filter bowl |
$19.80
|
1 |
|
ships same day |
6 |
175-3594
|
Hose clamp |
$5.28
|
5 |
|
usually ships 10-13 days |
7 |
275-4939
|
1 foot PVC hose clear |
$20.35
|
1 |
|
usually ships 10-13 days |
8 |
275-5566
|
2 foot braided PVC hose (clear) |
$72.05
|
1 |
|
usually ships 1-5 days |
9 |
175-5205
|
Wormdrive hose clamp |
$7.37
|
1 |
|
usually ships 1-5 days |
10 |
275-5348
|
Solution pump |
$593.78
|
1 |
|
usually ships 1-5 days |
11 |
275-5349
|
FaST injector kit |
$214.72
|
1 |
|
usually ships 1-5 days |
12 |
175-4526
|
Spring clip |
$5.50
|
2 |
|
usually ships 10-13 days |
13 |
999-0777
|
Screw M4-.7 x 10mm hex head plain finish |
$0.99
|
2 |
|
ships same day |
14 |
175-0199
|
Hose clamp |
$7.15
|
6 |
|
usually ships 10-13 days |
15 |
175-9868
|
Swivel fitting 1/2 x 3/8 inch |
$5.50
|
2 |
|
usually ships 10-13 days |
16 |
275-8348
|
HOSE, AFMKT, PVC, BRD, 0.62ID, 01FT, CLR (Tennant Industria |
$99.02
|
1 |
|
usually ships 10-13 days |
17 |
175-6019
|
90 degree barbed elbow |
$8.25
|
1 |
|
usually ships 10-13 days |
18 |
275-4939
|
1 foot PVC hose clear |
$20.35
|
1 |
|
usually ships 10-13 days |
19 |
175-0747
|
Plastic fitting tee (Tennant Industrial) |
$9.17
|
1 |
|
usually ships 1-5 days |
20 |
275-5771
|
Plastic fitting |
$5.50
|
1 |
|
usually ships 1-5 days |
21 |
275-8348
|
HOSE, AFMKT, PVC, BRD, 0.62ID, 01FT, CLR (Tennant Industria |
$99.02
|
1 |
|
usually ships 10-13 days |
22 |
N/A
|
Not available |
Call for price
|
1 |
(injector assembly) (between SN 01709 and SN 06238) |
usually ships 3-26 days |