6500
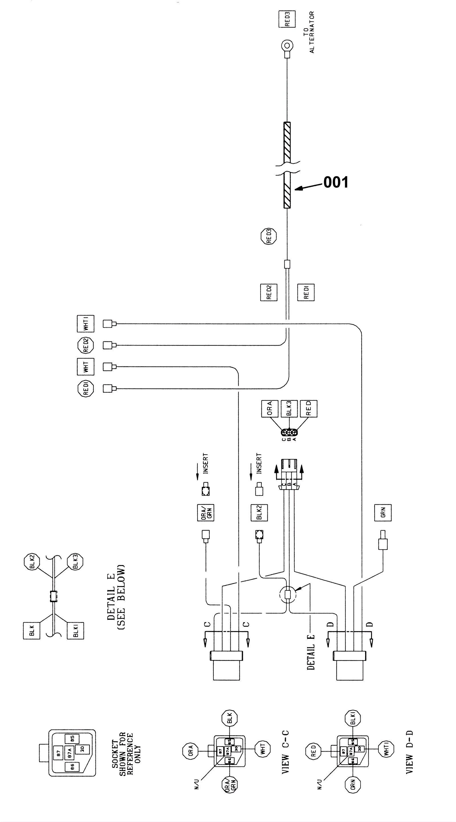
Air Conditioning Electrical Schematic (006518-)
Click to enlarge
#
Part
Description
Price
Req
Notes
Availability
001
N/A
Not available
Call for price
1
usually ships 3-26 days