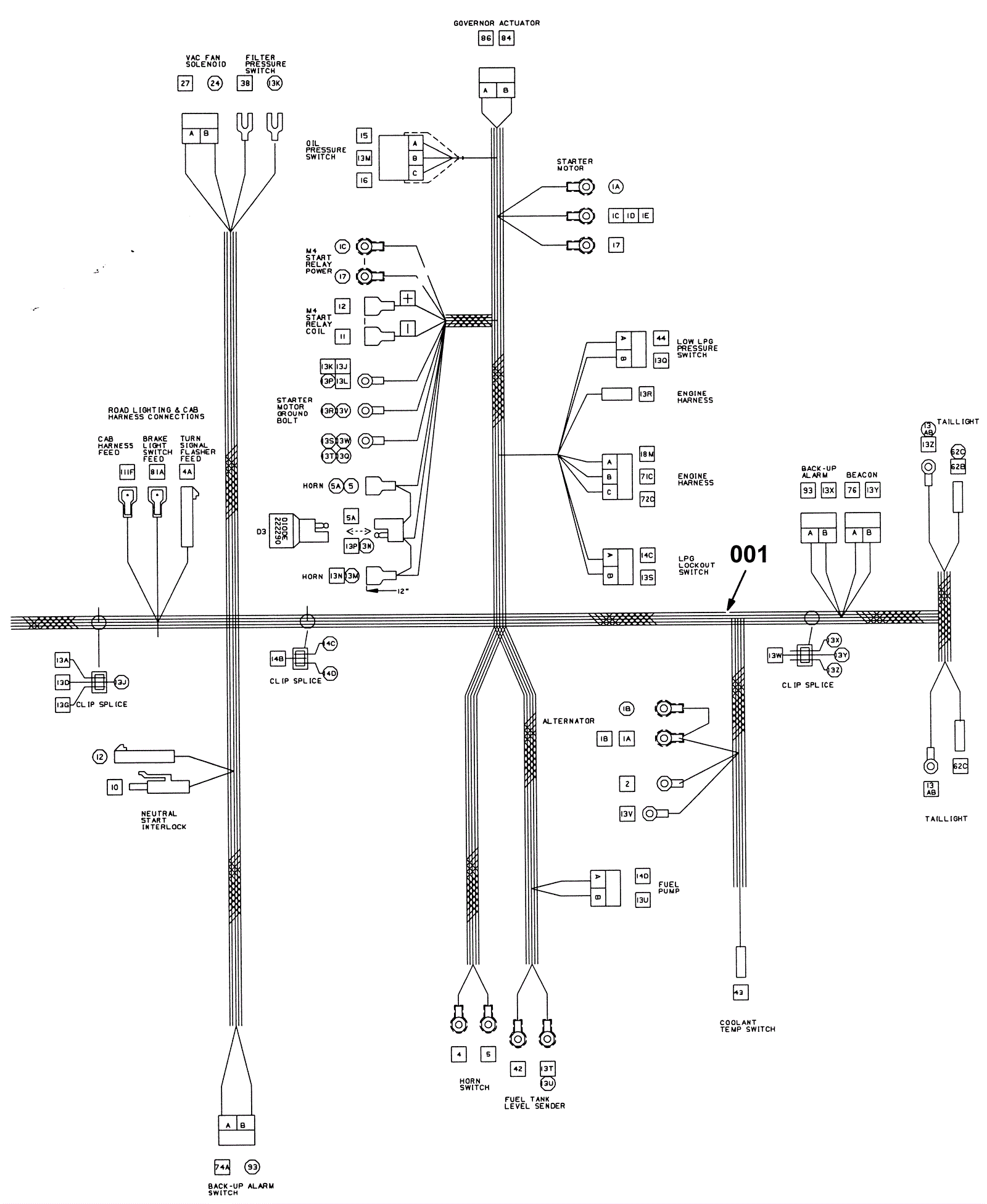
Wire Harnesses Group (020000-) 2
Click to enlarge