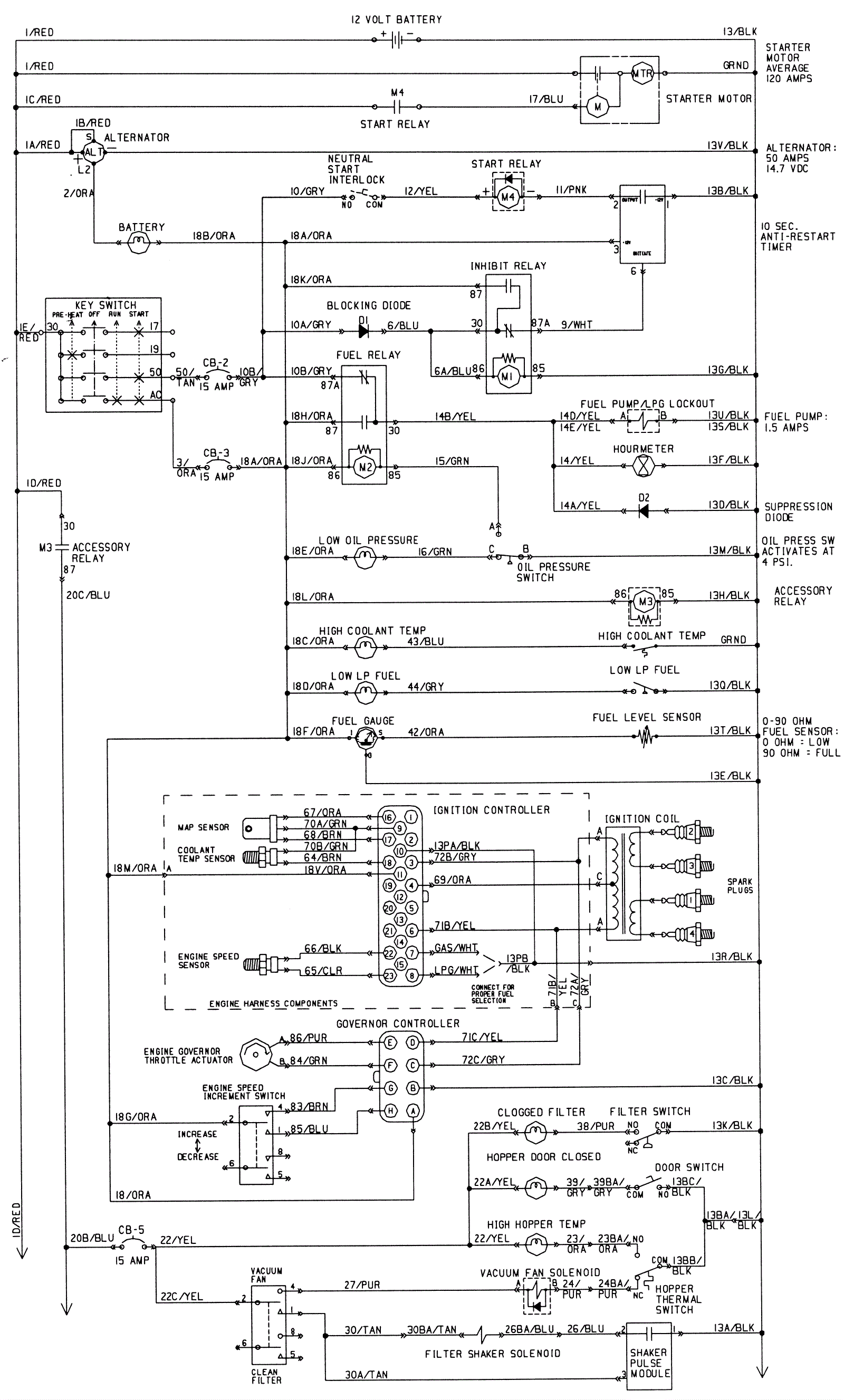
Electrical Schematic (020000-)
Click to enlarge