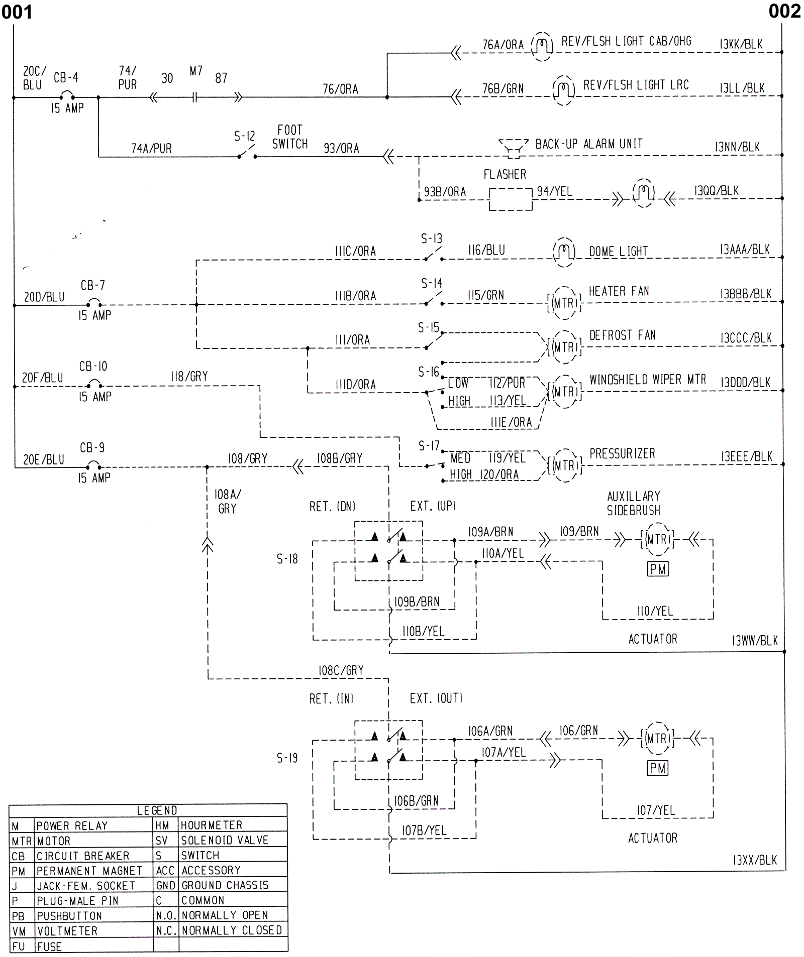
Electrical Schematic (000000-019999) 4
Click to enlarge