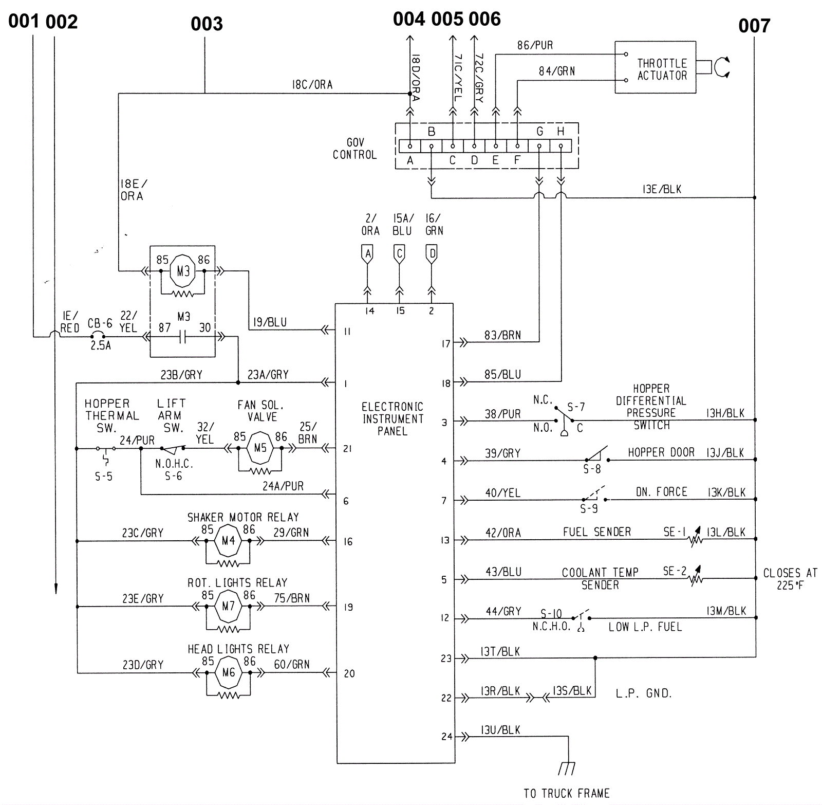
Electrical Schematic (000000-019999) 2
Click to enlarge