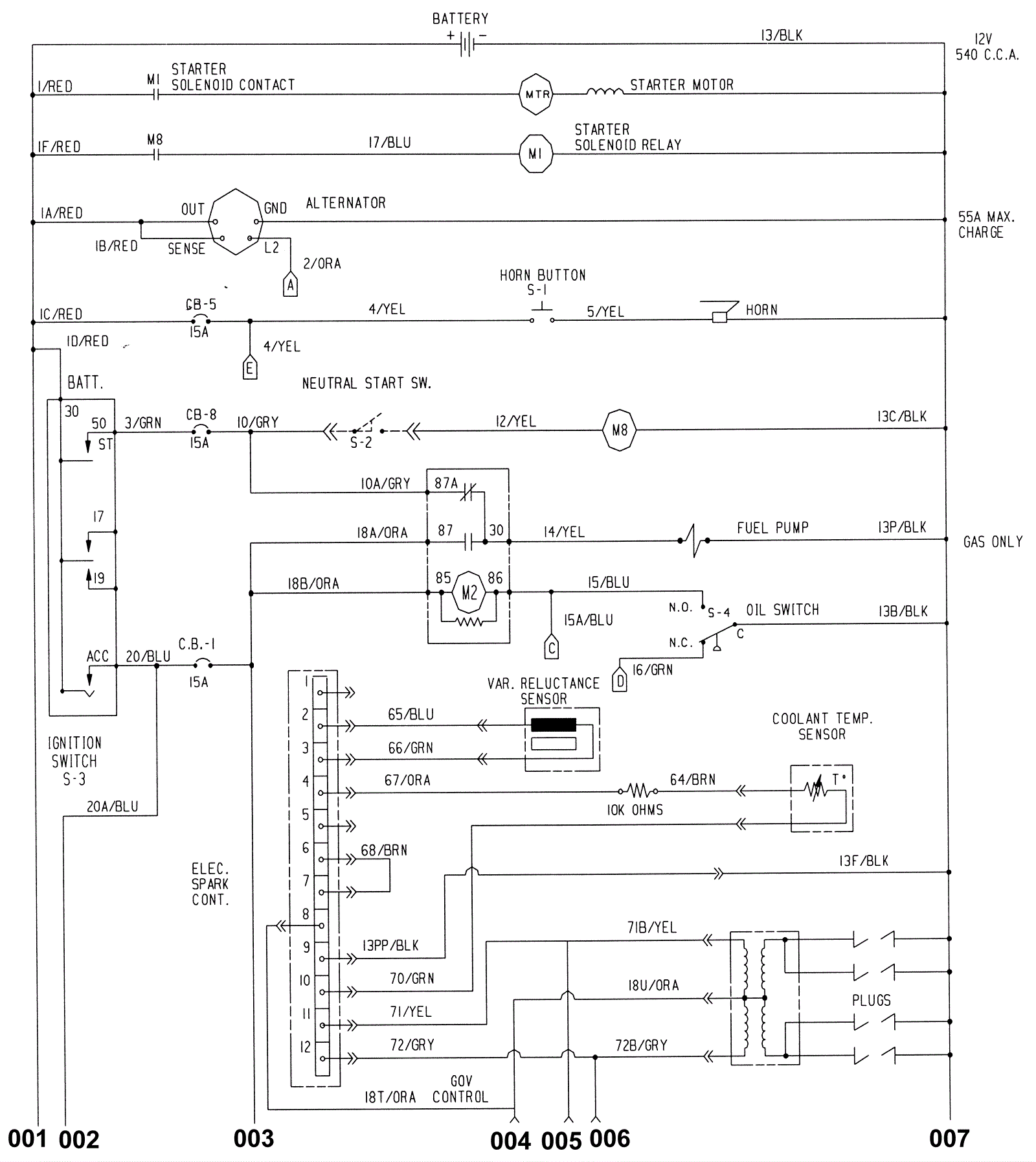
Electrical Schematic (000000-019999) 1
Click to enlarge