| # | Part | Description | Price | Req | Notes | Availability |
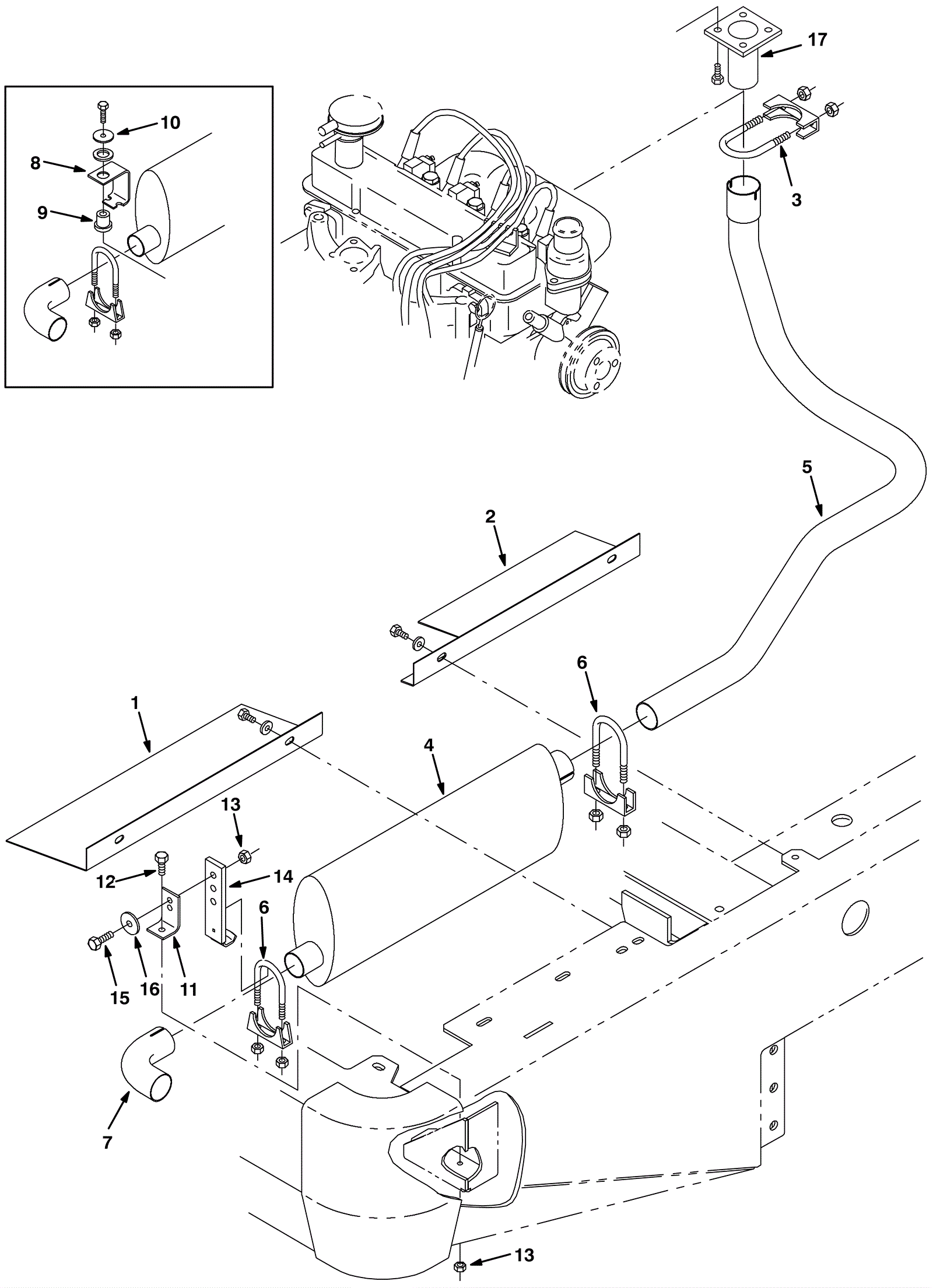
1 |
575-6770
|
BRACKET, SHIELD, MUFFLER (Tennant Industrial) |
$55.95
|
1 |
|
usually ships 10-13 days |
2 |
575-5261
|
BRACKET, SHIELD (Tennant Industrial) |
$40.25
|
1 |
|
usually ships 10-13 days |
3 |
575-0037
|
CLAMP, MUFFLER, 1.75D, HD (Tennant Industrial) |
$13.50
|
1 |
|
usually ships 10-13 days |
4 |
275-4691
|
MUFFLER, EXHAUST (Tennant Industrial) |
$1,071.21
|
1 |
|
usually ships 1-5 days |
5a |
675-1191
|
TUBE, EXHAUST,1.6D 1.7ID1.6OD (Tennant Industrial) (OBSOLETE |
$323.98
|
1 |
(gas/lpg) |
usually ships 10-13 days |
5b |
675-2916
|
TUBE, EXHAUST, 1.6D 1.7ID 1.6OD (Tennant Industrial) |
$435.54
|
1 |
(diesel) |
usually ships 10-13 days |
6 |
275-4692
|
CLAMP, MUFFLER, 1.62D (Tennant Industrial) |
$9.84
|
2 |
|
usually ships 10-13 days |
7 |
275-4693
|
TUBE WLDT, EXHAUST, 1.5D (Tennant Industrial) |
$89.18
|
1 |
|
usually ships 1-5 days |
8 |
575-9615
|
BRACKET KIT, MUFFLER, F/70214, REPLMT (Tennant Industrial) |
$158.32
|
1 |
(before SN 004963) |
usually ships 10-13 days |
9 |
175-2429
|
Vibration isolator |
$15.40
|
1 |
(before SN 004963) |
usually ships 10-13 days |
10 |
999-0549
|
Washer 5/16 x 3/4 SAE flat stainless steel |
$0.99
|
1 |
(before SN 004963) |
ships same day |
11 |
575-6082
|
ANGLE, HANGER, MUFFLER (Tennant Industrial) |
$87.51
|
1 |
(after SN 004962) |
usually ships 10-13 days |
12 |
999-0499
|
Bolt M8-1.25 x 20mm hex head full thread stainless steel |
$1.85
|
1 |
(after SN 004962) |
ships same day |
13 |
999-0471
|
Nut M8-1.25 nylon insert lock zinc plated |
$0.99
|
2 |
(after SN 004962) |
ships same day |
14 |
575-2918
|
STRAP, HANGER, MUFFLER (Tennant Industrial) |
$53.18
|
1 |
(after SN 004962) |
usually ships 10-13 days |
15 |
999-0581
|
Bolt M8-1.25 x 25mm hex head full thread zinc |
$0.99
|
1 |
(after SN 004962) |
ships same day |
16 |
999-0549
|
Washer 5/16 x 3/4 SAE flat stainless steel |
$0.99
|
1 |
(after SN 004962) |
ships same day |
17 |
375-3812
|
Exhaust tube weldment (Tennant Industrial) |
$97.52
|
1 |
(diesel) |
usually ships 10-13 days |