| # | Part | Description | Price | Req | Notes | Availability |
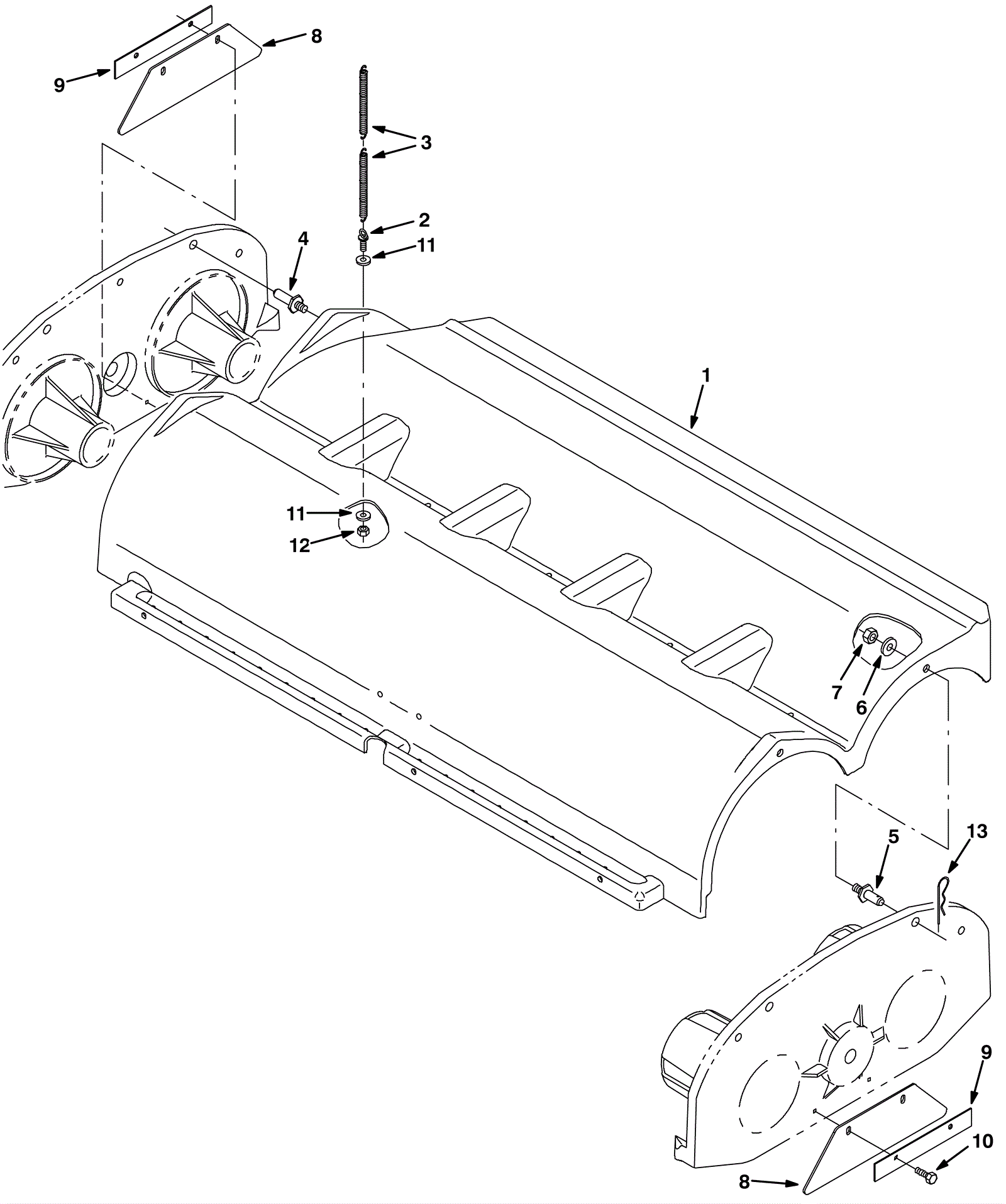
1 |
375-1649
|
Brush housing (Tennant Industrial) (OBSOLETE) |
$1,223.11
|
1 |
|
usually ships 10-13 days |
2 |
375-2307
|
Steel Bolt - 1.38 x 0.47 in |
$9.84
|
1 |
|
usually ships 10-13 days |
3 |
575-1660
|
SPRING, EXTN, 0.38OD 0.06WIR 06.0L (Tennant Industrial) |
$105.71
|
2 |
|
usually ships 10-13 days |
4 |
575-6790
|
PIN, GUIDE, 0.48D X 1.45L, HEX (Tennant Industrial) |
$131.60
|
1 |
|
usually ships 10-13 days |
5 |
575-6679
|
PIN, GUIDE, 0.48D X 1.14L, 1/.09H, HEX (Tennant Industrial) |
$109.39
|
3 |
|
usually ships 10-13 days |
6 |
999-0355
|
Washer 3/8 x 7/8 SAE flat stainless steel |
$0.99
|
4 |
|
ships same day |
7 |
999-6697
|
Nut M10-1.5 hex stainless steel |
$1.01
|
4 |
|
ships same day |
8 |
575-1980
|
SKIRT, RBR, .12, 03.18W 10.60L, 02/ SL (Tennant Industrial) |
$32.73
|
2 |
|
usually ships 10-13 days |
9 |
575-3702
|
RETAINER (Tennant Industrial) |
$50.10
|
2 |
|
usually ships 10-13 days |
10 |
999-1087
|
Bolt M6-1 x 25mm hex head stainless steel |
$0.99
|
4 |
|
ships same day |
11 |
999-0123
|
Washer 1/4 SAE flat zinc plated |
$0.99
|
2 |
|
ships same day |
12 |
999-0024
|
Washer 5/16 flat stainless steel |
$1.34
|
1 |
|
ships same day |
13 |
475-9644
|
PIN, COTTER, HAIR, 10MMD 2MM WIR (Tennant Industrial) |
$22.88
|
2 |
|
usually ships 10-13 days |