| # | Part | Description | Price | Req | Notes | Availability |
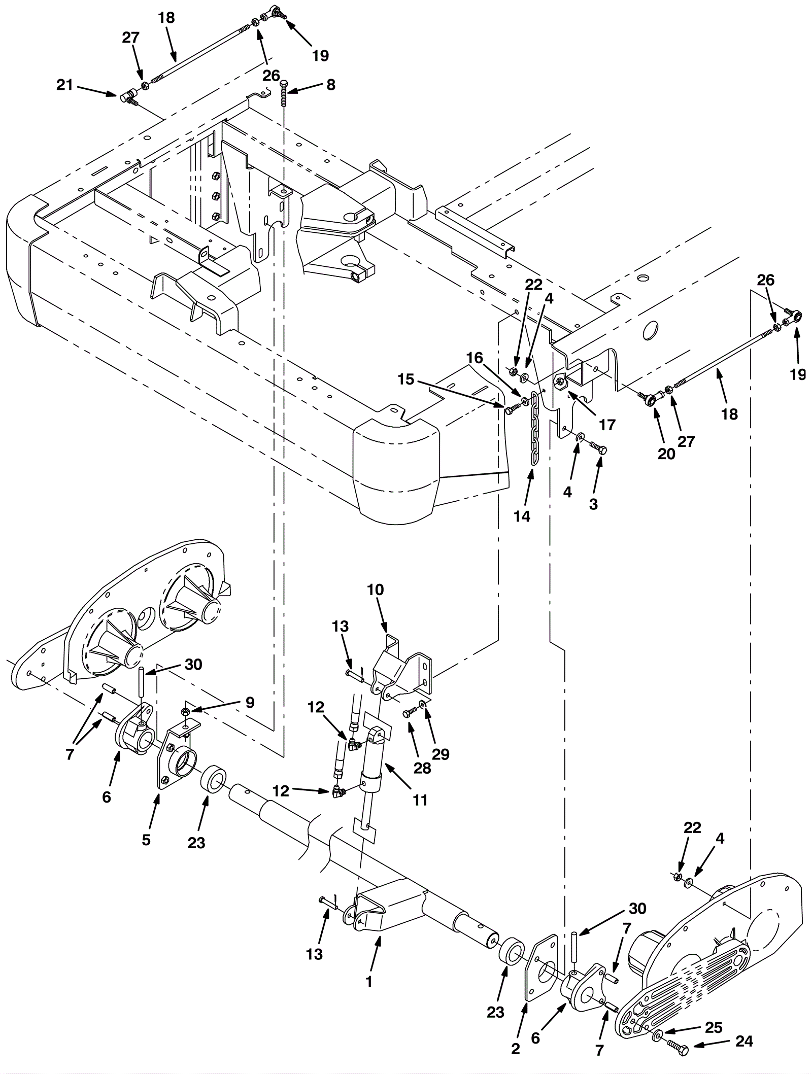
1 |
675-6376
|
SHAFT WLDT, LIFT, BRUSH, MAIN (Tennant Industrial) |
$863.39
|
1 |
|
usually ships 10-13 days |
2 |
675-1738
|
HOUSING WLDT, BRG, LIFT, HEAD, LH (Tennant Industrial) |
$328.32
|
1 |
|
usually ships 10-13 days |
3 |
999-1372
|
Bolt M10-1.5 x 25mm hex head stainless steel |
$3.56
|
6 |
|
ships same day |
4 |
999-0355
|
Washer 3/8 x 7/8 SAE flat stainless steel |
$0.99
|
10 |
|
ships same day |
5 |
675-1282
|
HOUSING WLDT, BRG, LIFT, HEAD, RH (Tennant Industrial) |
$189.04
|
1 |
|
usually ships 10-13 days |
6 |
675-3620
|
HUB ASSY, MTG, ARM, BRUSH, 1.75B (Tennant Industrial) |
$485.47
|
2 |
(includes 7) |
usually ships 10-13 days |
7a |
175-9958
|
Dowel pin 1/2 x 1 1/2 |
$5.28
|
2 |
(Gas/LPG after SN 006999) (diesel) |
usually ships 10-13 days |
7b |
575-1018
|
PIN, DOWEL, 0.5002D X 3.50L (Tennant Industrial) |
$28.06
|
2 |
(Gas/LPG before SN 007000) |
usually ships 10-13 days |
8 |
275-0331
|
SCREW, HEX, M10 X 1.50 X 70, FL, SS (Tennant Industrial) |
$11.67
|
1 |
|
usually ships 1-5 days |
9 |
275-0332
|
NUT, HEX, STD, M10 X 1.50, SS |
$5.28
|
1 |
|
ships same day |
10 |
575-8806
|
BRACKET, CYL (Tennant Industrial) |
$114.23
|
1 |
|
usually ships 10-13 days |
11 |
275-6034
|
Cylindrical head (Tennant Industrial) |
$635.13
|
1 |
|
usually ships 10-13 days |
12 |
175-6919
|
Elbow fitting |
$15.40
|
2 |
|
usually ships 10-13 days |
13 |
275-8195
|
Clevis pin |
$6.49
|
2 |
|
ships same day |
14 |
575-2706
|
CHAIN, COIL, STR, 2/0, 14.1L 11 LINK (Tennant Industrial) |
$30.84
|
1 |
|
usually ships 10-13 days |
15 |
999-0785
|
Screw M8-1.25 x 30mm hex head stainless steel |
$2.24
|
1 |
|
ships same day |
16 |
999-0355
|
Washer 3/8 x 7/8 SAE flat stainless steel |
$0.99
|
1 |
|
ships same day |
17 |
999-0496
|
Nut M8-1.25 nylon insert lock stainless steel |
$1.98
|
1 |
|
ships same day |
18 |
575-8746
|
ROD, THRD, 2 END, .38-24 13.6L, 1LEFT (Tennant Industrial) |
$177.69
|
2 |
|
usually ships 10-13 days |
19 |
175-3320
|
Rod end left side |
$45.76
|
2 |
|
usually ships 10-13 days |
20 |
175-3321
|
Rod end right side |
$45.76
|
1 |
|
usually ships 10-13 days |
21 |
275-6787
|
Ball joint (TENNANT INDUSTRIAL) |
$61.01
|
1 |
|
usually ships 10-13 days |
22 |
175-3322
|
Nut 3/8-24 hex lock |
$5.94
|
4 |
|
usually ships 10-13 days |
23 |
575-2105
|
BUSHING, SLEEVE, 1.76B 2.60D 1.00L, NYL (Tennant Industrial) |
$55.44
|
2 |
|
usually ships 10-13 days |
24 |
575-0249
|
SCREW, HEX, M16 X 2.00 X 40, 8.8 (Tennant Industrial) |
$12.34
|
2 |
|
usually ships 10-13 days |
25 |
475-9487
|
WASHER, FLAT, 0.62, STD (Tennant Industrial) |
$8.34
|
2 |
|
usually ships 10-13 days |
26 |
999-0319
|
Nut 3/8-24 hex left hand plain finish |
$1.98
|
2 |
(Gas/LPG after SN 006999) (diesel) |
ships same day |
27 |
999-0169
|
Nut 3/8-24 hex jam plain finish |
$0.99
|
2 |
(Gas/LPG after SN 006999) (diesel) |
ships same day |
28 |
999-0499
|
Bolt M8-1.25 x 20mm hex head full thread stainless steel |
$1.85
|
4 |
(Gas/LPG after SN 006999) (diesel) |
ships same day |
29 |
999-0024
|
Washer 5/16 flat stainless steel |
$1.34
|
4 |
(Gas/LPG after SN 006999) (diesel) |
ships same day |
30 |
575-1018
|
PIN, DOWEL, 0.5002D X 3.50L (Tennant Industrial) |
$28.06
|
2 |
(Gas/LPG after SN 006999) (diesel) |
usually ships 10-13 days |