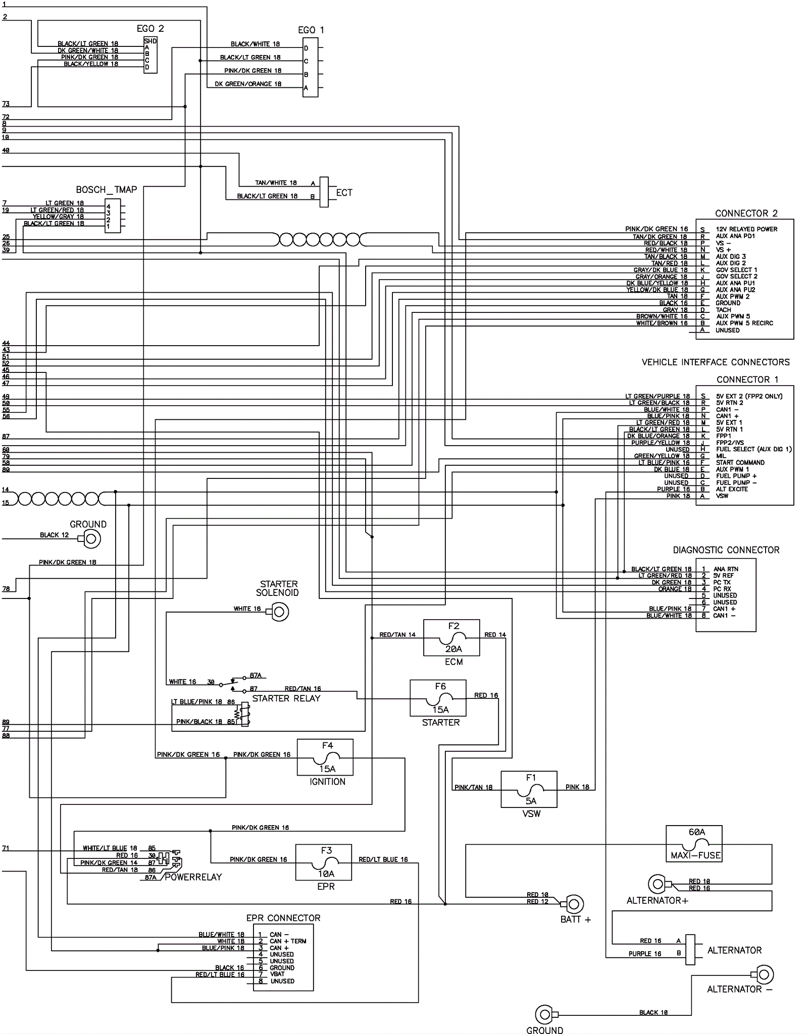
Wiring Diagram - LPG - Part 2 - After SN 009000
Click to enlarge