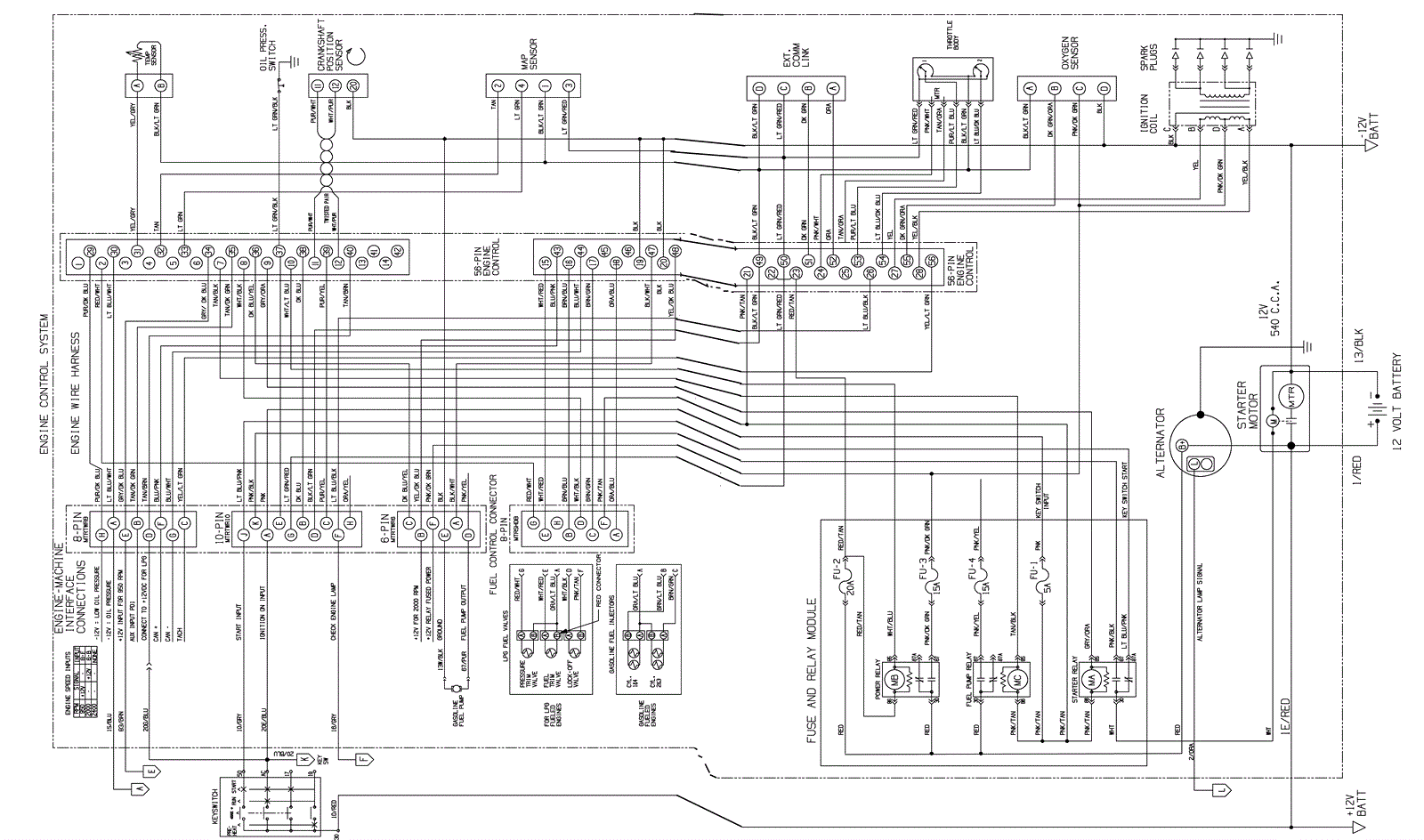
Wiring Diagram - Part 1 - After SN 009000
Click to enlarge