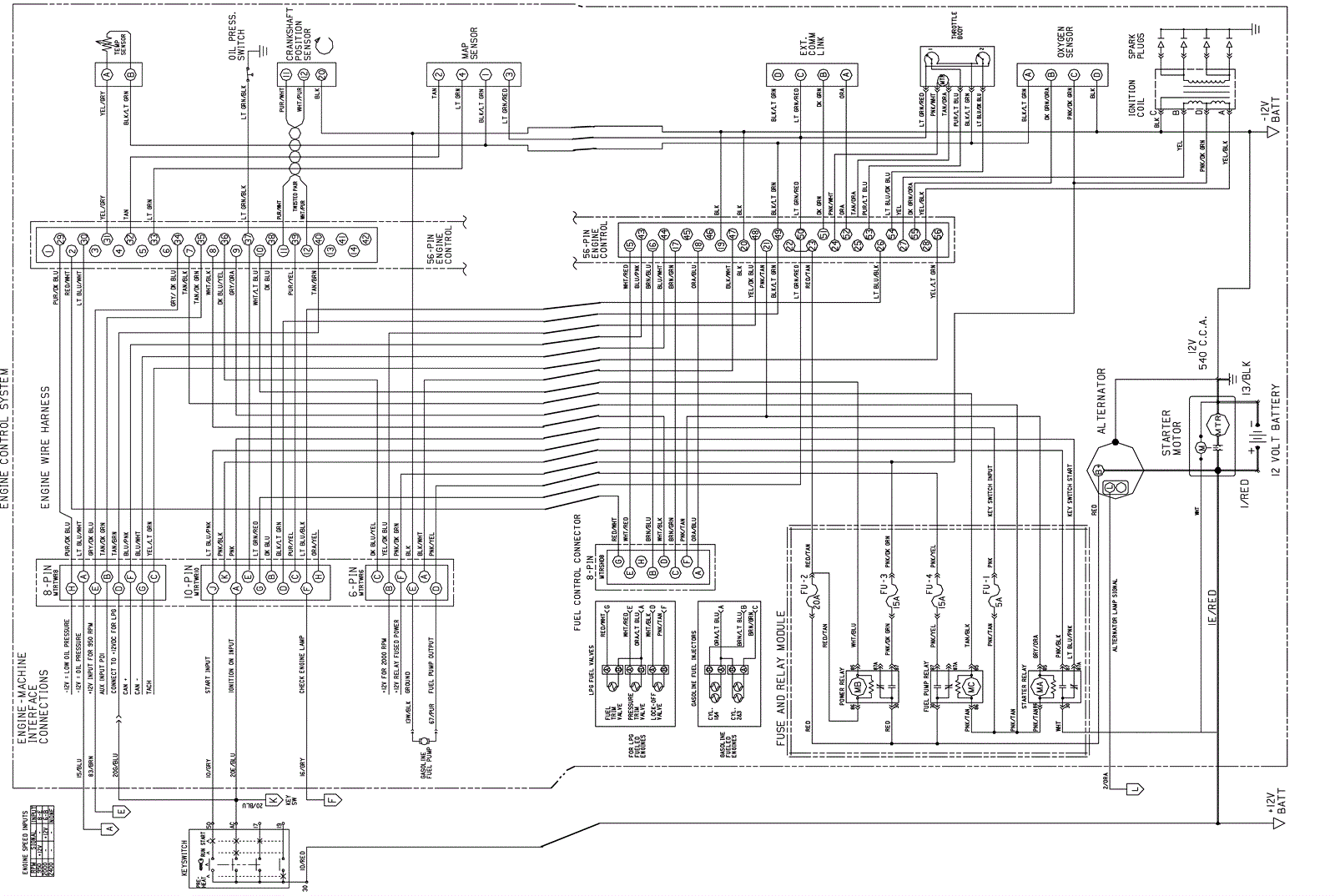
Wiring Diagram - Part 1 - Between SN 007000-007548
Click to enlarge