| # | Part | Description | Price | Req | Notes | Availability |
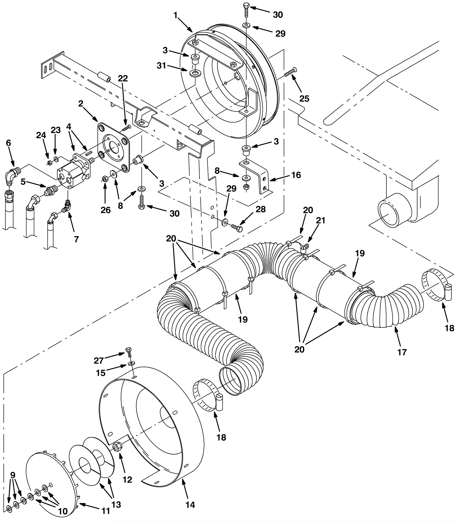
1 |
675-5337
|
HOUSING WLDT, VACFAN, REAR, IMPELLER (OBSOLETE) |
$699.73
|
1 |
|
usually ships 10-13 days |
2 |
275-9614
|
BRACKET, MTG, MOTOR (Tennant Industrial) |
$60.85
|
1 |
|
usually ships 1-5 days |
3 |
175-2429
|
Vibration isolator |
$15.40
|
7 |
|
usually ships 10-13 days |
4 |
275-9730
|
MOTOR, HYD, GEAR, EXT 0.13 LH 3000 (Tennant Industrial) |
$1,746.02
|
1 |
|
usually ships 1-5 days |
5 |
175-6787
|
FITTING, HYD, STR, JM08/OM10 (Tennant Industrial) |
$16.84
|
1 |
|
usually ships 10-13 days |
6 |
175-6893
|
Elbow fitting |
$38.50
|
1 |
|
usually ships 1-5 days |
7 |
175-6919
|
Elbow fitting |
$15.40
|
1 |
|
usually ships 10-13 days |
8 |
175-2367
|
Steel plated washer |
$3.96
|
7 |
|
usually ships 1-5 days |
9 |
275-9612
|
SHIM, WASHER, 0.88D 0.51B .020 (Tennant Industrial) |
$9.84
|
3 |
|
usually ships 1-5 days |
10 |
275-9613
|
SHIM, WASHER, 0.88D 0.51B .060 (Tennant Industrial) |
$13.34
|
3 |
|
usually ships 1-5 days |
11 |
275-9610
|
IMPELLER, 9.5D, 18 BLADE MACH (Tennant Industrial) |
$523.60
|
1 |
|
usually ships 1-5 days |
12 |
275-9616
|
NUT, LOW CROWN, .50-20 (Tennant Industrial) |
$9.84
|
1 |
|
usually ships 1-5 days |
13 |
575-3955
|
FAN KIT, REPAIR [REASSEMBLY] (Tennant Industrial) |
$45.01
|
1 |
|
usually ships 10-13 days |
14 |
675-5257
|
HOUSING, VACFAN, FRONT, W/ LABEL [7400] (Tennant Industrial) |
$782.99
|
1 |
|
usually ships 10-13 days |
15 |
999-1407
|
Washer 5/16 belleville |
$3.04
|
6 |
|
ships same day |
16 |
575-3102
|
BRACKET, MTG, FAN (Tennant Industrial) |
$76.32
|
1 |
|
usually ships 10-13 days |
17 |
275-9878
|
Exhaust hose (Tennant Industrial) |
$281.56
|
1 |
|
usually ships 1-5 days |
18 |
275-9625
|
CLAMP, HOSE, WORMDRIVE, 3.75-4.62D, .62W (Tennant Industria |
$16.67
|
2 |
|
usually ships 1-5 days |
19 |
275-4185
|
FLAP, CONTAINMENT (Tennant Industrial) |
$73.51
|
2 |
|
usually ships 1-5 days |
20 |
175-2226
|
Nylon wire tie |
$4.49
|
7 |
|
ships same day |
21 |
175-3168
|
P clamp |
$5.28
|
1 |
|
usually ships 10-13 days |
22 |
275-9618
|
SCREW, FLT, SOC, .25-20 X 1.00, AL (Tennant Industrial) |
$5.33
|
4 |
|
usually ships 10-13 days |
23 |
999-0016
|
Washer 1/4 flat plain finish |
$0.99
|
4 |
|
ships same day |
24 |
999-0152
|
Nut 1/4-20 nylon insert lock zinc plated |
$0.99
|
4 |
|
ships same day |
25 |
275-9617
|
SCREW, FLT, SOC, .38-16 X 1.50, AL (Tennant Industrial) |
$11.00
|
4 |
|
usually ships 1-5 days |
26 |
175-6922
|
Nut 3/8 - 16 hex lock |
$4.49
|
4 |
|
usually ships 1-5 days |
27 |
999-1133
|
Bolt M8-1.25 x 20mm hex head full thread plain |
$0.99
|
6 |
|
ships same day |
28 |
275-0025
|
Screw M10-1.5 x 25 hex head 8.8 |
$4.36
|
2 |
|
usually ships 10-13 days |
29 |
999-0032
|
Washer 3/8 USS flat plain finish |
$2.42
|
3 |
|
ships same day |
30 |
175-0592
|
Bolt M10-1.5 x 40mm hex head |
$4.22
|
3 |
|
usually ships 1-5 days |
31 |
999-0630
|
Washer 3/4 SAE flat |
$0.99
|
2 |
|
ships same day |