| # | Part | Description | Price | Req | Notes | Availability |
2 |
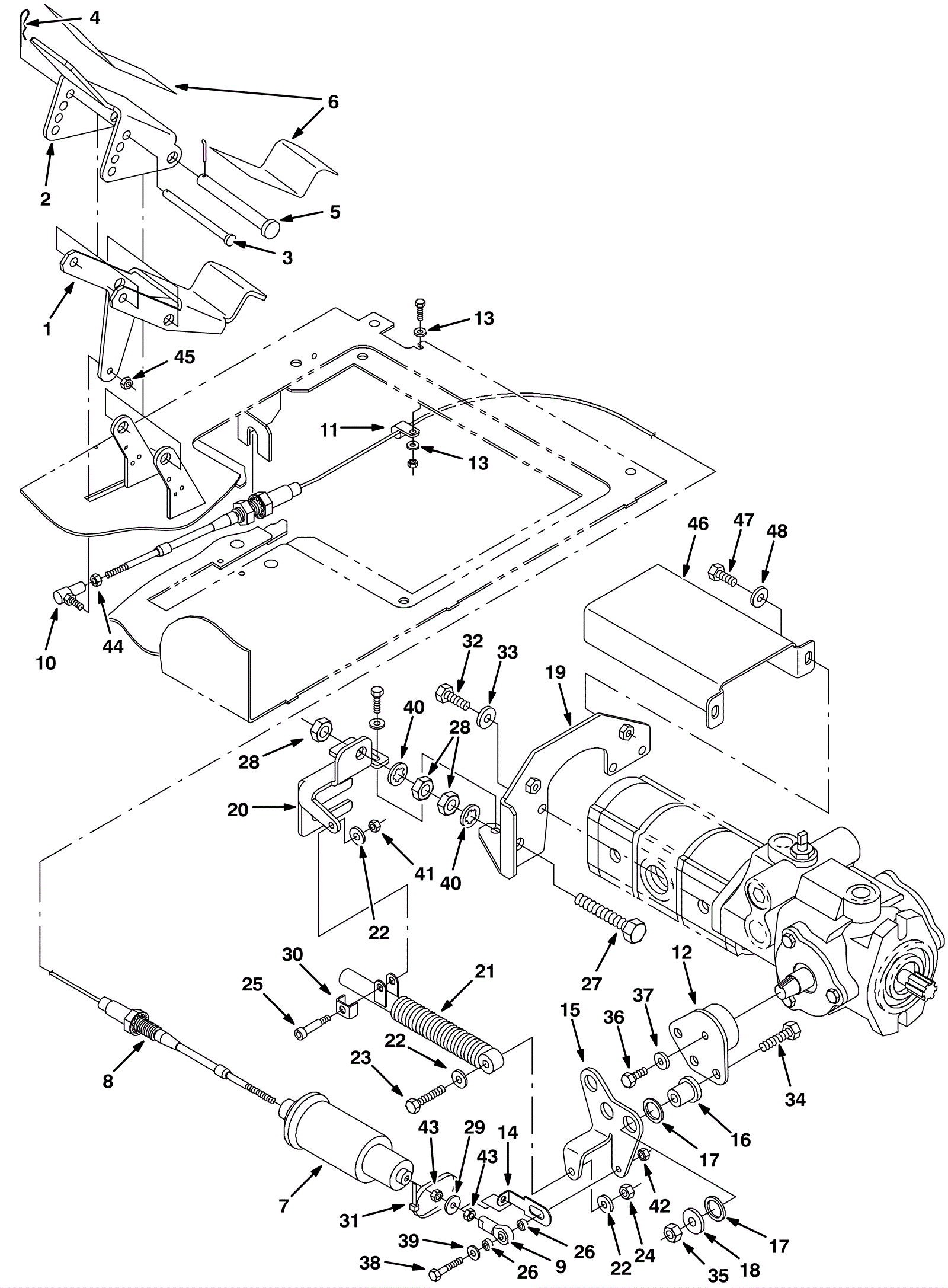
275-2975
|
PEDAL, PROPEL, UPPER (Tennant Industrial) |
$51.34
|
1 |
|
usually ships 10-13 days |
3 |
275-2976
|
PIN, CLEVIS, 0.37D X 4.50L (Tennant Industrial) |
$6.67
|
1 |
|
usually ships 10-13 days |
4 |
175-2113
|
Cotter pin |
$3.30
|
1 |
|
ships same day |
5 |
175-5401
|
Clevis pin 1/2 x 4 1/2 |
$5.50
|
1 |
|
usually ships 10-13 days |
6 |
175-3307
|
Non-skid tread |
$6.49
|
1 |
|
usually ships 10-13 days |
7 |
675-2924
|
SPRING ASSY, CENTERING, LBS . TRAVEL (Tennant Industrial |
$332.57
|
1 |
|
usually ships 10-13 days |
8 |
675-4630
|
CABLE, PUSH / PULL, 039.0L .25-28/.25-28 (Tennant Industrial |
$706.24
|
1 |
|
usually ships 10-13 days |
9 |
175-7212
|
ROD-END, 0.25-28RH FEM 0.25B [TEFLON] (Tennant Industrial) |
$73.51
|
1 |
|
usually ships 1-5 days |
10 |
175-3302
|
Balljoint 1/4-28 |
$10.01
|
1 |
|
usually ships 10-13 days |
11 |
175-3170
|
P clamp |
$4.22
|
1 |
|
ships same day |
12 |
575-6850
|
ARM WLDT, CNTRL, PINTLE (Tennant Industrial) |
$119.57
|
1 |
|
usually ships 10-13 days |
13 |
999-0998
|
Washer #10 flat stainless steel |
$0.99
|
2 |
|
ships same day |
14 |
575-2335
|
BRACKET, CLIP, SAFETY (Tennant Industrial) |
$29.51
|
1 |
|
usually ships 10-13 days |
15 |
575-4034
|
ARM, CNTRL, PINTLE (Tennant Industrial) |
$61.46
|
1 |
|
usually ships 10-13 days |
16 |
175-2429
|
Vibration isolator |
$15.40
|
3 |
|
usually ships 10-13 days |
17 |
375-0546
|
Washer 13/16 x 1 1/16 x 1/16 flat steel (Tennant Industrial) |
$5.33
|
6 |
|
usually ships 1-5 days |
18 |
999-0032
|
Washer 3/8 USS flat plain finish |
$2.42
|
3 |
(Gas/LPG after SN 006999) (diesel) |
ships same day |
19 |
575-6582
|
BRACKET, MTG, PROPEL (Tennant Industrial) |
$81.50
|
1 |
|
usually ships 10-13 days |
20 |
575-4259
|
BRACKET, MTG, CABLE, PROPEL (Tennant Industrial) |
$72.81
|
1 |
|
usually ships 10-13 days |
21 |
275-3117
|
SHOCK ABSORBER, 2.3 STRK (Tennant Industrial) |
$189.87
|
1 |
|
usually ships 10-13 days |
22 |
999-0355
|
Washer 3/8 x 7/8 SAE flat stainless steel |
$0.99
|
4 |
|
ships same day |
23 |
999-0786
|
Screw M8-1.25 x 35mm hex head stainless steel |
$1.12
|
1 |
|
ships same day |
24 |
999-0496
|
Nut M8-1.25 nylon insert lock stainless steel |
$1.98
|
1 |
|
ships same day |
25 |
175-3285
|
Bolt 1/4-20 x 5/16-1 shoulder |
$7.37
|
1 |
|
usually ships 1-5 days |
26 |
175-5327
|
Spacer |
$20.46
|
2 |
|
usually ships 10-13 days |
27 |
475-9358
|
SCREW, HEX, .50-13 X 3.00, FL (Tennant Industrial) |
$9.50
|
1 |
|
usually ships 10-13 days |
28 |
275-3375
|
NUT, HEX, JAM, .50-13, SS (Tennant Industrial) |
$7.83
|
3 |
|
usually ships 1-5 days |
29 |
175-7194
|
WASHER, FLAT, 0.25B 0.88D .06, NEO (Tennant Industrial) |
$5.67
|
1 |
(Gas/LPG after SN 006999) (diesel) |
usually ships 1-5 days |
30 |
275-3114
|
BRACKET, RETAINER, SAFETY (Tennant Industrial) |
$18.34
|
1 |
(Gas/LPG after SN 006999) (diesel) |
usually ships 1-5 days |
31 |
175-2162
|
Nylon wire tie |
$3.30
|
1 |
|
usually ships 10-13 days |
32 |
275-3111
|
SCREW, HEX, .38-16 X 1.25, NL (Tennant Industrial) |
$6.67
|
2 |
(Gas/LPG after SN 006999) (diesel) |
usually ships 1-5 days |
33 |
999-0120
|
Washer 3/8 SAE flat |
$0.99
|
4 |
(Gas/LPG after SN 006999) (diesel) |
ships same day |
34 |
175-0592
|
Bolt M10-1.5 x 40mm hex head |
$4.22
|
3 |
(Gas/LPG after SN 006999) (diesel) |
usually ships 1-5 days |
35 |
999-1120
|
Nut M10-1.5 nylon insert lock stainless steel |
$4.27
|
3 |
(Gas/LPG after SN 006999) (diesel) |
ships same day |
36 |
375-0712
|
Screw 5/16-24 x 3/4 hex head (Tennant Industrial) |
$4.83
|
1 |
(Gas/LPG after SN 006999) (diesel) |
usually ships 1-5 days |
37 |
999-0549
|
Washer 5/16 x 3/4 SAE flat stainless steel |
$0.99
|
1 |
(Gas/LPG after SN 006999) (diesel) |
ships same day |
38 |
475-0401
|
SCREW, HEX, .25-20 X 1.75, G5 |
$5.50
|
1 |
(Gas/LPG after SN 006999) (diesel) |
usually ships 10-13 days |
39 |
999-0123
|
Washer 1/4 SAE flat zinc plated |
$0.99
|
1 |
(Gas/LPG after SN 006999) (diesel) |
ships same day |
40 |
999-0260
|
Washer 1/2 internal starlock |
$0.99
|
2 |
(Gas/LPG after SN 006999) (diesel) |
ships same day |
41 |
999-0609
|
Nut 1/4-20 hex stainless steel |
$0.99
|
1 |
(Gas/LPG after SN 006999) (diesel) |
ships same day |
42 |
999-0152
|
Nut 1/4-20 nylon insert lock zinc plated |
$0.99
|
1 |
(Gas/LPG after SN 006999) (diesel) |
ships same day |
43 |
999-0651
|
Nut 1/4-28 hex stainless steel |
$0.99
|
2 |
(Gas/LPG after SN 006999) (diesel) |
ships same day |
44 |
999-0718
|
Nut 1/4-28 hex jam zinc plated |
$0.99
|
1 |
(Gas/LPG after SN 006999) (diesel) |
ships same day |
45 |
999-1201
|
Nut 1/4-28 nylon insert lock hex stainless steel |
$0.99
|
1 |
(Gas/LPG after SN 006999) (diesel) |
ships same day |
46 |
575-3835
|
BRACKET, SHIELD (Tennant Industrial) |
$28.22
|
1 |
(Gas/LPG after SN 007548) (diesel) |
usually ships 10-13 days |
47 |
999-1133
|
Bolt M8-1.25 x 20mm hex head full thread plain |
$0.99
|
2 |
(Gas/LPG after SN 007548) (diesel) |
ships same day |
48 |
999-0549
|
Washer 5/16 x 3/4 SAE flat stainless steel |
$0.99
|
2 |
(Gas/LPG after SN 007548) (diesel) |
ships same day |