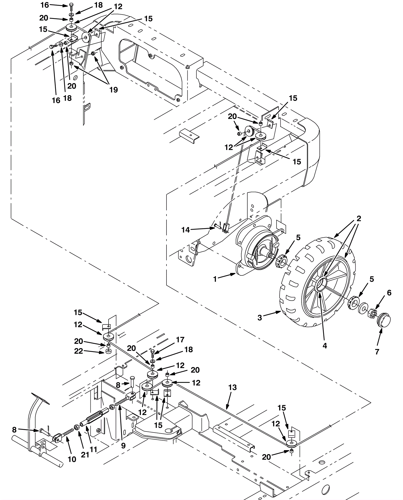
| # | Part | Description | Price | Req | Notes | Availability |
1a |
175-0642
|
BRAKE ASSY, DRUM, MECH, 07.9D [6600]] (Tennant Industrial) |
$999.53
|
2 |
(includes 1b-1e) |
usually ships 1-5 days |
1b |
175-0643
|
SHOE SET, BRAKE [1PICK=1PKG] (Tennant Industrial) |
$173.70
|
2 |
(need two) |
usually ships 1-5 days |
1c |
175-0644
|
VR, BRAKE KIT, REPAIR (Tennant Industrial) |
$195.87
|
1 |
(includes 1d) |
usually ships 10-13 days |
1d |
175-0645
|
SHAFT (Tennant Industrial) |
$183.70
|
1 |
|
usually ships 1-5 days |
1e |
175-0646
|
SPRING (Tennant Industrial) |
$9.84
|
2 |
|
usually ships 1-5 days |
2 |
675-7014
|
TIRE ASSY, SOLID, 18.0 X 5.0, BLK (Tennant Industrial) |
$1,465.63
|
2 |
(includes 3-4) |
usually ships 10-13 days |
3 |
675-7014
|
TIRE ASSY, SOLID, 18.0 X 5.0, BLK (Tennant Industrial) |
$1,465.63
|
1 |
(wheel is no longer available seperatly) |
usually ships 10-13 days |
4 |
175-0636
|
BEARING, CUP, 2.56D 0.55W (Tennant Industrial) |
$19.17
|
2 |
|
usually ships 10-13 days |
5 |
175-0638
|
BEARING, CONE, 1.38B 0.71W (Tennant Industrial) |
$76.35
|
4 |
|
usually ships 10-13 days |
6 |
175-0640
|
NUT, HEX, SLTD, 1.00-20 (Tennant Industrial) |
$19.50
|
2 |
|
usually ships 1-5 days |
7 |
175-0641
|
CAP, HUB, DUST, 2.57D 0.77L (Tennant Industrial) |
$22.34
|
2 |
|
usually ships 1-5 days |
8 |
N/A
|
Not available |
Call for price
|
2 |
(clevis pin) |
usually ships 3-26 days |
9 |
575-8218
|
CLEVIS WLDT, ADJ, .50PIN 0.50-20LEFT,PL (Tennant Industrial) |
$581.16
|
1 |
|
usually ships 10-13 days |
10 |
575-9185
|
CLEVIS WLDT, ADJ, .50PIN 0.50-20, PL (Tennant Industrial) |
$172.53
|
1 |
|
usually ships 10-13 days |
11 |
575-6684
|
TURNBUCKLE, .50THREAD, 02.2/04.4L, PNTD (Tennant Industrial) |
$97.03
|
1 |
|
usually ships 10-13 days |
12 |
275-0057
|
PULLEY, CABLE, 1.5D NYL (Tennant Industrial) |
$8.34
|
9 |
|
usually ships 10-13 days |
13 |
575-9883
|
CABLE, GLV .19D 188.0L .4CLEVIS/.4CLEVIS (Tennant Industrial |
$137.11
|
1 |
|
usually ships 10-13 days |
14 |
175-0637
|
Clevis pin |
$4.49
|
2 |
|
usually ships 10-13 days |
15 |
275-0058
|
Cable keeper angle bracket |
$8.14
|
8 |
|
usually ships 1-5 days |
16 |
999-0786
|
Screw M8-1.25 x 35mm hex head stainless steel |
$1.12
|
6 |
|
ships same day |
17 |
999-0787
|
Bolt M8-1.25 x 40mm hex head full thread stainless steel |
$2.48
|
2 |
|
ships same day |
18 |
999-0355
|
Washer 3/8 x 7/8 SAE flat stainless steel |
$0.99
|
8 |
|
ships same day |
19 |
999-0496
|
Nut M8-1.25 nylon insert lock stainless steel |
$1.98
|
6 |
|
ships same day |
20 |
175-2249
|
Sleeve |
$4.22
|
8 |
|
ships same day |
21 |
275-9447
|
NUT, HEX, JAM, .50-20, LH (Tennant Industrial) |
$6.67
|
1 |
|
usually ships 1-5 days |
22 |
575-4698
|
TUBE, 0.38ID 1.00OD 00.4L, STL, PL (Tennant Industrial) |
$67.18
|
1 |
|
usually ships 10-13 days |