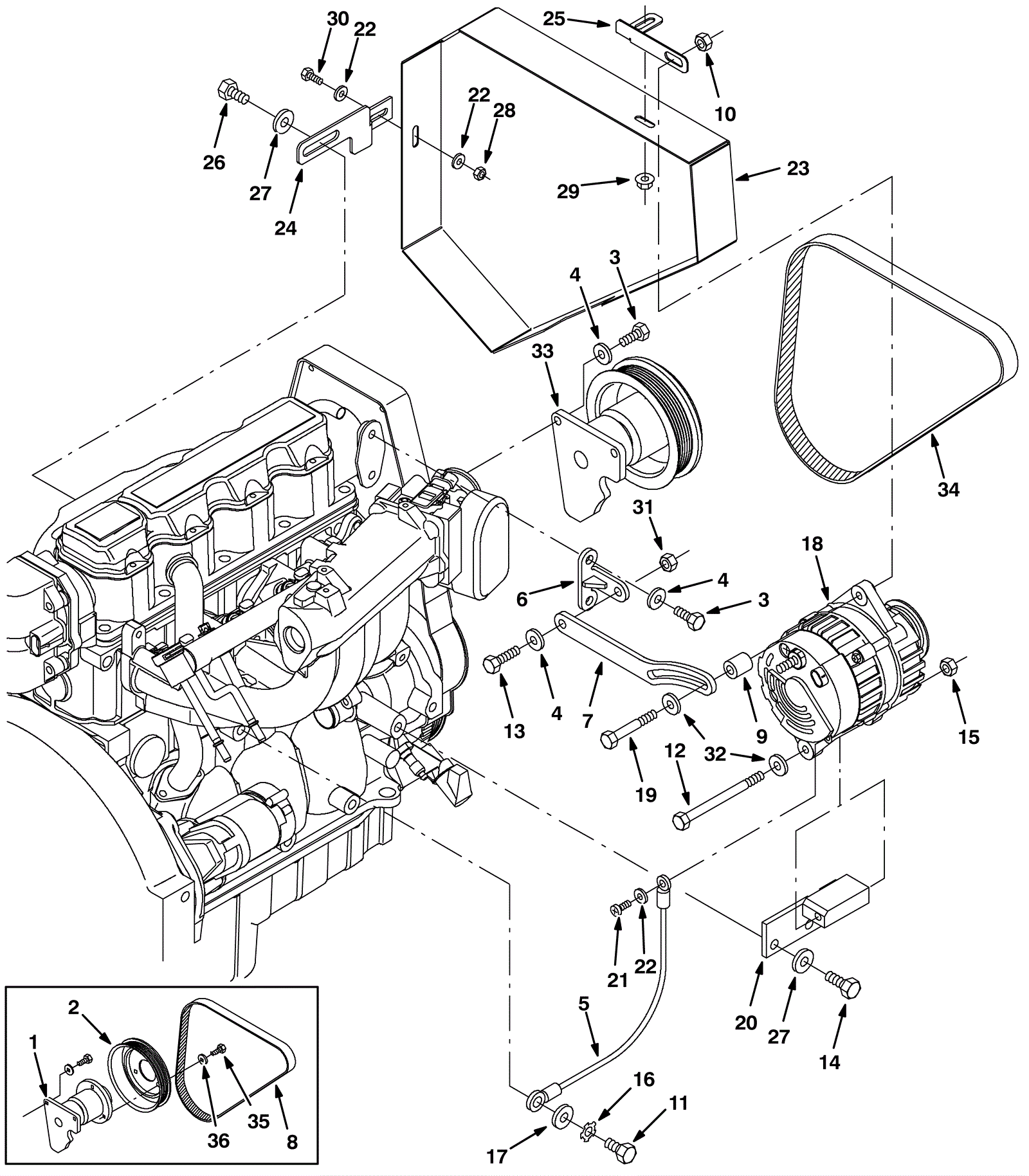
| # | Part | Description | Price | Req | Notes | Availability |
1 |
275-6668
|
Fan base assembly (TENNANT INDUSTRIAL) |
$2,934.75
|
1 |
(between SN 007000 and SN 008999) |
usually ships 1-5 days |
2 |
275-6669
|
Pulley (TENNANT INDUSTRIAL) |
$711.81
|
1 |
(between SN 007000 and SN 008999) |
usually ships 1-5 days |
3 |
999-1133
|
Bolt M8-1.25 x 20mm hex head full thread plain |
$0.99
|
4 |
|
ships same day |
4 |
275-6670
|
Washer flat (TENNANT INDUSTRIAL) |
$29.84
|
7 |
|
usually ships 1-5 days |
5 |
275-6665
|
Ground wire (TENNANT INDUSTRIAL) |
$56.34
|
1 |
|
usually ships 1-5 days |
6 |
275-6671
|
Anchor bracket (TENNANT INDUSTRIAL) |
$128.53
|
1 |
|
usually ships 1-5 days |
7 |
275-6672
|
Adjustment strap (TENNANT INDUSTRIAL) |
$246.72
|
1 |
|
usually ships 1-5 days |
8 |
375-3655
|
39 inch ribbed belt (Tennant Industrial) |
$253.55
|
1 |
(between SN 007000 and SN 008999) |
usually ships 10-13 days |
9 |
275-6676
|
Spacer (TENNANT INDUSTRIAL) |
$48.34
|
1 |
|
usually ships 1-5 days |
10 |
999-0579
|
Nut M8-1.25 hex coarse thread zinc |
$0.99
|
1 |
|
ships same day |
11 |
275-0302
|
Screw M10-1.5 x 16 hex head |
$4.22
|
1 |
|
usually ships 1-5 days |
12 |
275-2115
|
SCREW, HEX, .31-18 X 4.50, G5 (Tennant Industrial) |
$7.17
|
1 |
|
usually ships 1-5 days |
13 |
275-6698
|
SCREW, HEX, .31-18 X 1.75 G5 (TENNANT INDUSTRIAL) |
$4.83
|
1 |
|
usually ships 1-5 days |
14 |
175-6774
|
Screw M10-1 1/2 x 20 hex |
$4.49
|
2 |
|
usually ships 1-5 days |
15 |
999-0211
|
Nut 5/16-18 hex nylon insert lock zinc plated |
$0.99
|
1 |
|
ships same day |
16 |
275-6673
|
Washer (TENNANT INDUSTRIAL) |
$4.67
|
1 |
|
usually ships 1-5 days |
17 |
275-6674
|
Washer flat (TENNANT INDUSTRIAL) |
$17.00
|
1 |
|
usually ships 1-5 days |
18 |
275-6682
|
Alternator (TENNANT INDUSTRIAL) |
$550.61
|
1 |
|
usually ships 1-5 days |
19 |
175-5337
|
Screw M8 x 1.25 x 60mm hex |
$4.49
|
1 |
|
usually ships 1-5 days |
20 |
275-6675
|
Alternator bracket kit (TENNANT INDUSTRIAL) |
$248.72
|
1 |
|
usually ships 1-5 days |
21 |
175-0691
|
SCREW, HEX, 10-24 X 0.50, SS (Tennant Industrial) |
$5.67
|
1 |
|
usually ships 1-5 days |
22 |
999-0006
|
Washer 3/16 flat zinc plated |
$0.99
|
4 |
|
ships same day |
23 |
275-6683
|
Belt guard (TENNANT INDUSTRIAL) |
$220.44
|
1 |
|
usually ships 1-5 days |
24 |
275-6628
|
Belt guard mounting plate (TENNANT INDUSTRIAL) |
$67.97
|
1 |
|
usually ships 1-5 days |
25 |
275-6629
|
Belt guard angle (TENNANT INDUSTRIAL) |
$42.92
|
1 |
|
usually ships 1-5 days |
26 |
175-6774
|
Screw M10-1 1/2 x 20 hex |
$4.49
|
1 |
|
usually ships 1-5 days |
27 |
999-0120
|
Washer 3/8 SAE flat |
$0.99
|
2 |
|
ships same day |
28 |
999-0469
|
Nut M6-1 nylon insert lock zinc plated |
$1.32
|
2 |
|
ships same day |
29 |
999-6694
|
Nut M6-1 hex serrated flange stainless steel |
$0.99
|
1 |
|
ships same day |
30 |
999-0507
|
Bolt M6-1 x 16mm hex head full thread plain finish |
$0.99
|
2 |
|
ships same day |
31 |
275-2899
|
NUT, HEX, STD, .31-18 (Tennant Industrial) |
$4.17
|
2 |
|
usually ships 10-13 days |
32 |
999-0549
|
Washer 5/16 x 3/4 SAE flat stainless steel |
$0.99
|
2 |
|
ships same day |
33 |
275-6646
|
Sheave kit assembly (TENNANT INDUSTRIAL) |
$491.43
|
1 |
|
usually ships 1-5 days |
34 |
275-7305
|
Belt (Tennant Industrial) |
$120.52
|
1 |
|
usually ships 1-5 days |
35 |
999-1133
|
Bolt M8-1.25 x 20mm hex head full thread plain |
$0.99
|
3 |
(between SN 007000 and SN 008999) |
ships same day |
36 |
275-6670
|
Washer flat (TENNANT INDUSTRIAL) |
$29.84
|
3 |
(between SN 007000 and SN 008999) |
usually ships 1-5 days |