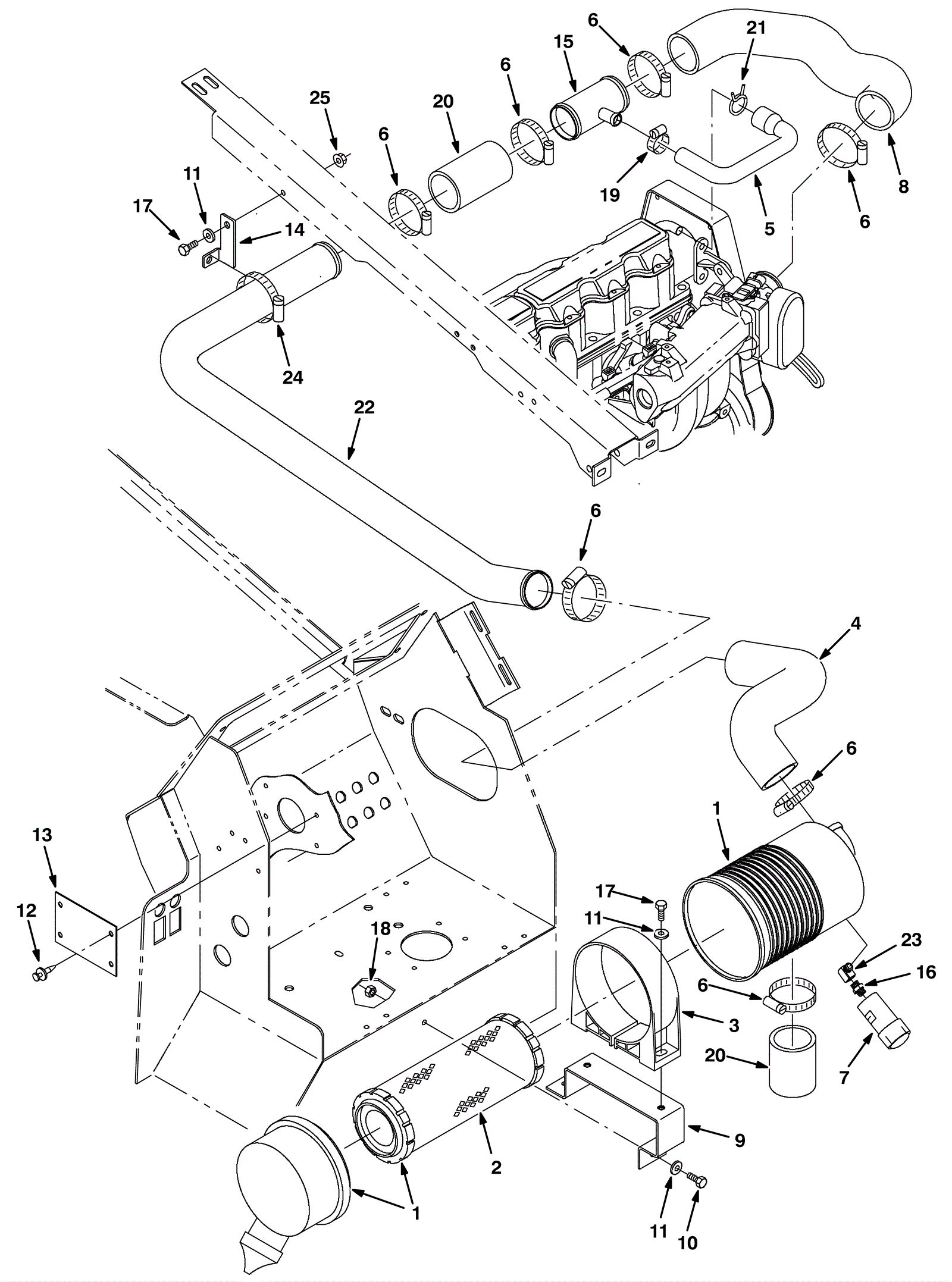
| # | Part | Description | Price | Req | Notes | Availability |
1 |
275-6660
|
Air filter assembly (TENNANT INDUSTRIAL) |
$205.04
|
1 |
(includes 2) |
usually ships 1-5 days |
2 |
275-5790
|
VR, ELEMENT, FLTR, AIR [DN] (Tennant Industrial) |
$54.34
|
1 |
|
usually ships 10-13 days |
3 |
275-6661
|
Air filter mounting clamp (TENNANT INDUSTRIAL) |
$52.18
|
1 |
|
usually ships 1-5 days |
4 |
275-6638
|
Intake hose (TENNANT INDUSTRIAL) (OBSOLETE) |
$52.27
|
1 |
|
usually ships 1-5 days |
5 |
275-6644
|
Hose (TENNANT INDUSTRIAL) |
$44.84
|
1 |
|
usually ships 1-5 days |
6 |
997-2006
|
Hose clamp |
$3.23
|
7 |
|
ships same day |
7 |
275-2848
|
INDICATOR, SERVICE, FLTR, AIR [20H20 DN] (Tennant Industria |
$137.36
|
1 |
|
usually ships 10-13 days |
8a |
275-6642
|
Intake hose (TENNANT INDUSTRIAL) |
$56.61
|
1 |
(gas) |
usually ships 1-5 days |
8b |
275-6641
|
Intake hose (TENNANT INDUSTRIAL) |
$85.85
|
1 |
(lpg) |
usually ships 1-5 days |
9 |
275-6640
|
Air filter mounting bracket (TENNANT INDUSTRIAL) |
$36.41
|
1 |
|
usually ships 1-5 days |
10 |
999-0507
|
Bolt M6-1 x 16mm hex head full thread plain finish |
$0.99
|
2 |
|
ships same day |
11 |
999-0006
|
Washer 3/16 flat zinc plated |
$0.99
|
5 |
|
ships same day |
12 |
175-5971
|
Plastic rivet |
$4.22
|
4 |
|
ships same day |
13 |
275-6645
|
Intake plate (TENNANT INDUSTRIAL) |
$8.52
|
1 |
|
usually ships 1-5 days |
14 |
275-6643
|
Air intake bracket (TENNANT INDUSTRIAL) |
$12.02
|
1 |
|
usually ships 1-5 days |
15 |
275-6632
|
Tee tube weldment (TENNANT INDUSTRIAL) |
$126.69
|
1 |
|
usually ships 1-5 days |
16 |
275-6685
|
Brass fitting (TENNANT INDUSTRIAL) |
$29.51
|
1 |
|
usually ships 1-5 days |
17 |
999-0502
|
Bolt M6-1 x 20mm hex head full thread zinc |
$0.99
|
3 |
|
ships same day |
18 |
999-0469
|
Nut M6-1 nylon insert lock zinc plated |
$1.32
|
2 |
|
ships same day |
19 |
175-0199
|
Hose clamp |
$7.15
|
1 |
|
usually ships 10-13 days |
20 |
275-6652
|
Rubber hose (TENNANT INDUSTRIAL) |
$20.54
|
2 |
|
usually ships 1-5 days |
21 |
275-6666
|
Spring clamp (TENNANT INDUSTRIAL) |
$9.00
|
1 |
|
usually ships 1-5 days |
22 |
275-6639
|
Air filter tube (TENNANT INDUSTRIAL) |
$251.50
|
1 |
|
usually ships 1-5 days |
23 |
275-0336
|
90 degree elbow pipe fitting |
$6.49
|
1 |
|
usually ships 1-5 days |
24 |
997-2003
|
Hose clamp |
$2.66
|
1 |
|
ships same day |
25 |
999-6694
|
Nut M6-1 hex serrated flange stainless steel |
$0.99
|
1 |
|
ships same day |