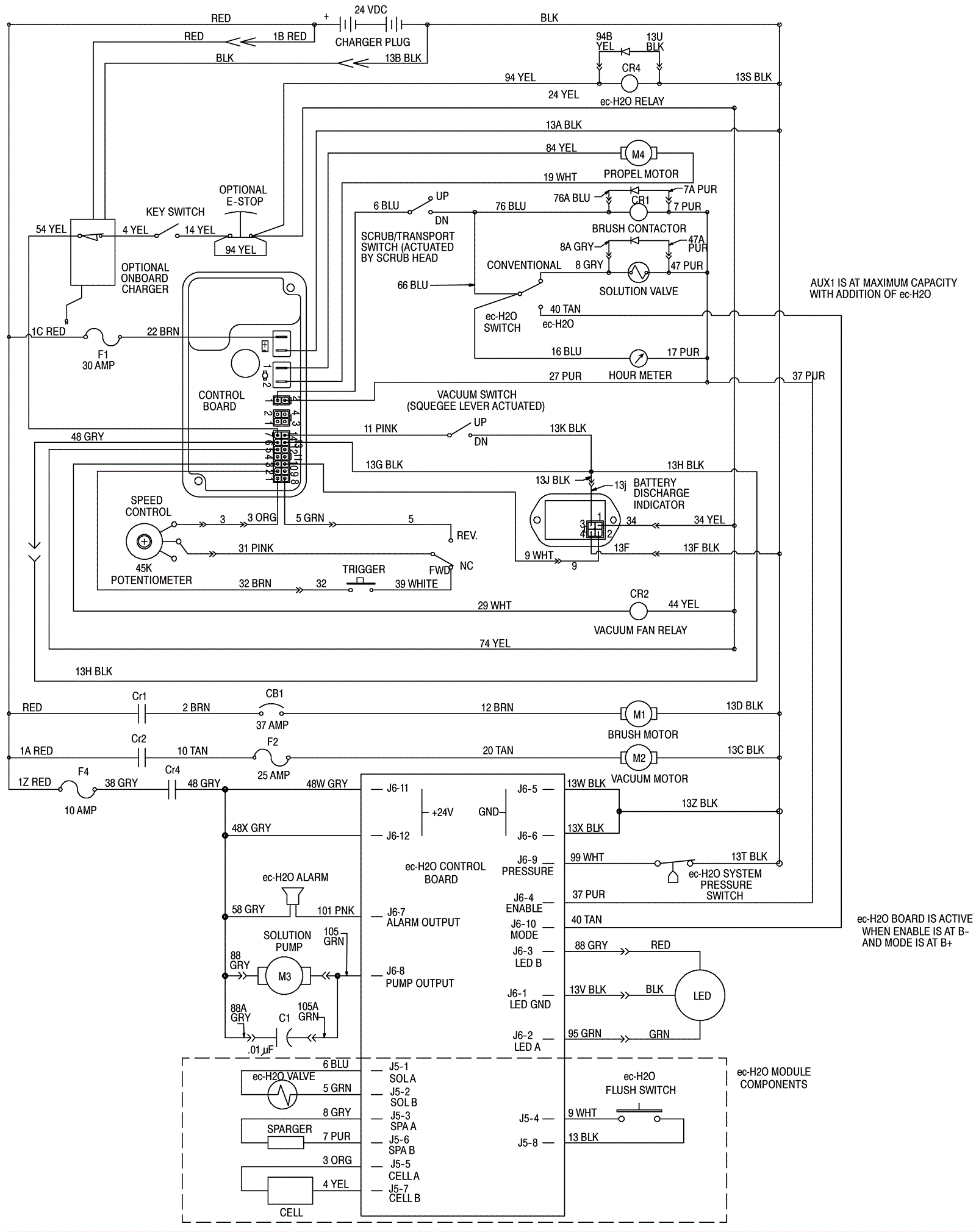
Electrical Diagram - Drive ec-H2O
Click to enlarge