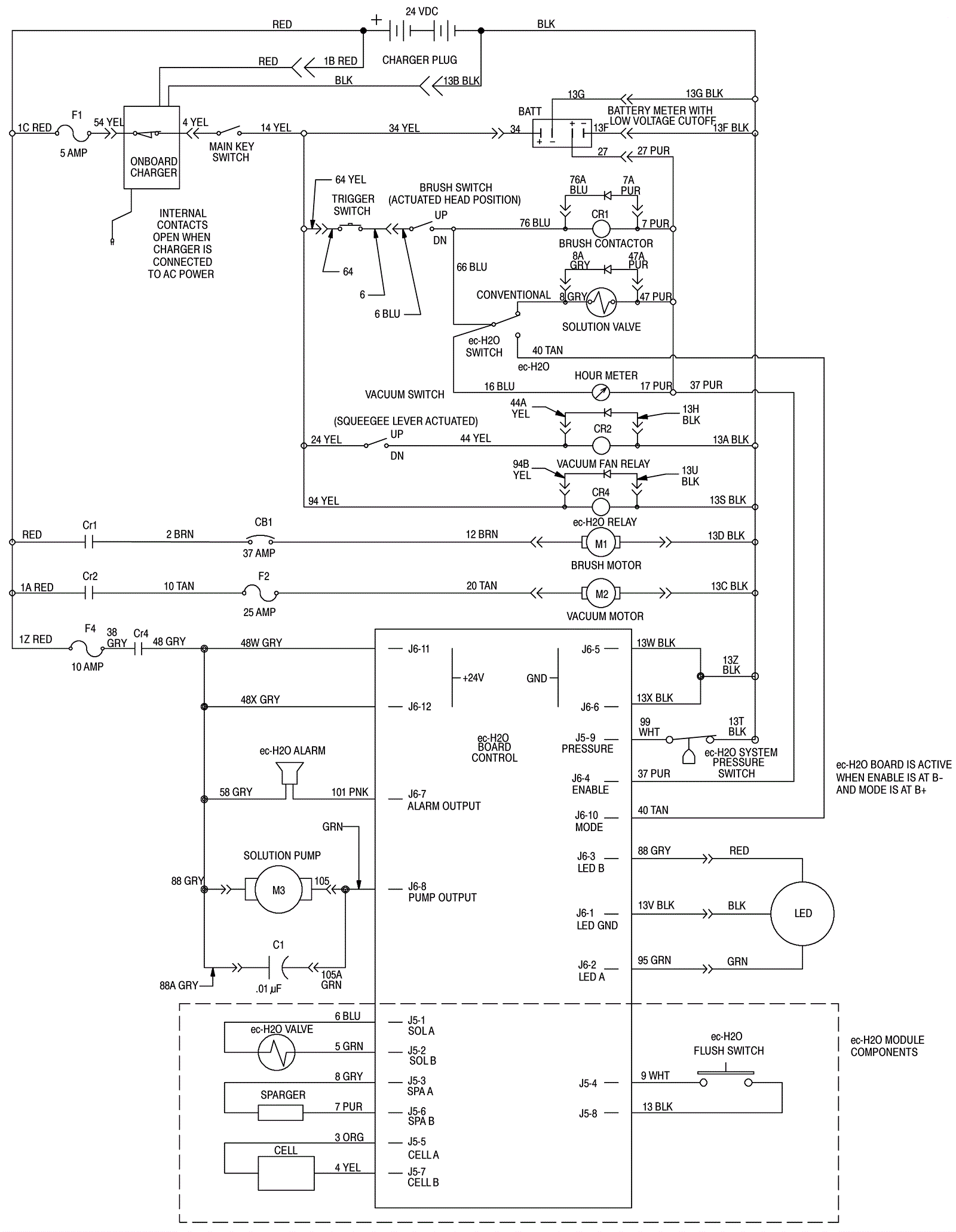
Electrical Diagram - Brush Assist ec-H2O
Click to enlarge